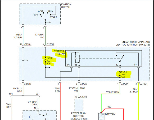
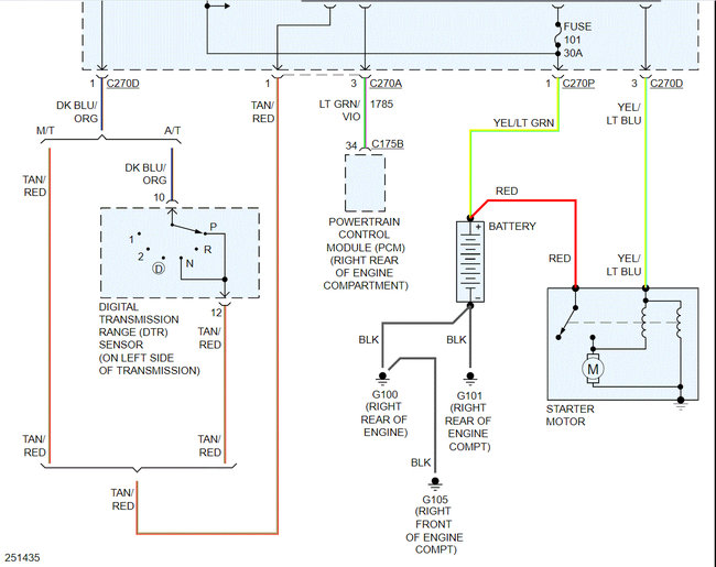
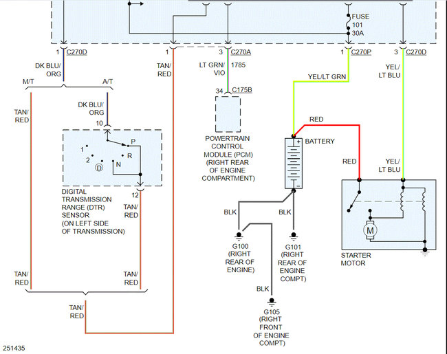
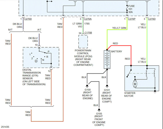
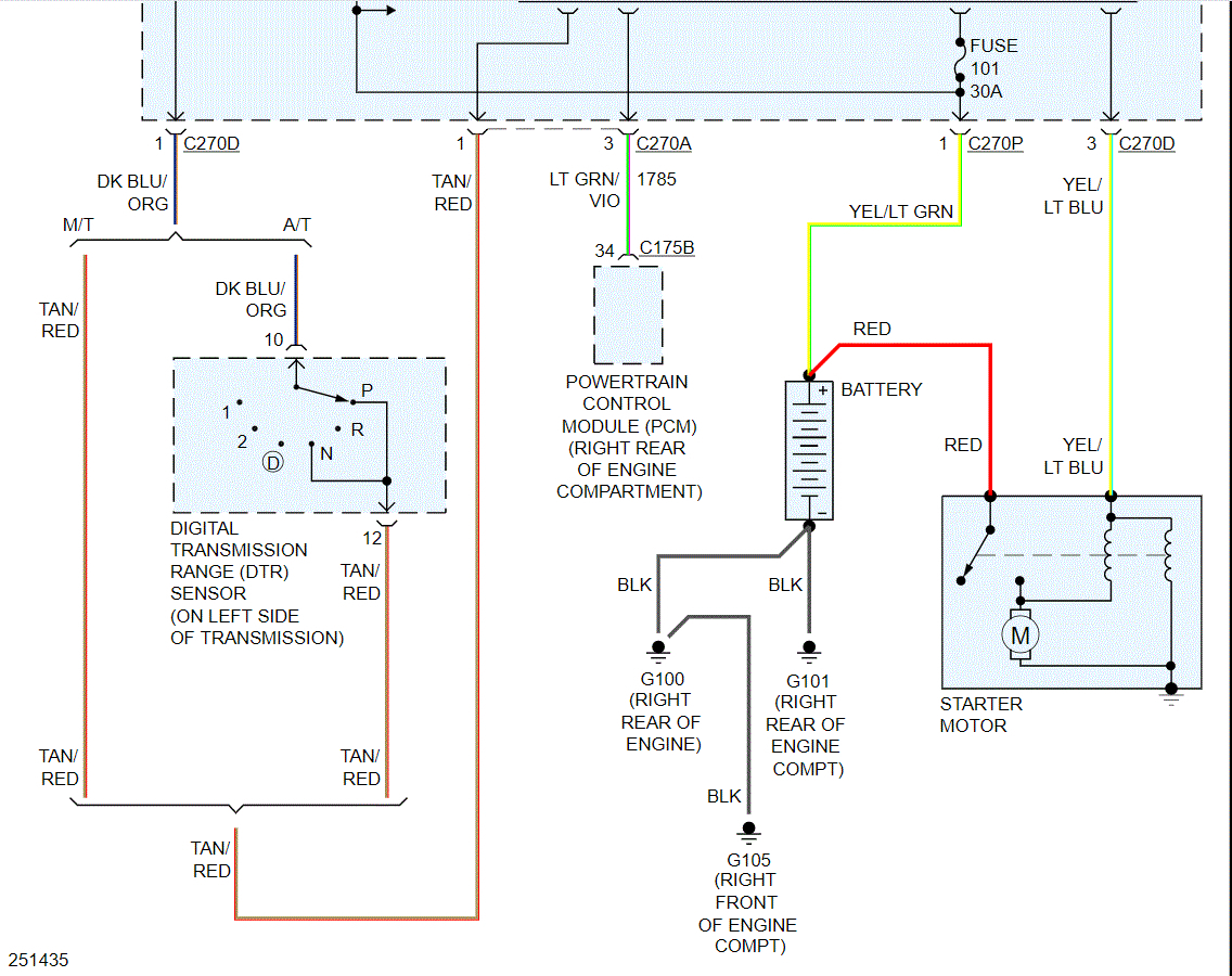
Thursday, April 22nd, 2021 AT 7:55 PM
I put in new high performance coil packs I started the truck. No problem drove to AutoZone had it hooked up to computer it said cylinder 6 misfire I drove it approximately 10 minutes back. I put in new headlight aftermarket assembly they hook right up. Turn it on a couple times to check them out. No problem. I come back to the truck two hours later. I hear rapid clicking sound I thought it was starter. I had my friend try to start it while I was under truck the sound came from the starter. So I changed it bought new. I hooked the positive and the negative backwards. It made a sound that was getting louder and louder I immediately unhooked the positive cable. I notice now the battery is dead. So I try jump it off. I turn the key to the on position. All lights are on and not dim. After 10 minutes the battery needle gauge reads a little over the halfway. I try to start it clicks and shows now power I turn the key back and all this while it's still hooked to the jumper cables. I replace the battery still no luck it click. Kind of like an on off switch hearing like another click from the fun box located on the passenger side floor the fuse panel. I believe its the starter relay fuse. I need help.








