Engine will not crank after running?

Tiny
JAMOE1979
  • MEMBER
  • 1996 CHEVROLET SILVERADO
  • 5.7L
  • V8
  • 2WD
  • AUTOMATIC
  • 96,000 MILES
When I leave the house, the truck starts perfectly and runs well. Once I get to a destination after sitting for 20 minutes to an hour it will not do anything; not crank, start nothing. Acts as if battery has drained. I can get a jump or put a jump starter on and it cranks right up. Battery is good, alternator is charging. What do I need to check next? Thanks for the response.
Monday, August 15th, 2022 AT 8:34 AM

1 Reply

Tiny
AL514
  • MECHANIC
  • 5,562 POSTS
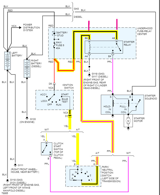
Hello, it sounds like you probably have some corroded connections somewhere. The Starter circuit for this system is very simple. You might start by checking the condition of the Starter Relay. The underside of those fuse/relay boxes get corroded and most of the time the wires will eventually just break right off the pins for fuses, relays, etc. I have seen that many times. The Starter Relay itself could have some carbon build up on the terminals inside the Relay housing.
But if you have a test light with you when the No Crank condition happens, if you take the Starter Relay out, hook your test light to battery negative, or any ground location near the fuse box, while cranking 2 of the 4 Relay pins should have 12volts and light the test light. The wiring diagram is below, if you're missing power on any one of the pins, A9 for example, power comes from the Ignition switch to the Range Switch then to the Starter Relay, so if power is missing at A9 you might have a connector on the Range Switch that is corroded, you could try starting it in Neutral. But there should be 12volts on the yellow wire going into the Range Switch and coming out on the purple wire going to the Relay.
But start with inspecting the underside of the Under-hood Fuse-Relay Center (fuse panel).
See if the pins are all crusty with either green or white corrosion. Depending on where you live too, if they use a lot of salt on the roads during wintertime, you're almost guaranteed to eventually find corrosion under the fuse panels.
Check the Ground location in red (2nd diagram) and make sure it's clean and tight.
For some reason they do not list the Starter Relay in that second diagram but its listed in service info as being there.

Also, the transmission Range Switch (Park/Neutral Position Switch) is on the side of the Transmission if you need to check the connector for it. In Park or Neutral it should have good continuity through it.
There is actually a Technical Service Bulletin on the Transmission Range Switch connector getting hot, and not coming apart. Possibly causing issues, So thats something to keep in mind. If you go to pull the connector out of the Switch and it wont come out or is very difficult, that might be the issue right there, (diagrams 4 and 5).

https://www.2carpros.com/articles/how-to-use-a-test-light-circuit-tester

https://www.2carpros.com/articles/how-to-use-a-voltmeter
Was this
answer
helpful?
Yes
No
Monday, August 15th, 2022 AT 11:36 AM

Please login or register to post a reply.