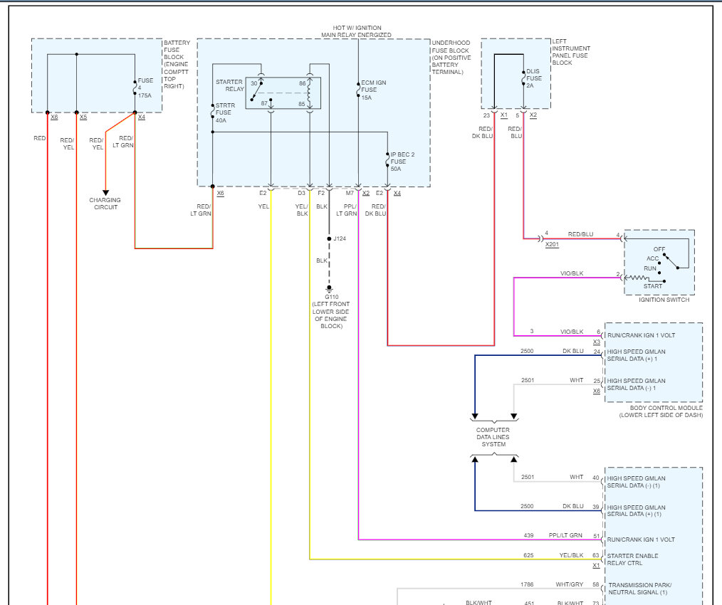
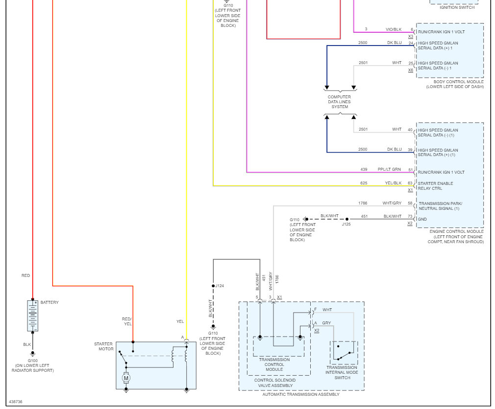
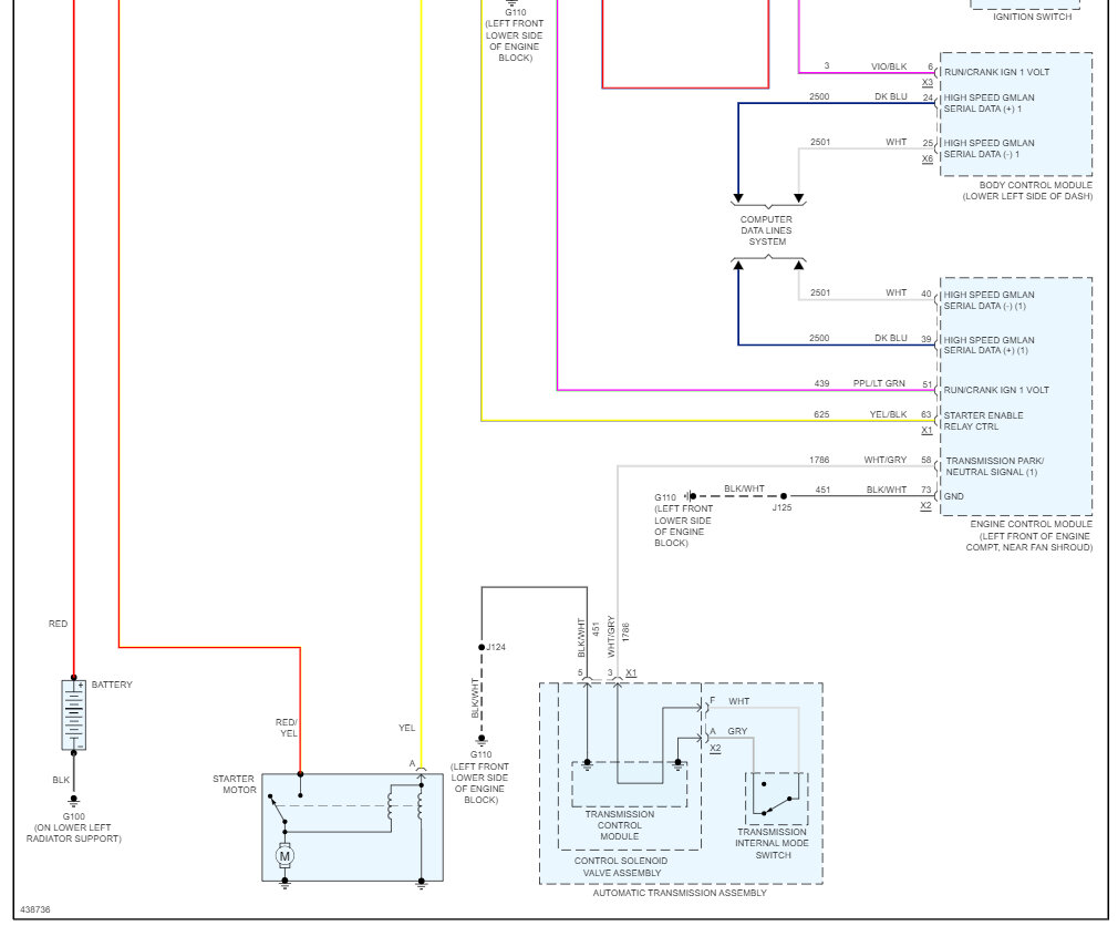
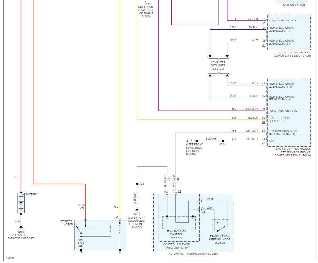
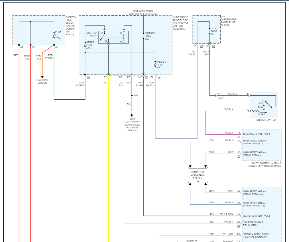
Sunday, June 4th, 2023 AT 7:54 PM
The truck started not wanting to crank over all the time. Battery, cables and harness have been replaced. Chevrolet dealer says alternator and starter are good as well. When you try to start it clicks like the battery is drained. After a few tries it will start. May not do it for a few days then it will start again and do this every time the engine is turned off. What's wrong?










