Saturday, October 9th, 2021 AT 3:20 PM
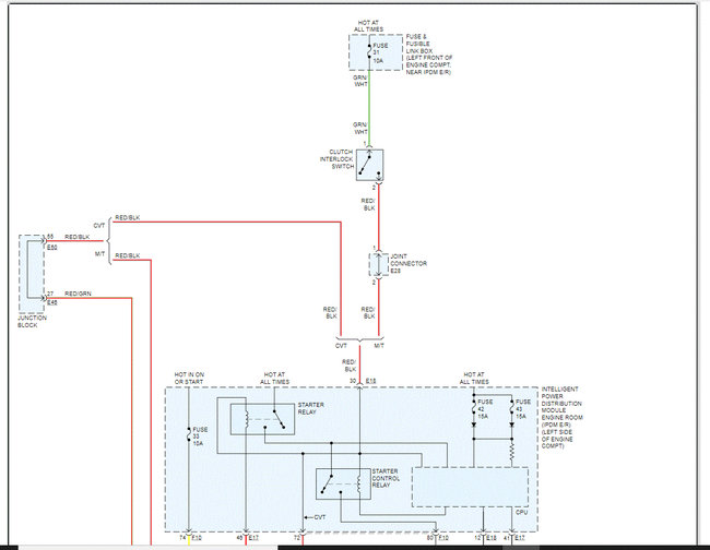
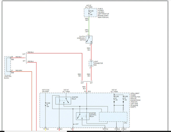
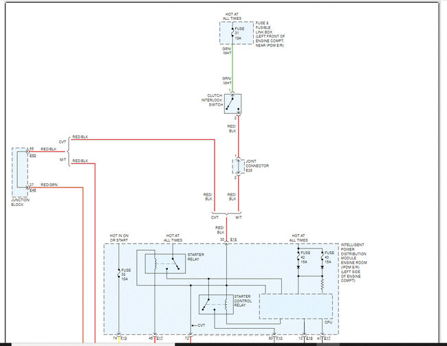
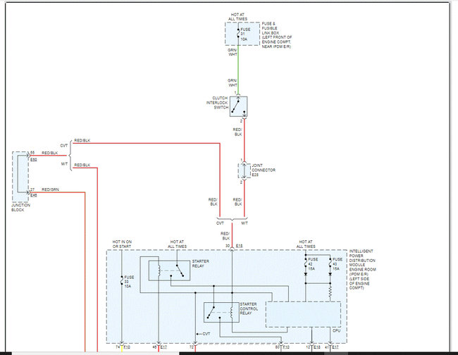
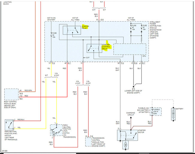
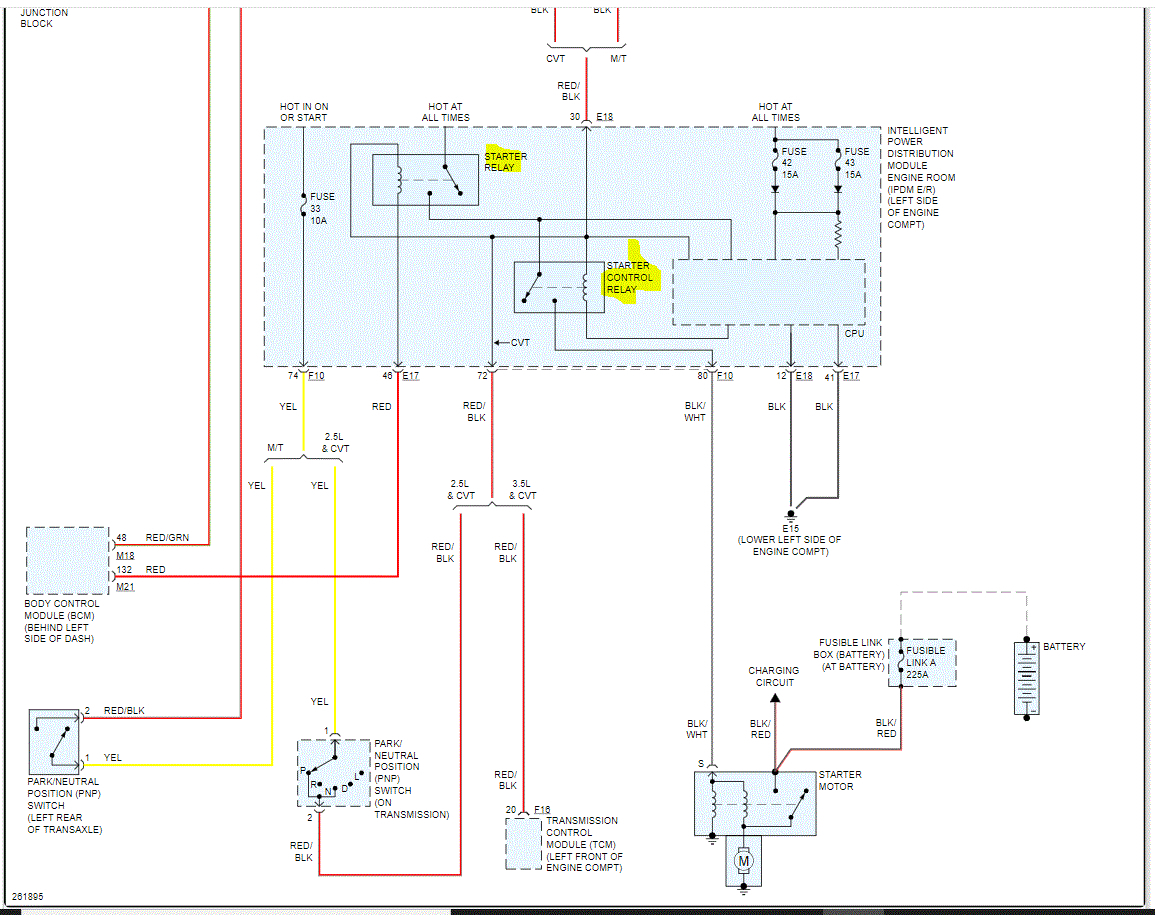
Okay, so my car was stolen and when I got it back it was trashed. They had wires coming out of everywhere from fuse boxes, push button start pulled out and all that. Well, I get it started and it runs great for like 2 weeks. Then all the sudden push button start won't start the car, it will however turn everything on, giving me power to everything, then after replacing brake switch, having starter tested and checking all fuses everything seems to be in working order. Then I discover that I could turn power on and cross the starter to get started. Don't like having it rigged up. Can anyone tell me what is going on with my car before I beat the freshly tinted windows out of it?



