Transmission not moving in drive

Tiny
BLESSING EWOBOR
  • MEMBER
  • 2010 TOYOTA SIENNA
  • 6 CYL
  • 2WD
  • AUTOMATIC
  • 134,264 MILES
Good morning, the vehicle transmission had just been replaced recently, now the transmission is moving on R (reverse) alone, when place in D (drive) it won't move. I scanned the vehicle the following codes were retrieved.
Thursday, December 31st, 2020 AT 1:54 AM

12 Replies

Tiny
ASEMASTER6371
  • MECHANIC
  • 52,796 POSTS
Good morning, nice to hear from you.

Is this a new or used transmission?

Did you have the TCM programmed after installing?

https://www.2carpros.com/articles/automatic-transmission-problems

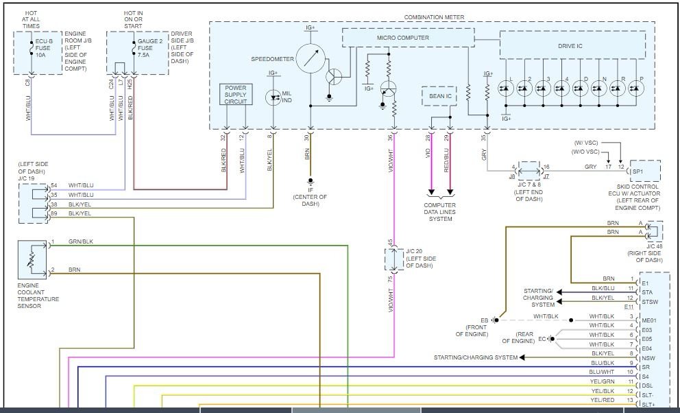
I attached a wiring diagram for you to view. Check the fuses in the diagram for power on both sides.

https://www.2carpros.com/articles/how-to-check-wiring

https://www.2carpros.com/articles/how-to-check-a-car-fuse

This sounds like a bad transmission.

The 500 is for the vehicle speed sensor.

The U code is a no communication issue with the TCM.

https://www.2carpros.com/articles/can-scan-controller-area-network-easy

Roy

1. REMOVE BATTERY

2. REMOVE AIR CLEANER ASSEMBLY

3. REMOVE SPEED SENSOR (NT SENSOR)

(a)Disconnect the speed sensor connector.

imageOpen In New TabZoom/Print

(b)Remove the bolt and speed sensor.

4. REMOVE SPEED SENSOR (NC SENSOR)

(a)Disconnect the speed sensor connector.

imageOpen In New TabZoom/Print

(b)Remove the bolt and speed sensor.

Was this
answer
helpful?
Yes
No
Thursday, December 31st, 2020 AT 4:14 AM
Tiny
BLESSING EWOBOR
  • MEMBER
  • 754 POSTS
It is used transmission and I didn't program the transmission because I used the TCM that came with the vehicle.
Was this
answer
helpful?
Yes
No
Thursday, December 31st, 2020 AT 9:45 AM
Tiny
ASEMASTER6371
  • MECHANIC
  • 52,796 POSTS
I understand but the TCM has the VIN from the donor, not the vehicle it is installed. The VIN must match.

Roy
Was this
answer
helpful?
Yes
No
Thursday, December 31st, 2020 AT 12:57 PM
Tiny
BLESSING EWOBOR
  • MEMBER
  • 754 POSTS
After the replacement of the transmission, the vehicle has been performing well before this issue.
Was this
answer
helpful?
Yes
No
Thursday, December 31st, 2020 AT 8:00 PM
Tiny
BLESSING EWOBOR
  • MEMBER
  • 754 POSTS
And the TCM that came with the used transmission has a broken case.
Was this
answer
helpful?
Yes
No
Thursday, December 31st, 2020 AT 8:01 PM
Tiny
ASEMASTER6371
  • MECHANIC
  • 52,796 POSTS
Okay, it still needs to be programmed to your car.

Roy
Was this
answer
helpful?
Yes
No
Thursday, December 31st, 2020 AT 8:18 PM
Tiny
BLESSING EWOBOR
  • MEMBER
  • 754 POSTS
How can it be programmed?
Was this
answer
helpful?
Yes
No
Thursday, December 31st, 2020 AT 8:30 PM
Tiny
ASEMASTER6371
  • MECHANIC
  • 52,796 POSTS
That needs to be done either by the dealer or someone with the software to perform this.

You can use the original RCM and have that programmed.

Roy
Was this
answer
helpful?
Yes
No
Friday, January 1st, 2021 AT 2:52 AM
Tiny
BLESSING EWOBOR
  • MEMBER
  • 754 POSTS
Could techstream perform it or what is the name of the software used?
Was this
answer
helpful?
Yes
No
Friday, January 1st, 2021 AT 4:44 AM
Tiny
ASEMASTER6371
  • MECHANIC
  • 52,796 POSTS
Toyota has there own scan tool.

Snap-on will perform this but you will need a subscription to Toyota technical site.

Roy
Was this
answer
helpful?
Yes
No
Sunday, January 3rd, 2021 AT 3:14 AM
Tiny
BLESSING EWOBOR
  • MEMBER
  • 754 POSTS
Thank you, I will get back to you sir.
Was this
answer
helpful?
Yes
No
Sunday, January 3rd, 2021 AT 5:47 AM
Tiny
ASEMASTER6371
  • MECHANIC
  • 52,796 POSTS
You are welcome.

Always glad to help.

Roy
Was this
answer
helpful?
Yes
No
Sunday, January 3rd, 2021 AT 5:52 AM

Please login or register to post a reply.