Shut off while driving could not Move forward or backwards

Tiny
TENILLELINDSEY
  • MEMBER
  • 2012 CHEVROLET TAHOE
  • 3.4L
  • V8
  • 2WD
  • AUTOMATIC
  • 190,000 MILES
Recently my truck stopped accelerating while driving. After I pulled over, I couldn't go fwd or backwards. Towed home. Sat for four days. Will move in all gears now, but I didn't drive it anywhere. Is the transmission blown? Or could it be a more simple fix vs. Rebuilding the transmission?
Thursday, May 16th, 2019 AT 4:18 PM

1 Reply

Tiny
JACOBANDNICKOLAS
  • MECHANIC
  • 110,194 POSTS
Welcome to 2CarPros.

When this first happened and you couldn't move the vehicle, were the engine RPM's increasing as if it was in neutral? Also, have you checked to make sure the transmission fluid isn't low? Was the transmission ever serviced?

Here are the directions for checking transmission fluid and condition. Take a look through it and check that.

TRANSMISSION FLUID LEVEL AND CONDITION CHECK
Transmission Fluid Level and Condition Check

1. Start the engine and operate the vehicle for 15 minutes or until the transmission fluid reaches an operating temperature of 65-80°C (150-180°F).
2. Park the vehicle on a level surface.
3. With your foot on the brake, move the shift lever through each gear range. Pause for about 3 seconds in each range, ending in PARK.
4. Apply the parking brake and let the engine idle for 3 minutes.
5. Remove the transmission fluid level indicator. Wipe the indicator clean. Insert the indicator by pushing it back in all the way. Give the indicator a full twist in order to close.
6. Wait 3 seconds and remove the indicator.
7. Read both sides of the indicator. The fluid must be within the hot cross-hatched area using the lowest level reading.

Fluid Condition Inspection

Inspect the fluid color. The fluid should be red or dark brown.

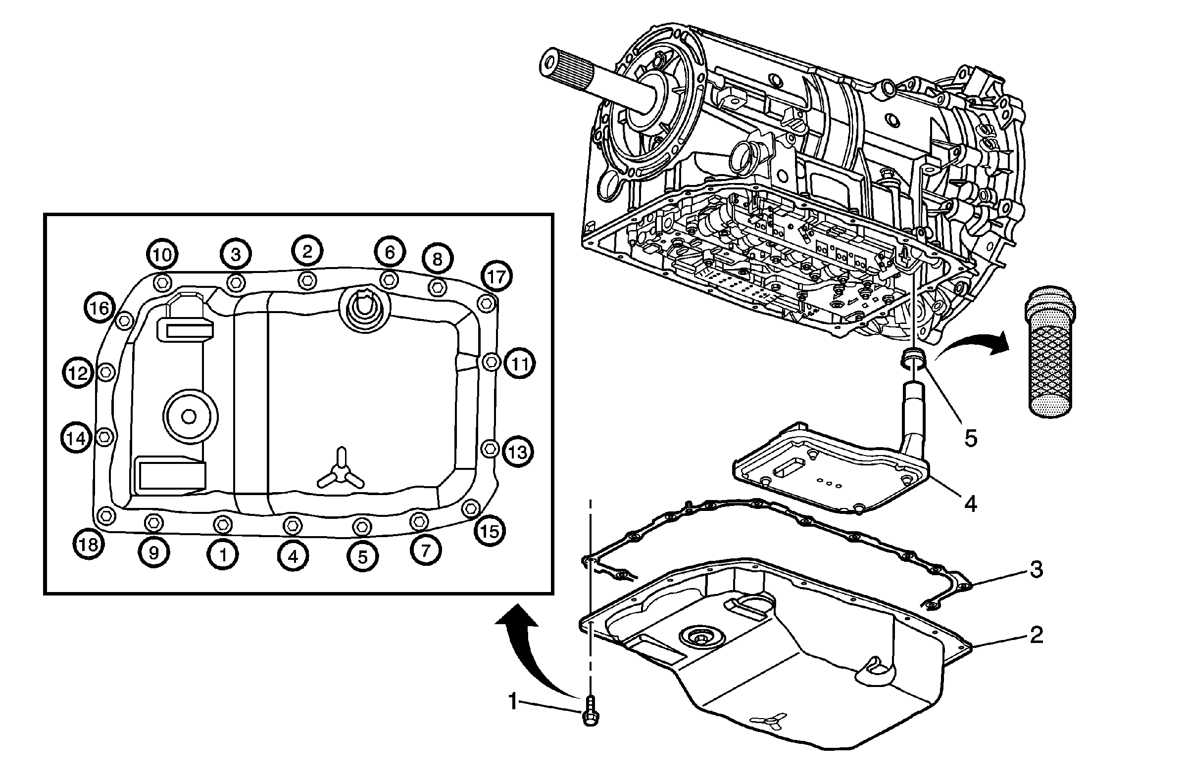
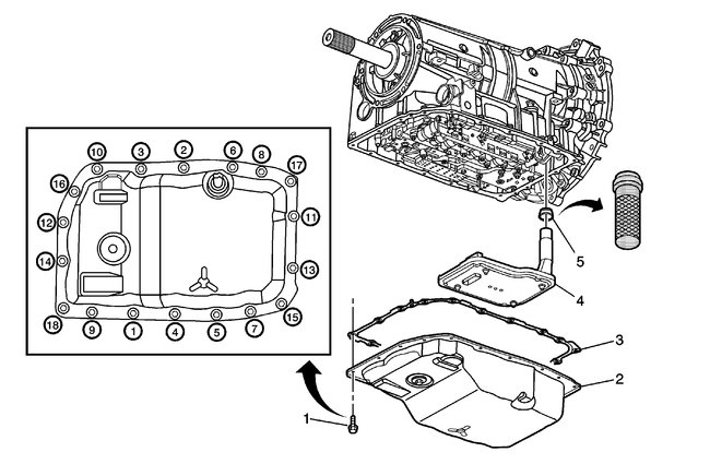
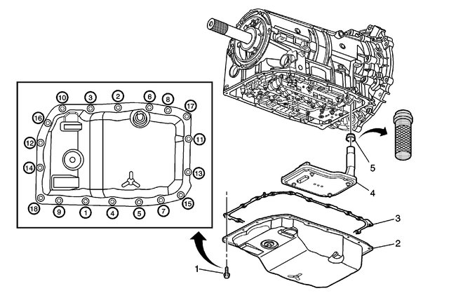
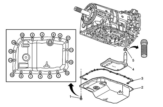
* If the fluid color is very dark or black and has a burnt odor, inspect the fluid and inside of the bottom pan for excessive metal particles or other debris. A small amount of "friction" material in the bottom pan is a "normal" condition. If large pieces and/or metal particles are noted in the fluid or bottom pan, flush the oil cooler and cooler lines and overhaul the transmission. If there are no signs of transmission internal damage noted, replace the fluid filter assembly, repair the oil cooler, and flush the cooler lines.
* Fluid that is cloudy or milky or appears to be contaminated with water indicates engine coolant or water contamination. Refer to Engine Coolant/Water in Transmission See: Automatic Transmission/Transaxle > Symptom Related Diagnostic Procedures > Engine Coolant/Water in Transmission.
________________________________________

Now I have to be honest, if the fluid hasn't been serviced, I have see situations where there was so much dirt in the pan that when the engine would run, the trans would work for awhile until the filter was again blocked with dirt. Then the vehicle wouldn't move. After sitting, the dirt would drop away from the filter and pressure was again built and it would work for a short time and then repeat the same problem.

If you check the fluid and it is full but really dirty, you may want to consider changing the fluid and filter. Here is a link that shows in general how it is done.

https://www.2carpros.com/articles/how-to-service-an-automatic-transmission

The directions specific to your vehicle are in pics 1 and 2. Please note, if you replace the filter, there is a rubber grommet where the filter pushes into the valve body. Make sure to remove the old one and install the new one. If you forget and both are used, the trans will not work because it will leak at that point.

_________________________________________

Let me know if this helps. Please feel free to ask questions if you need anything.

Take care,
Joe
Was this
answer
helpful?
Yes
No
Thursday, May 16th, 2019 AT 7:10 PM

Please login or register to post a reply.