Wednesday, April 26th, 2023 AT 6:28 PM
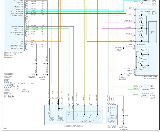
I have taken the transfer case out of a 1999 Cadillac Escalade and am trying to place it on my truck listed above k1500 single cab 4x4. The problem is the wiring connectors in the Chevy's wiring harness on the transmission do not match the ones on the transfer case and transfer motor. How do I solve this problem?




