Code P2103, crank but no start?

Tiny
LEON AHONSU
  • MEMBER
  • 2006 TOYOTA COROLLA
  • 280,632 MILES
A crank but no start issues but I noticed that there is no spark, and the throttle actuator is not opening giving out a DTC of p2103.
Thursday, September 7th, 2023 AT 11:22 PM

1 Reply

Tiny
AL514
  • MECHANIC
  • 5,570 POSTS
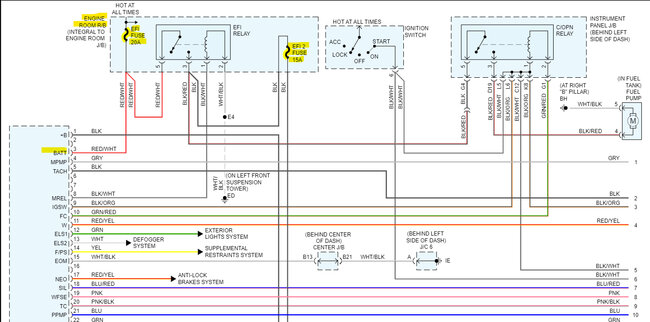
Hello, have you gone through the fuses, if the throttle body control motor shorted out, it may have blown one of the ECM (engine computer) fuses. Since both Motor +/- come directly from the ECM. I'll post the wiring diagram for the ECM, but the fuses to check are the EFI 2 Fuse 15amp, EFI Fuse 20amp. In the engine compartment fuse box. This code sets when the ECM detects more than 10amps on the Throttle body motor circuit. Hopefully, it didn't burn out the ECM. But check all the fuses, the ones in the engine compartment and the fuse panel on the driver side lower dash.
After checking all the fuses, there are some resistance tests you can do on the throttle body to see if it was the Motor that shorted out or if it was a wiring issue.
If you have a basic multimeter, you can check the throttle control motor.
Here are the testing methods for checking the throttle body motor and circuits to the ECM to check for any shorts to ground, which can also cause excessive current flow through the throttle motor.
If you have any questions on testing the throttle body or circuits, just post them here. We can walk you through any testing.

https://www.2carpros.com/articles/how-to-check-a-car-fuse

https://www.2carpros.com/articles/how-to-use-a-test-light-circuit-tester

https://www.2carpros.com/articles/how-to-use-a-voltmeter
Was this
answer
helpful?
Yes
No
+2
Friday, September 8th, 2023 AT 12:35 PM

Please login or register to post a reply.