Engine, ECM and Ignition coil wiring?

Tiny
RT90601
  • MEMBER
  • 2003 TOYOTA COROLLA
Where is the ignition coil wire in a 2003 toyota corolla? I have had the starter replaced and the battery, but car will not fire up once in a while, someone told me to see if ignition coil wire is loose?
where is it under the hood
Sunday, March 23rd, 2008 AT 8:02 PM

46 Replies

Tiny
MMPRINCE4000
  • MECHANIC
  • 8,548 POSTS
They use individual coil packs for each cylinder. Remove the plastic engine cover and you will see the 4 coil packs. They are bolted to the cylinder head. Here are the engine wiring diagrams with a guide to help you check them below.

https://www.2carpros.com/articles/how-to-check-wiring

Check out the diagrams (Below). Please let us know if you need anything else to get the problem fixed.
Was this
answer
helpful?
Yes
No
Monday, March 24th, 2008 AT 4:57 AM
Tiny
J.STIEG
  • MEMBER
  • 361 POSTS
  • 2000 TOYOTA COROLLA
I need a diagram of a coil on plug transistor for a 00 corolla. I think the transistor is part of the coil and not the PCM, Is that true?
Is this transistor PNP or NPN? Also what is the base/trigger voltage value. Thanks!
Was this
answer
helpful?
Yes
No
+1
Tuesday, August 11th, 2020 AT 4:21 PM (Merged)
Tiny
HMAC300
  • MECHANIC
  • 48,601 POSTS
Crank position sensor is 1630-2740oms cold and 2065-3225 ohms hot cold temp is 14-122F and hot is 122-212 F the oil is allone piece. There is also a cam sensor and this shold be scanned for codes and fuel pressure checked first if it doesn't run cam sensor is 835-1400 and hot 1060-11645 hot
Was this
answer
helpful?
Yes
No
+4
Tuesday, August 11th, 2020 AT 4:21 PM (Merged)
Tiny
J.STIEG
  • MEMBER
  • 361 POSTS
It runs fine, I would like to see a "wiring diagram" so I can learn about ignition systems. Thanks

There are 4 wires at the coil on plug.
Was this
answer
helpful?
Yes
No
+2
Tuesday, August 11th, 2020 AT 4:21 PM (Merged)
Tiny
HMAC300
  • MECHANIC
  • 48,601 POSTS
The wiring daiagram that you seek wold be to small for me to send as it it 3 differnt pages and covers the whole engine for obd2. Get a haynes manual for that
Was this
answer
helpful?
Yes
No
+1
Tuesday, August 11th, 2020 AT 4:21 PM (Merged)
Tiny
J.STIEG
  • MEMBER
  • 361 POSTS
All I need to know is just the coilpack/transistor area alone. 4 wires, Is that something you can post, thank you.
Was this
answer
helpful?
Yes
No
Tuesday, August 11th, 2020 AT 4:21 PM (Merged)
Tiny
HMAC300
  • MECHANIC
  • 48,601 POSTS
That includes the whole harness I cold only seperate the coil pack nothing else because everything runs to the computer.
Was this
answer
helpful?
Yes
No
Tuesday, August 11th, 2020 AT 4:21 PM (Merged)
Tiny
DICKPOTTHOFF
  • MEMBER
  • 1 POST
  • 1999 TOYOTA COROLLA
  • 4 CYL
  • 2WD
  • AUTOMATIC
  • 120,000 MILES
My daughters car had an intermittent starting problem. A very astute mechanic discovered that, after the car was wrecked, a previous owner/mechanic had just stuffed the ECU? (My mechanic called it the PCM) into the console without it being in its case or being secured it place. He fix it and it worked well. A year goes by, daughter in different city, and it starts to do it again. I am assuming a broken wire in the harness connecting to the ECU/PCM box. QUESTION: How do I get to this unit to replace the wiring harness(es). What is the best way to verify which harness is the culprit? Thanks for your help.
Was this
answer
helpful?
Yes
No
+1
Tuesday, August 11th, 2020 AT 4:21 PM (Merged)
Tiny
MHPAUTOS
  • MECHANIC
  • 31,937 POSTS
Hi there,

This loom, is a one piece loom and changing it would entail basically stripping the car down to its near bear frame, so repairing the problem is a better option, if you run a diagnostic scan you may get a code that will reflect the problem and then we can have a better chance to identify the suspect wire/s start here.

Mark (mhpautos)
Was this
answer
helpful?
Yes
No
Tuesday, August 11th, 2020 AT 4:21 PM (Merged)
Tiny
J.STIEG
  • MEMBER
  • 361 POSTS
Go ahead and send the three pages anyway, I don't care if it is small. Thanks 00 toyota corolla 1.8l
Was this
answer
helpful?
Yes
No
Tuesday, August 11th, 2020 AT 4:21 PM (Merged)
Tiny
HMAC300
  • MECHANIC
  • 48,601 POSTS
Also get ti through your head these are not transistors nor triggers this is not a boat it's a car and they are sensors.
Was this
answer
helpful?
Yes
No
+3
Tuesday, August 11th, 2020 AT 4:21 PM (Merged)
Tiny
BUILTROD
  • MEMBER
  • 4 POSTS
  • 1997 TOYOTA COROLLA
  • 4 CYL
  • 2WD
  • MANUAL
  • 125,000 MILES
Is there a fuse or some kind of power pack that supplies power to injector? I do have power to three injectors not to one, changed injectors at different cylinders to see if injector was clogged it worked fine at different cylinder. Have spark at all spark plug wires everything worked fine before I powered washed engine. No power at wire that plugs in to injector
Was this
answer
helpful?
Yes
No
Tuesday, August 11th, 2020 AT 4:21 PM (Merged)
Tiny
RASMATAZ
  • MECHANIC
  • 75,992 POSTS
The black wire on the injector harness connector is the hot side-the one that don't have power get a jumper wire and splice into another injector harness connector black wire and see what happens


https://www.2carpros.com/forum/automotive_pictures/12900_injector_6.jpg

Was this
answer
helpful?
Yes
No
+1
Tuesday, August 11th, 2020 AT 4:21 PM (Merged)
Tiny
BUILTROD
  • MEMBER
  • 4 POSTS
Also I forgot to mention check engine light is on now as well, if I use jumper wire will that screw up firing order of fuel injectors? Again this all just happened after I washed engine, drove car around block then parked went to start a week later, thats when problems started
Was this
answer
helpful?
Yes
No
Tuesday, August 11th, 2020 AT 4:21 PM (Merged)
Tiny
RASMATAZ
  • MECHANIC
  • 75,992 POSTS
The black wire on each injector is the power-it won't affect the F/O of the injectors they all tied into a splice look at the diagram-

Also try pulling the code/s from the computer
Was this
answer
helpful?
Yes
No
Tuesday, August 11th, 2020 AT 4:21 PM (Merged)
Tiny
BUILTROD
  • MEMBER
  • 4 POSTS
Can you use some kind of jumper to get codes?
Was this
answer
helpful?
Yes
No
Tuesday, August 11th, 2020 AT 4:21 PM (Merged)
Tiny
RASMATAZ
  • MECHANIC
  • 75,992 POSTS
Can you use some kind of jumper to get codes? You need a scantool/code reader.
Was this
answer
helpful?
Yes
No
Tuesday, August 11th, 2020 AT 4:21 PM (Merged)
Tiny
PACIFICISLANDER
  • MEMBER
  • 240 POSTS
  • 1996 TOYOTA COROLLA
  • 1.6L
  • 4 CYL
  • 2WD
  • AUTOMATIC
  • 100,000 MILES
Need the wiring colors of the connector for the fuel pump/sending unit.
Was this
answer
helpful?
Yes
No
Tuesday, August 11th, 2020 AT 4:21 PM (Merged)
Tiny
BUILTROD
  • MEMBER
  • 4 POSTS
I was just asking because I use to be able to use a paper clip and you could use it as a jumper at the plug on the inside of the car on GM models then the code would flash at check engine light. If it turns out your info. Will help me to correct problem I will be happy to make a donation for your help. But right now funds are low as I am and have been out of work since Dec. Due to F*%ked up economy.
Thank you
Was this
answer
helpful?
Yes
No
Tuesday, August 11th, 2020 AT 4:21 PM (Merged)
Tiny
KASEKENNY
  • MECHANIC
  • 18,907 POSTS
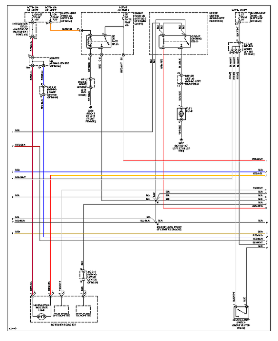
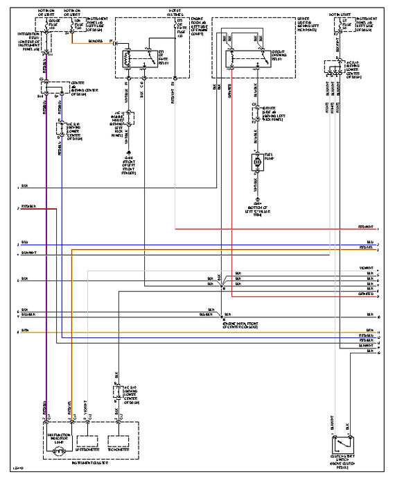
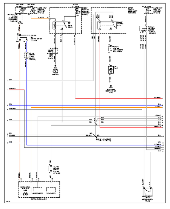
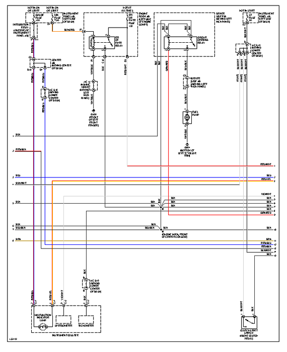
I attached the wiring diagram for the fuel pump. Looks like the supply wire off the relay is blue/black and the ground from the pump is white/black.

Let us know if you need more info. Thanks
Was this
answer
helpful?
Yes
No
Tuesday, August 11th, 2020 AT 4:21 PM (Merged)

Please login or register to post a reply.