No spark?

Tiny
LITHOROCK
  • MEMBER
  • 2 POSTS
  • 1990 TOYOTA CAMRY
  • 4 CYL
  • 2WD
  • AUTOMATIC
  • 123,000 MILES
Just bought car on5/9/10, drove it home + noticed slight vibration at idle in gear. Next day changed plugs oil + filter + tranny fluid + flushed engine + rad. + Refilled w/50/50 mix. Tried to start car + wouldn't fire at all. Checked w/timing lite no spark at plugs. Noticed connection at ign mod. Was wet w/ anti freeze, cleaned it w/ brake parts cleaner + blew dry. Hit key + it started but ran very rough while I topped off rad. After 10 min. Gave throttle a little blip + it died immediatly. Has not run yet. I have replaced ign mod w/new one, replaced coil, installed a used dist. W/ the new coil and still no spark. It has always had 12v to coil when ever I check. Tried to pull up any stored codes + check eng light does not work. It does not come on w/ key in on mode, I took dash apart + put in a good bulb from another position + no lite. I checked circuit board at light socket + don't get any voltage there or at plug connecter from green w/ red stripe wire please help. I am willing to pay for solution. Thank you lithorock
Was this
answer
helpful?
Yes
No
Sunday, August 2nd, 2020 AT 11:23 AM (Merged)
Tiny
RASMATAZ
  • MECHANIC
  • 75,992 POSTS
1990 Toyota Camry no spark at plugs + no check engine light

Check and test the coil, distributor pick-up coil and ignitor.
Was this
answer
helpful?
Yes
No
+4
Sunday, August 2nd, 2020 AT 11:23 AM (Merged)
Tiny
LITHOROCK
  • MEMBER
  • 2 POSTS
The items you mentioned were replaced and didn't change anything
Was this
answer
helpful?
Yes
No
+1
Sunday, August 2nd, 2020 AT 11:23 AM (Merged)
Tiny
RASMATAZ
  • MECHANIC
  • 75,992 POSTS
Check and test the Ne, G, Igt, Igf wiring back to the computer for short and open-if ok, replace the computer.
Was this
answer
helpful?
Yes
No
-2
Sunday, August 2nd, 2020 AT 11:23 AM (Merged)
Tiny
CHEESE
  • MEMBER
  • 2 POSTS
  • 1990 TOYOTA CAMRY
I HAVE A CAMRY 1990 THAT HAS NO SPARK CHANGED COIL, IGNITION CONTROL MODULE DONT. KNOW CANT FIGURE IT OUT. ANY HELP APRICIATED. THANKS
Was this
answer
helpful?
Yes
No
Sunday, August 2nd, 2020 AT 11:23 AM (Merged)
Tiny
LOSONE
  • MECHANIC
  • 1,616 POSTS
Are the injectors pulsing? If not it may be the cam sensor. Any DTC's Let me know
Was this
answer
helpful?
Yes
No
Sunday, August 2nd, 2020 AT 11:23 AM (Merged)
Tiny
CHEESE
  • MEMBER
  • 2 POSTS
HOW DO YOU CHECK IF THEAY ARE PUSLING
Was this
answer
helpful?
Yes
No
Sunday, August 2nd, 2020 AT 11:23 AM (Merged)
Tiny
LOSONE
  • MECHANIC
  • 1,616 POSTS
You need to put a noid light on the injector connection (didconnected) while the engine is turned over.
Was this
answer
helpful?
Yes
No
Sunday, August 2nd, 2020 AT 11:23 AM (Merged)
Tiny
SCOTT622
  • MEMBER
  • 4 POSTS
  • 1990 TOYOTA CAMRY
  • 4 CYL
  • 2WD
  • AUTOMATIC
  • 114,000 MILES
My buddy and I are working on his 1990 Camry and it started out, while he was driving when it got up to temperature the car would stall and you would have to wait for it to cool down and it would start again. So we got a couple ignition modules from the junk yard, all led to the same outcome, car stalls when warm, then we replaced the coil inside the distributor not it, then we replaced the distributor, wires, plugs, cap and rotor. Gave the egr valve a wack to hopefully shake the crud loose on that if it was that. So finally we tested for spark and got one because the car was cold then when it got up to temp and stalled there was no spark until it cooled again. So we determined it had to be something affecting the voltage to the distributor. Is there some sort of safety that is shutting off the power to the distributor? Your help would be greatly appreciated. Thank you
Was this
answer
helpful?
Yes
No
Sunday, August 2nd, 2020 AT 11:23 AM (Merged)
Tiny
RASMATAZ
  • MECHANIC
  • 75,992 POSTS
Replaced the distributor and other parts still no spark.

The computer needs the Ne and G signals from the pick-up coil in order for it to give the ignitor the Igt signal to fire the coil and in turn the ignitor gives the computer the Igf signal that combustion has occurred and the whole porcess repeats-

Its begining to sound computer problem. Make sure the ECM is grounded properly-
Was this
answer
helpful?
Yes
No
Sunday, August 2nd, 2020 AT 11:23 AM (Merged)
Tiny
KENT PALMER
  • MEMBER
  • 2 POSTS
  • 1990 TOYOTA CAMRY
Electrical problem
1990 Toyota Camry 6 cyl Two Wheel Drive

car won' start. My daughter stoped at a stop sign and the car died it started again went about 200 feet and died again. Now it has no spark I do not know if it is getting fuel.
Was this
answer
helpful?
Yes
No
Sunday, August 2nd, 2020 AT 11:24 AM (Merged)
Tiny
RASMATAZ
  • MECHANIC
  • 75,992 POSTS
Disconnect a sparkplug wire or 2 and ground it to the engine -have helper crank engine over-do you have a snapping blue spark? If so-you have a fuel problem, check the fuel pressure to rule out the fuel filter/fuel pump/pressure regulator and listen to the injector/s are they pulsing or hook up a noid light. No snapping blue spark continue to troubleshoot the ignition system-power input to the coil/coil packs, distributor pick-up coil, ignition control module, cam and crank sensors- Note: If it doesn't apply disregard it
Was this
answer
helpful?
Yes
No
Sunday, August 2nd, 2020 AT 11:24 AM (Merged)
Tiny
JENNIFER SCHOEPHOERSTER
  • MEMBER
  • 1 POST
  • 1989 TOYOTA CAMRY
  • 4 CYL
  • AUTOMATIC
  • 183,000 MILES
We have replaced the distributor and igniter switch. Also replaced battery. Car will crank but will not start. What else should we check?
Was this
answer
helpful?
Yes
No
Sunday, August 2nd, 2020 AT 11:24 AM (Merged)
Tiny
KEN L
  • MASTER CERTIFIED MECHANIC
  • 55,499 POSTS
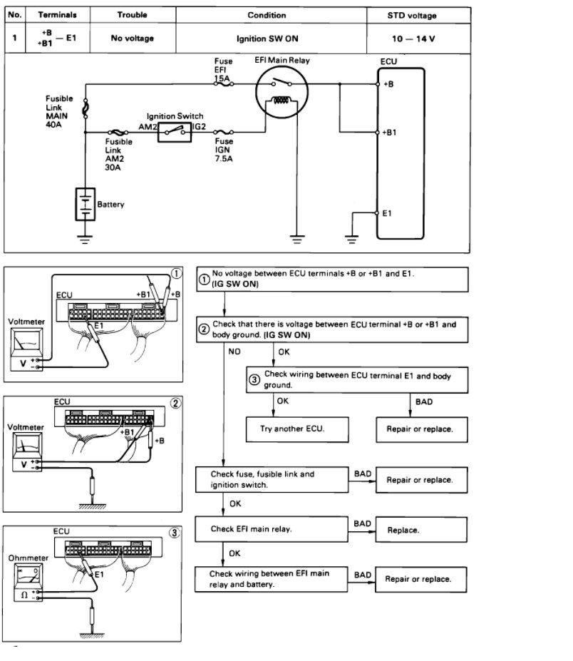
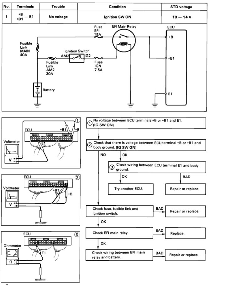
It sounds like the system is not getting power which is supplied by the EFI relay.

Here is its location along with a couple guides on how to check it:

https://www.2carpros.com/articles/how-to-check-an-electrical-relay-and-wiring-control-circuit

Also check the fuses.

https://www.2carpros.com/articles/how-to-check-a-car-fuse

Please let us know what you find.

Cheers, Ken
Was this
answer
helpful?
Yes
No
+1
Sunday, August 2nd, 2020 AT 11:24 AM (Merged)
Tiny
DENNISGUITAR
  • MEMBER
  • 1 POST
  • 1987 TOYOTA CAMRY
Computer problem
1987 Toyota Camry 4 cyl Front Wheel Drive Automatic

not getting spark
Was this
answer
helpful?
Yes
No
Sunday, August 2nd, 2020 AT 11:24 AM (Merged)
Tiny
RASMATAZ
  • MECHANIC
  • 75,992 POSTS
No snapping blue spark continue to troubleshoot the ignition system-power input to the coil/coil packs, coil's resistances, distributor pick-up coil, ignition control module, cam and crank sensors and computer Note: If it doesn't apply disregard it.
Was this
answer
helpful?
Yes
No
Sunday, August 2nd, 2020 AT 11:24 AM (Merged)
Tiny
KEANEDAVE
  • MEMBER
  • 1 POST
  • 1986 TOYOTA CAMRY
  • 4 CYL
  • FWD
  • MANUAL
  • 190,000 MILES
1986 Camry, 2.0 Gas, Manual transmission. After driving car will not restart immediately. I must wait between 1 and 5 minutes. When trying to restart the engine cranks fine. There is no spark. Since the problem began I have replaced the distributor, which included the ignition coil and pickup coil. I don't believe this model has an ignitor. HELP!
Was this
answer
helpful?
Yes
No
Sunday, August 2nd, 2020 AT 11:24 AM (Merged)
Tiny
RASMATAZ
  • MECHANIC
  • 75,992 POSTS
It has an igniter -also see below
Was this
answer
helpful?
Yes
No
Sunday, August 2nd, 2020 AT 11:24 AM (Merged)
Tiny
MHPAUTOS
  • MECHANIC
  • 31,937 POSTS
I am sure that the igniter is part of the distributor on this car, have you checked fuel pressure, injection pulse, scanned for any unresolved fault codes, excessive plug gaps, faulty leads?
Was this
answer
helpful?
Yes
No
Sunday, August 2nd, 2020 AT 11:24 AM (Merged)

Please login or register to post a reply.