Will not start

Tiny
TIFFANY NICOLE DAVIDSON
  • MEMBER
  • 2009 CHRYSLER TOWN AND COUNTRY
  • 4.0L
  • 2WD
  • 200 MILES
I stick the key fob in and it just clicks and I just got a brand new starter on.
Friday, April 23rd, 2021 AT 4:34 PM

10 Replies

Tiny
JACOBANDNICKOLAS
  • MECHANIC
  • 110,194 POSTS
Hi,

When you get a clicking sound, that often indicates a weak battery or there is a weak connection between the battery and the starter.

First, check to make sure the battery terminals are clean and tight. Here is a link you may find helpful:

https://www.2carpros.com/articles/everything-goes-dead-when-engine-is-cranked

Once you confirm the battery terminals are clean and tight, next I need you to load test the battery. Follow the directions in this link:

https://www.2carpros.com/articles/car-battery-load-test

If the battery checks good, let me know. Also, let me know if it is one click, or if it clicks rapidly. If you can tell approximately where it is coming from, that may help as well.

Take care,

Joe
Was this
answer
helpful?
Yes
No
+1
Friday, April 23rd, 2021 AT 8:49 PM
Tiny
TIFFANY NICOLE DAVIDSON
  • MEMBER
  • 11 POSTS
Hello, it's just one click and yes the battery is good.
Was this
answer
helpful?
Yes
No
Saturday, April 24th, 2021 AT 6:43 AM
Tiny
TIFFANY NICOLE DAVIDSON
  • MEMBER
  • 11 POSTS
Could it be something electric?
Was this
answer
helpful?
Yes
No
Saturday, April 24th, 2021 AT 11:46 AM
Tiny
TIFFANY NICOLE DAVIDSON
  • MEMBER
  • 11 POSTS
It's almost like it's intermittent starting.
Was this
answer
helpful?
Yes
No
Saturday, April 24th, 2021 AT 11:49 AM
Tiny
JACOBANDNICKOLAS
  • MECHANIC
  • 110,194 POSTS
Hi,

Interestingly, the idea that you hear the starter click indicates the circuit is working and sending power to the solenoid on the starter. Since the starter was replaced and if the old one did the same thing, we can assume the starter itself isn't the issue. So that leaves an electrical issue.

So, the most common cause of this type of issue is a weak connection. The starter puts a heavy load on the electrical system. If there is a corroded, loose, or damaged wire, that load can cause it to fail. And yes, it doesn't have to happen all the time. It can be intermittent.

Here is what I suggest. If you haven't already, confirm the battery terminals are both clean and tight. Check for corrosion around where they connect to the battery. See if you are able to turn them back and forth at all. The first link above that I attached will help guide you.

If you find that isn't the problem, check the connections at the starter. Do the same thing. Make sure they are clean and tight.

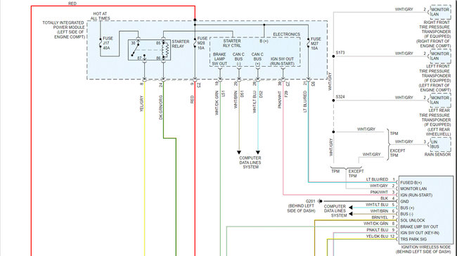
If they are, then the next thing I would recommend is checking the main ground that runs from the battery to the left side of the transmission. That ground could be corroded or loose.

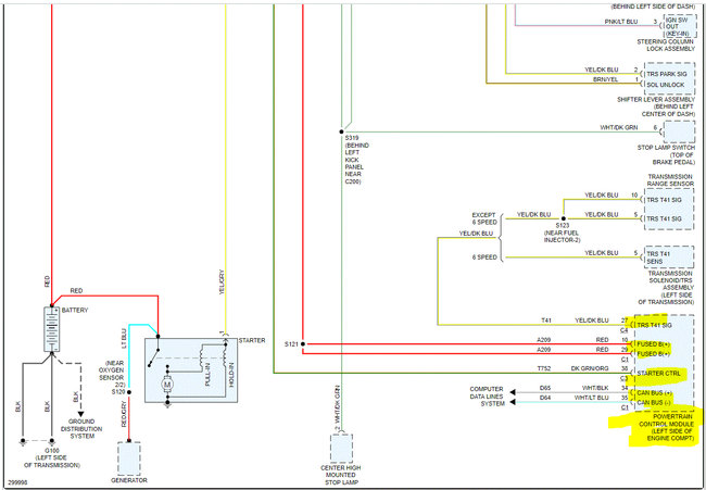
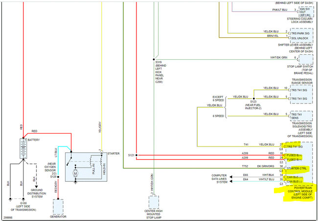
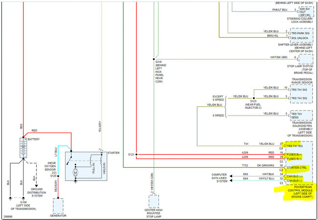
Pic 1 below shows the wiring schematic for ground. That is the primary one I am concerned about. If you follow the ground from the battery, it will lead you to where it is bolted on. I attached the best pic I could find to show you what you are looking for. (Pic 2).

Disconnect the battery first, then disconnect the ground where it is bolted to the transmission. Take sandpaper and clean all the connection locations for it.

Let me know if this helps or if you have other questions.

Take care,

Joe

See pics below.
Was this
answer
helpful?
Yes
No
Saturday, April 24th, 2021 AT 7:33 PM
Tiny
TIFFANY NICOLE DAVIDSON
  • MEMBER
  • 11 POSTS
Update: I went to an electrical shop and they said it was the PCM. What's that?
Was this
answer
helpful?
Yes
No
Sunday, April 25th, 2021 AT 9:23 AM
Tiny
JACOBANDNICKOLAS
  • MECHANIC
  • 110,194 POSTS
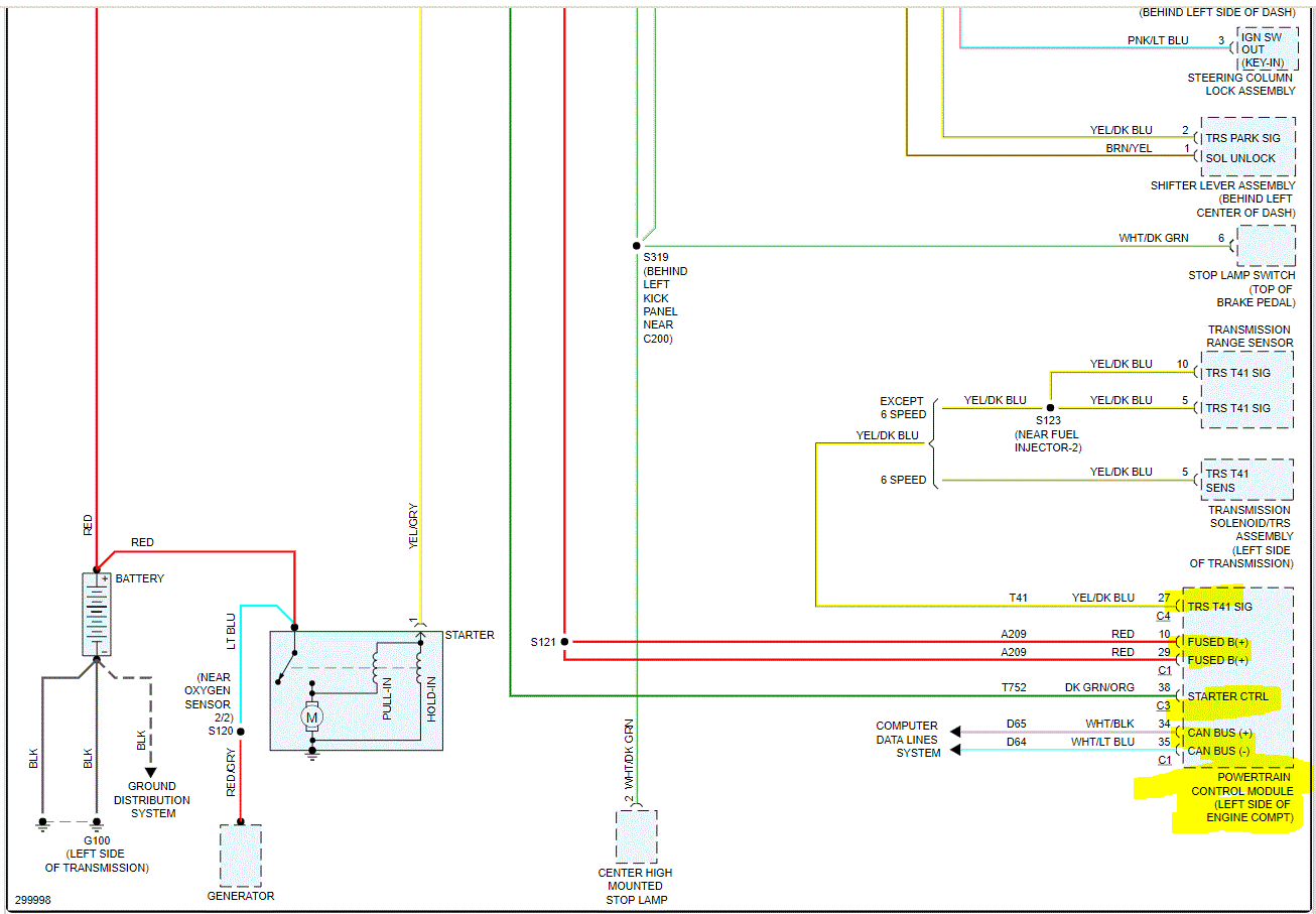
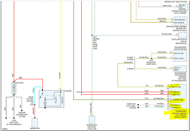
PCM stands for powertrain control module. This is like the main computer, the vehicle's brain. It receives signals from multiple different sensors and other modules to ensure the vehicle is running properly.

It could be the cause. Did they spend any time diagnosing it? Also, were there any diagnostic trouble codes mentioned?

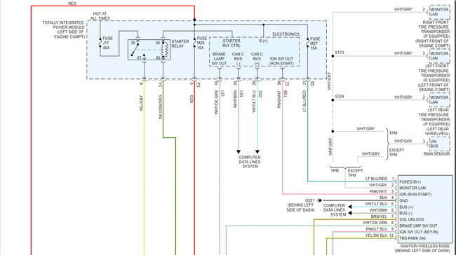
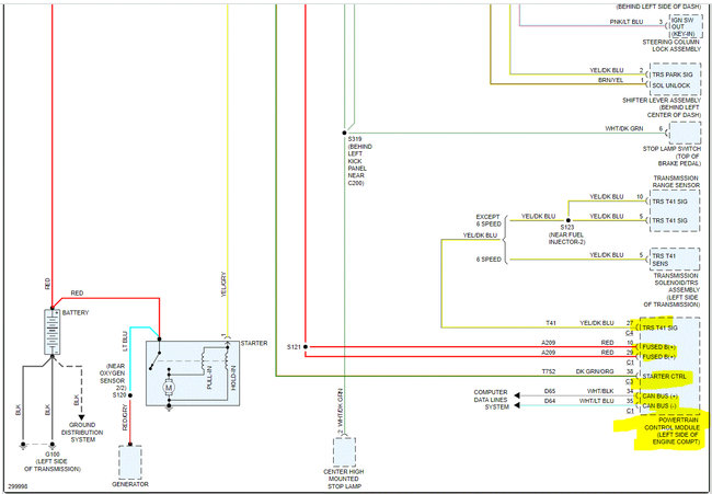
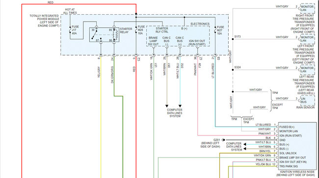
I attached two pics below of the starting system wiring schematic. If you look at the second pic, I highlighted the PCM so you can see how it is tied into the starting system.

Let me know if you have other questions.

Take care,

Joe

See pics below.
Was this
answer
helpful?
Yes
No
Sunday, April 25th, 2021 AT 6:43 PM
Tiny
TIFFANY NICOLE DAVIDSON
  • MEMBER
  • 11 POSTS
Him so I got my van back from the electric shop and they couldn't find anything wrong. But what I've noticed is that my key fob can start the van up but not the key itself in the ignition. Why is that?
Was this
answer
helpful?
Yes
No
Tuesday, April 27th, 2021 AT 1:29 PM
Tiny
TIFFANY NICOLE DAVIDSON
  • MEMBER
  • 11 POSTS
My key fob has the remote control starter on it.
Was this
answer
helpful?
Yes
No
Tuesday, April 27th, 2021 AT 1:31 PM
Tiny
JACOBANDNICKOLAS
  • MECHANIC
  • 110,194 POSTS
Hi Tiffany,

What I need you to do is have the can-bus scanned. CAN stands for controller area network. Basically, all the modules/computers are tied together via a few wires. By scanning the can, it will identify if there are codes in any of the modules. There is a chance it is the switch itself, but we don't want to start replacing parts until we are sure.

Here is a video showing how it is done. I don't know if they tried this at the shop, but this is where I would start. Also, I'm surprised nothing was found. Something is causing it to fail.

https://youtu.be/u-4syLc-ifQ

Let me know if this has been done. If it was, let me know the results.

Take care,

Joe
Was this
answer
helpful?
Yes
No
Tuesday, April 27th, 2021 AT 7:12 PM

Please login or register to post a reply.