Taillights not working?

Tiny
SLYTLYUSED
  • MEMBER
  • 2001 CHEVROLET SILVERADO
  • 6.0L
  • V8
  • 4WD
  • AUTOMATIC
  • 250,000 MILES
I have brake lights but no running lights (they have the same bulb together) and I don't have rear license plate lights.
Thursday, June 29th, 2023 AT 5:59 PM

1 Reply

Tiny
JACOBANDNICKOLAS
  • MECHANIC
  • 110,192 POSTS
Hi,

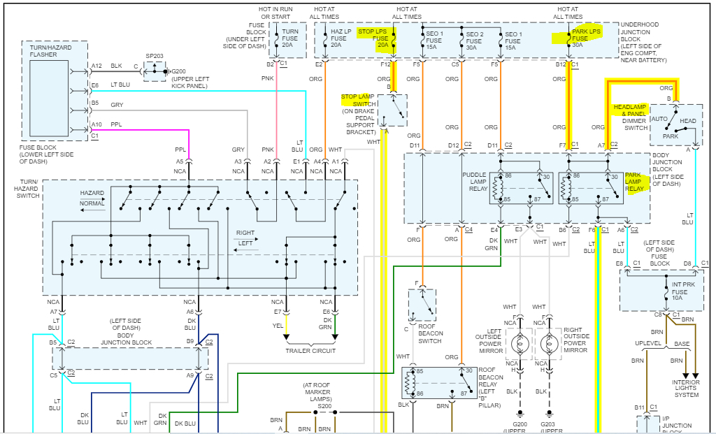
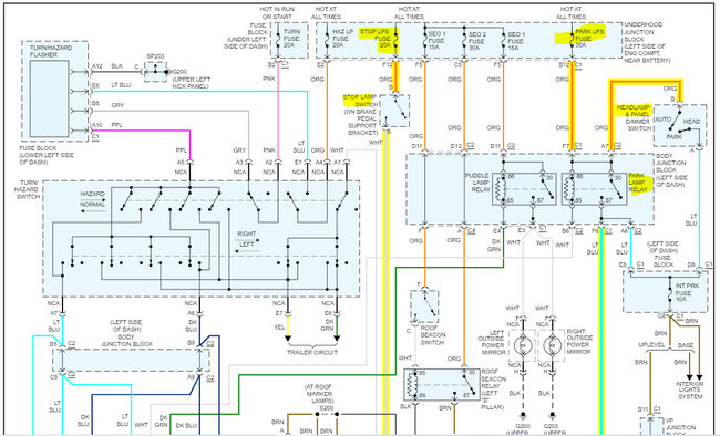
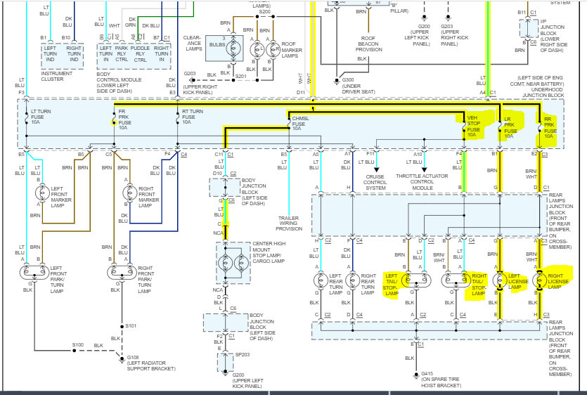
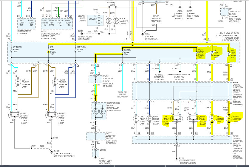
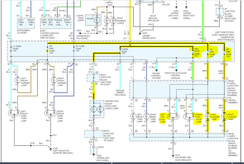
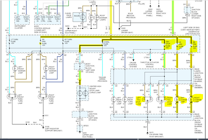
I attached the wiring schematic below for your review. Note: I highlighted the brake lamp wiring in error. Just ignore that.

I'm not sure who designed this one, but there are multiple fuses, relays, and so on that are part of the circuit. What I need you to do is this.

First, even if the brake lamps work, keep in mind the bulb is a dual-element bulb. The parking lamp element could have failed, and the brake lamps still work.

Next, check the fuses. There is one parking lamp fuse under the hood (30 amp) and there are two, one for each side, parking lamp fuses (10 amp).

Check these. Note the smaller amperage fuses should only have power when the lights are turned on.

When you check the fuses, it is also important to confirm there is power to and from the fuse.

Here is a link you may find helpful:

https://www.2carpros.com/articles/how-to-check-a-car-fuse

Start with this and let me know what you find.

Take care,

joe

See pics below.
Was this
answer
helpful?
Yes
No
Thursday, June 29th, 2023 AT 11:47 PM

Please login or register to post a reply.