Friday, May 21st, 2021 AT 7:52 PM
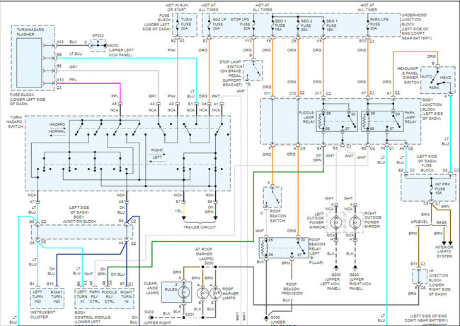
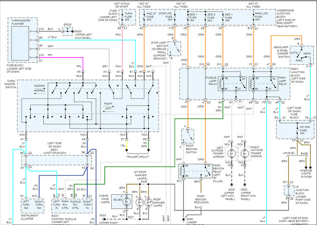
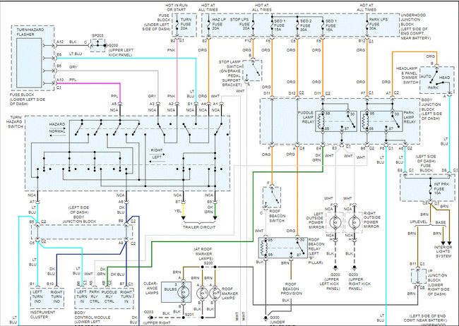
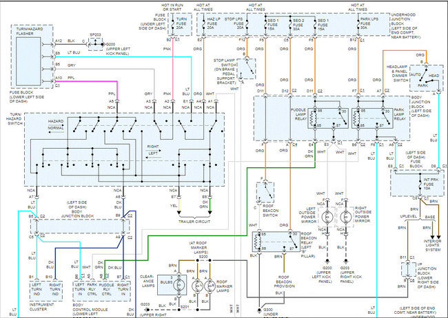
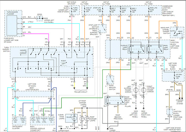
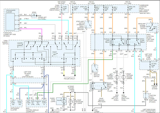
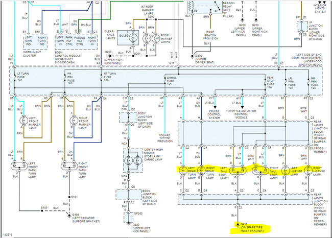
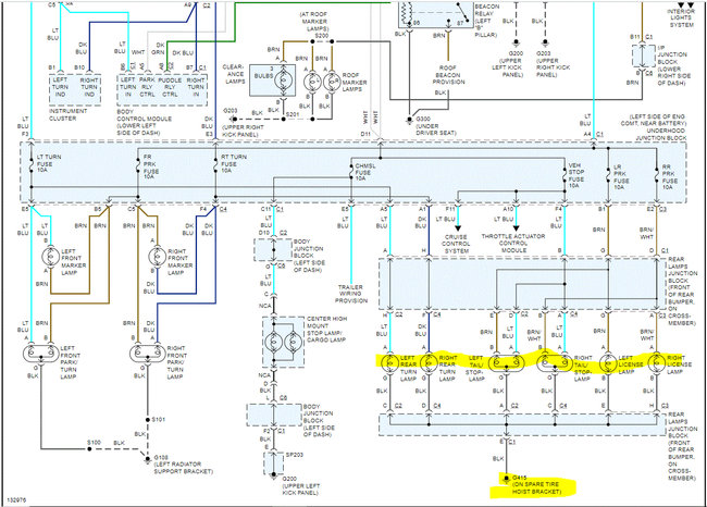
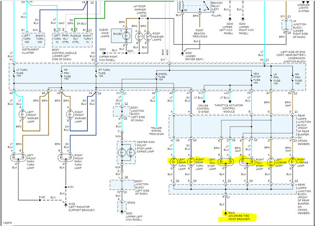
I am working on a custom truck that has had the taillights shaved. When they did this they removed the tail light wiring harness and junction box. I'm trying to wire in custom lights (led strip) and the problem I'm having is all the wiring shows me to wire everything to the left side. If I do this I'm getting brake lights or left turn signal but not both. If I run a jumper wire to make both work it is back feeding to the dash turning on the turn signal indicator light and an odd buzz.









