Tail Lights not working

Tiny
JEFFJ
  • MEMBER
  • 2014 GMC SIERRA
  • 5.3L
  • V8
  • 4WD
  • AUTOMATIC
  • 55,355 MILES
One tail light went out, few months later the other went out.
Finally got around to replace both bulbs ( W5W with 2875 ).

Still no lights working. Checked all fuses, none blown.

Please help
Sunday, June 5th, 2016 AT 6:33 PM

4 Replies

Tiny
SATURNTECH9
  • MECHANIC
  • 30,869 POSTS
Have you checked to see if your missing the power side or the ground side?
Was this
answer
helpful?
Yes
No
-1
Sunday, June 5th, 2016 AT 10:17 PM
Tiny
JEFFJ
  • MEMBER
  • 36 POSTS
When I can answer that, I will have problem fixed.
The two separate bulb harnesses are wrapped nicely in looms.
Where is their power and ground source? Then I will be able to resolve the issue.
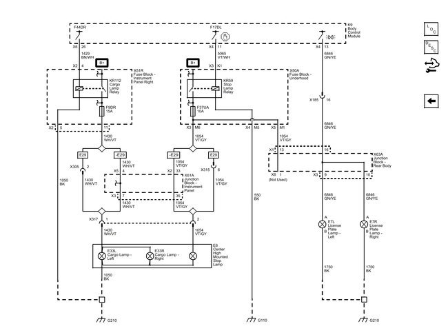
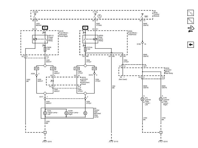
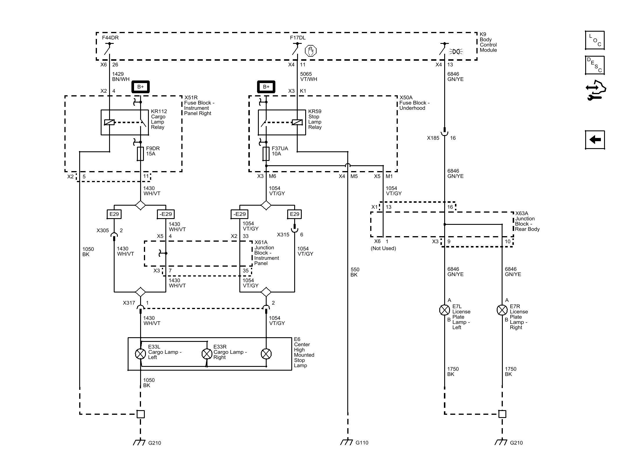
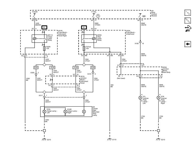
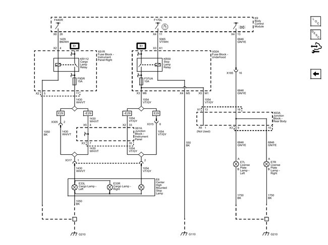
Do you have access to a schematic? That will allow me to trace down to the point of your reply.
Thank you for the reply.
Was this
answer
helpful?
Yes
No
Monday, June 6th, 2016 AT 1:50 AM
Tiny
MHPAUTOS
  • MECHANIC
  • 31,937 POSTS
You can check for power and earth at the globe socket, start there.
Was this
answer
helpful?
Yes
No
Monday, June 6th, 2016 AT 1:56 AM
Tiny
SATURNTECH9
  • MECHANIC
  • 30,869 POSTS
There you go.
Was this
answer
helpful?
Yes
No
Monday, June 6th, 2016 AT 12:58 PM

Please login or register to post a reply.