Replaced my steering column now my truck does not want to crank?

Tiny
EMILY.BLACKMON
  • MEMBER
  • 1992 CHEVROLET TRUCK
  • 4.2L
  • 6 CYL
  • 2WD
  • MANUAL
  • 225,000 MILES
I replaced my steering column now my truck does not want to crank.
Friday, October 12th, 2018 AT 6:46 AM

1 Reply

Tiny
KASEKENNY
  • MECHANIC
  • 18,907 POSTS
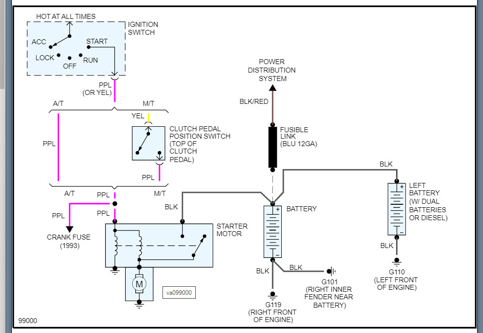
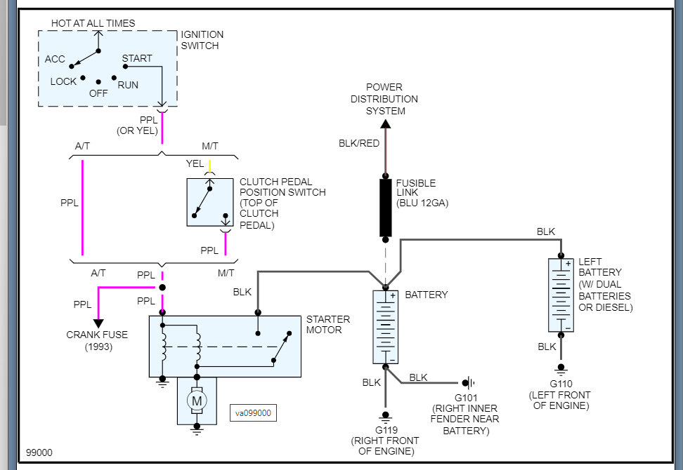
There are a number of things that could have happened from a faulty switch in the replacement column or a connection issue.

So, let's start with the basics. We need to check the voltage coming out of the switch and you can do this at the starter or the switch.

You should have 12 volts on the purple wire when you are cranking the engine.

https://www.2carpros.com/articles/how-to-check-wiring

https://www.2carpros.com/articles/how-to-use-a-voltmeter

I am attaching the info below on this including the wiring diagram so let's run through this and let me know what you find.

Let me know if you have questions. Thanks
Was this
answer
helpful?
Yes
No
Wednesday, December 15th, 2021 AT 3:14 PM

Please login or register to post a reply.