Engine will not turn over

Tiny
MIKELATHUM
  • MEMBER
  • 1986 CHEVROLET TRUCK
  • 12,500 MILES
I have a K-10 pickup with 305 and automatic transmission. The truck has been starting and running fine. Now the truck wont turn over or click at all. Had battery checked and it was fine. Jumped across neutral start switch and it was fine and checked all connections from battery to starter. When you turn the ignition to the start position, the gauge lights on the instrument panel comes on but the truck will not do anything. Suggestions?

Thanks,
Mike
Monday, September 10th, 2012 AT 8:29 PM

42 Replies

Tiny
ISLAND_PRIDE71
  • MEMBER
  • 62 POSTS
Hello,

Is does sounds like the ignition or neutral safety switch has gone bad. But to confirm the problem we must test for power at the neutral switch and ignition switch. Here is a guide to show you how:

https://www.2carpros.com/articles/how-to-use-a-test-light-circuit-tester

and

https://www.2carpros.com/articles/how-a-neutral-safety-switch-works

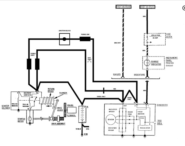
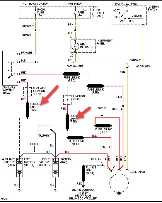
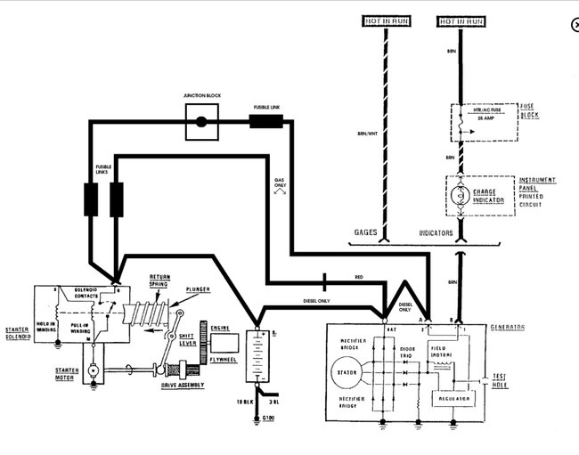
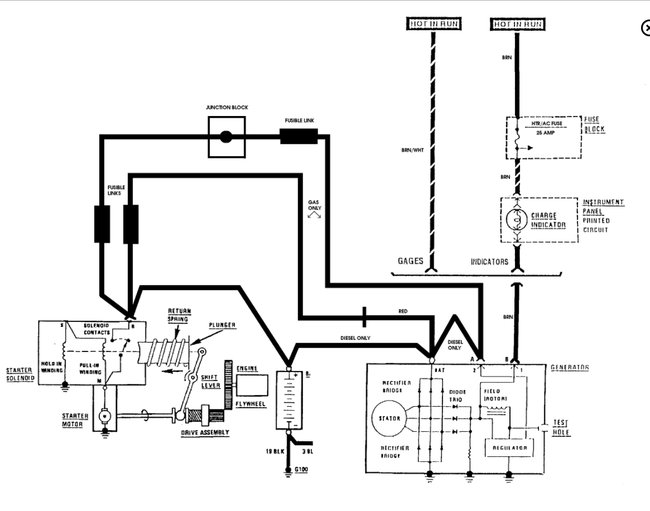
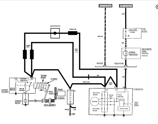
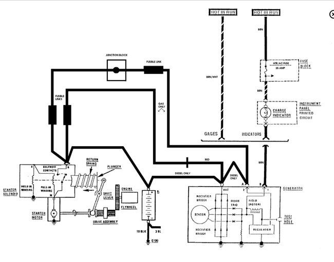
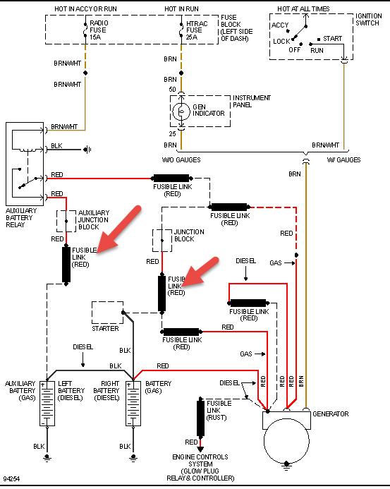
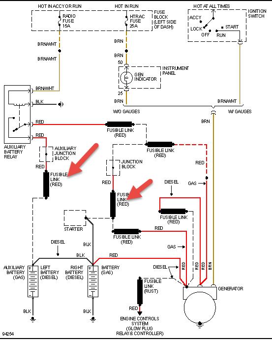
I thought I would include the starter wiring diagrams just in case. (Below)

Cheers!
Was this
answer
helpful?
Yes
No
+7
Monday, September 10th, 2012 AT 8:36 PM
Tiny
CARADIODOC
  • MECHANIC
  • 34,489 POSTS
Do not remove the starter to have it tested. That is a lot of work for something that is not likely to be the cause of the problem. Doing guesses like that often causes new additional problems with broken wires and twisted off electrical terminals. They often check fine on the bench when there is no load on them. Remove and/or replace parts only after testing and diagnosis proves they are defective.

You know it is not a starter motor problem if you are not hearing the starter relay click. Battery connections are not the problem if the dash lights are working. If the dash lights go out or the head lights get dim or go out when turning the ignition switch to "crank", then suspect battery connections or starter connections. GM likes to tap off the large battery cable at the starter motor to feed other systems on the truck so if the lights dim or go out, Then check the large starter connection.

For a do-it-yourselfer, a quick check of the starter system is to pop the cover off the starter relay, reinstall it that way, then squeeze the movable contact. The system can be broken down into three circuits, the low, medium, and high-current circuits. If the starter cranks the engine when you squeeze the contact, you'll know the medium and high-current circuits are working and it is the low-current circuit with the neutral safety and ignition switches in it that has the problem. If it still does not crank you will know it is a waste of time to investigate that low-current circuit.
Was this
answer
helpful?
Yes
No
+14
Monday, September 10th, 2012 AT 8:51 PM
Tiny
KEN L
  • MASTER CERTIFIED MECHANIC
  • 55,481 POSTS
When all else fails check the neutral safety switch.

https://www.2carpros.com/articles/how-a-neutral-safety-switch-works

Please let us know if you need anything else to get the problem fixed.

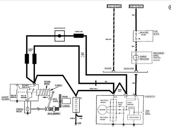
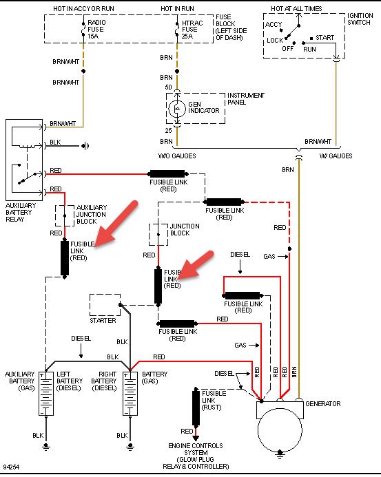
Here are some more diagrams I found (below)

Cheers, Ken

Was this
answer
helpful?
Yes
No
+4
Tuesday, November 7th, 2017 AT 6:14 PM
Tiny
DLAW9737
  • MEMBER
  • 2 POSTS
  • 1986 CHEVROLET TRUCK
Electrical problem
1986 Chevy Truck V8 Four Wheel Drive Automatic 130K miles

While driving down the road there was an audible "POP" from somewhere in the front center part of the cab. I believe it was from the firewall since I did not smell or see anything else. The truck immediately had symptoms as though it was running out of gas and died. I pulled over, checked the obvious ie; fuses, battery cables, starter wires. I had to tow the truck home, it was the first time the truck laid down in the 24 years I owned the truck. After arriving at home I realized that everything worked except the 1. Emergency flashers 2. Radio 3. Dash "idiot" lights 3. Ignition. Any help would be appreciated. My wife says "SELL IT FOR SCRAP."
Was this
answer
helpful?
Yes
No
-1
Tuesday, November 7th, 2017 AT 6:19 PM (Merged)
Tiny
INTERNETMECHANIC
  • MECHANIC
  • 700 POSTS
Does it crank ok? If so, have a helper crank it, while you visually check for spark at the plugs.

Check the voltage feed at the ignition switch, red wires, should be hot, gets feed from battery fusible link.


https://www.2carpros.com/forum/automotive_pictures/512072_86_chevy_ignition_switch_1.jpg

Was this
answer
helpful?
Yes
No
-1
Tuesday, November 7th, 2017 AT 6:19 PM (Merged)
Tiny
DLAW9737
  • MEMBER
  • 2 POSTS
The truck will not turn over at all. There is no sign of the ignition even being turned over on the instrument panel, gauges and all. I am dead on the side of the road.
Was this
answer
helpful?
Yes
No
+2
Tuesday, November 7th, 2017 AT 6:19 PM (Merged)
Tiny
INTERNETMECHANIC
  • MECHANIC
  • 700 POSTS
Yeah, I'd start by checking feed to the ignition switch. Maybe you can get somebody to help you drag it home, tow rope, or call a tow-truck. Then you can work on it at your leisure.
Was this
answer
helpful?
Yes
No
Tuesday, November 7th, 2017 AT 6:19 PM (Merged)
Tiny
COWBOY12
  • MEMBER
  • 1 POST
  • 1986 CHEVROLET TRUCK
  • 6 CYL
  • 2WD
  • AUTOMATIC
  • 150,000 MILES
Electrical problem
1986 Chevy Truck 6 cyl Two Wheel Drive Automatic 150000 miles

I turn the key. It makes a clicking sound, but it will not cranck up. How do I make it start?
Was this
answer
helpful?
Yes
No
+2
Tuesday, November 7th, 2017 AT 6:19 PM (Merged)
Tiny
RASMATAZ
  • MECHANIC
  • 75,992 POSTS
Check the battery condition and connections if okay could be one of the following starter, park and neutral switch and ignition switch
Was this
answer
helpful?
Yes
No
Tuesday, November 7th, 2017 AT 6:19 PM (Merged)
Tiny
AMNCLEARY
  • MEMBER
  • 1 POST
  • 1986 CHEVROLET TRUCK
  • 5.7L
  • V8
  • RWD
  • AUTOMATIC
  • 197,658 MILES
I have narrowed it down to either a bad ignition or wire that runs from starter to the key. I know this because I ran a wire from the starter ignition point to the battery and it fired right up. So either wiring is bad or something in the steering column. Any suggestions?
Was this
answer
helpful?
Yes
No
+2
Tuesday, November 7th, 2017 AT 6:19 PM (Merged)
Tiny
HMAC300
  • MECHANIC
  • 48,601 POSTS
Check the fusible links that run off of battery for being burn up see pic
Was this
answer
helpful?
Yes
No
+1
Tuesday, November 7th, 2017 AT 6:19 PM (Merged)
Tiny
LOVE_OLD_TRUCKS
  • MEMBER
  • 2 POSTS
  • 1986 CHEVROLET TRUCK
Engine Mechanical problem
1986 Chevy Truck V8 Four Wheel Drive Manual

Hello. I have a rebuilt 1986 chevy 1/2 ton 4x4, with a 305 engine. anyway my problem is i flushed and re did the antifreeze. some antifreeze spilled onto the engine and i used a garden hose to wash the engine. now when i turn the key it will not start. I just replaced the ignition module and made sure the inside of the distributor was dry. but i still have no luck..... any ideas???

Oh and before you ask there is plenty of gas in the tank, and i could smell and see a spray of gas into the carburetor.

Thanks for your help!


https://www.2carpros.com/forum/automotive_pictures/433410_0428091901_1.jpg

Was this
answer
helpful?
Yes
No
+1
Tuesday, November 7th, 2017 AT 6:19 PM (Merged)
Tiny
JEEPFAN
  • MECHANIC
  • 135 POSTS
Are you getting fire to the plugs?
Was this
answer
helpful?
Yes
No
+1
Tuesday, November 7th, 2017 AT 6:19 PM (Merged)
Tiny
LOVE_OLD_TRUCKS
  • MEMBER
  • 2 POSTS
I got her running. I cleaned and gaped the spark plugs and WD40 on the ends.

Cheers!
Was this
answer
helpful?
Yes
No
+1
Tuesday, November 7th, 2017 AT 6:19 PM (Merged)
Tiny
LAKER160TH
  • MEMBER
  • 1 POST
  • 1986 CHEVROLET TRUCK
I have a 1986 chevy with a newly built 350. The engine itself has 0 miles on it. I got it running but then had some starter problems. I removed my old starter, installed a new one (properly shimmed) and attempted to start. The truck behaves as if I have a dead battery and my voltage guage does read low. However I do know that my battery is good. When I turn the key the starter engages, but then the truck acts like the battery is dead and nothing happens. I'm feeling like somewhere there is a bad connection, but have not been able to locate one. I hope you can give me some suggestions.
Was this
answer
helpful?
Yes
No
+1
Tuesday, November 7th, 2017 AT 6:19 PM (Merged)
Tiny
RASMATAZ
  • MECHANIC
  • 75,992 POSTS
Check all connections from the battery to engine to starter-do a voltage drop on the cable

Or could be a tight engine that needs help to crank over such as removing the plugs and spraying WD-40 to loosen it up. I just hope its done right rebuilding it. I've seen 283/307/350/454/351/360/390/460 won't even budge when crank over because the rebuilding process wasn't followed accordingly. Its like the engine seiged or frozen stiff.

Good Luck

Good Luck
Was this
answer
helpful?
Yes
No
Tuesday, November 7th, 2017 AT 6:19 PM (Merged)
Tiny
CAPTDYNAMITE
  • MEMBER
  • 1 POST
  • 1986 CHEVROLET TRUCK
Electrical problem
1986 Chevy Truck V8 Four Wheel Drive Automatic unknow miles

When I turn the key all dash messages come up as normal and I can hear the starter solenoid switch, yet the starter and engine will not turn over. It appeared that I had full electrical power before cranking but after, I have no power whatsoever. After a few minutes, power will come back on, but the same thing happens when I try to crank again, I lose power. As if the battery was disconnected. I used a simple voltage detector to check that the battery has power and it does. I have power going to the starter and alternator and a good ground at the battery. I removed the starter and jumped it off the battery and the solenoid seemed to engage the starter throwing out the armature and all. Could a badd starter/solenoid cause the complete loss of elec. Power like that? What can I do to fix the problem or even point me down the right path to find out what the problem is?
Was this
answer
helpful?
Yes
No
+2
Tuesday, November 7th, 2017 AT 6:19 PM (Merged)
Tiny
RASMATAZ
  • MECHANIC
  • 75,992 POSTS
Do a battery capacity test-disable the ignition -use the starter as a loading device-hook the meter to the battery terminals-now crank engine for 10secs-while you read the meter-it should read 9.6volts or better within that 10secs if not replace the battery.
Was this
answer
helpful?
Yes
No
Tuesday, November 7th, 2017 AT 6:19 PM (Merged)
Tiny
THURROTTSC
  • MEMBER
  • 1 POST
  • 1986 CHEVROLET TRUCK
I have already changed the starter multiple times, the solenoid has also been changed just as many times, changed batteries, even tried a battery from a tractor trailer, checked all wiring and everything is hooked up, changed ignition switch, the motor will roll but not fast enough to create a spark or fire
Was this
answer
helpful?
Yes
No
Tuesday, November 7th, 2017 AT 6:19 PM (Merged)
Tiny
MERLIN2021
  • MECHANIC
  • 17,250 POSTS
Did you put all the shims back? Slow crank can be that or timing too far advanced, bad battery cables.
Was this
answer
helpful?
Yes
No
Tuesday, November 7th, 2017 AT 6:19 PM (Merged)

Please login or register to post a reply.