Does not start

Tiny
DUSTINSMITH
  • MEMBER
  • 2005 CHEVROLET SILVERADO
  • 4.3L
  • 6 CYL
  • 2WD
  • AUTOMATIC
  • 252,000 MILES
I bought brand new starter, brand new battery, but still when I turn on the key to start the truck it will not start.
Saturday, April 2nd, 2022 AT 7:38 PM

1 Reply

Tiny
JACOBANDNICKOLAS
  • MECHANIC
  • 110,194 POSTS
Hi,

Is the starter not engaging when you turn the key, or does it turn the engine and the engine fail to start?

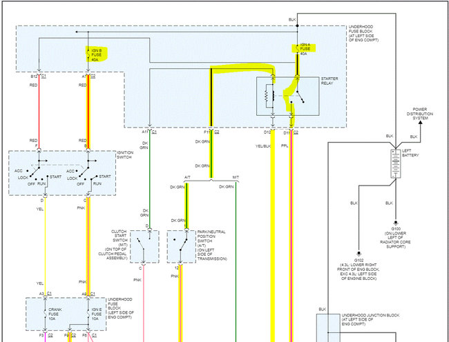
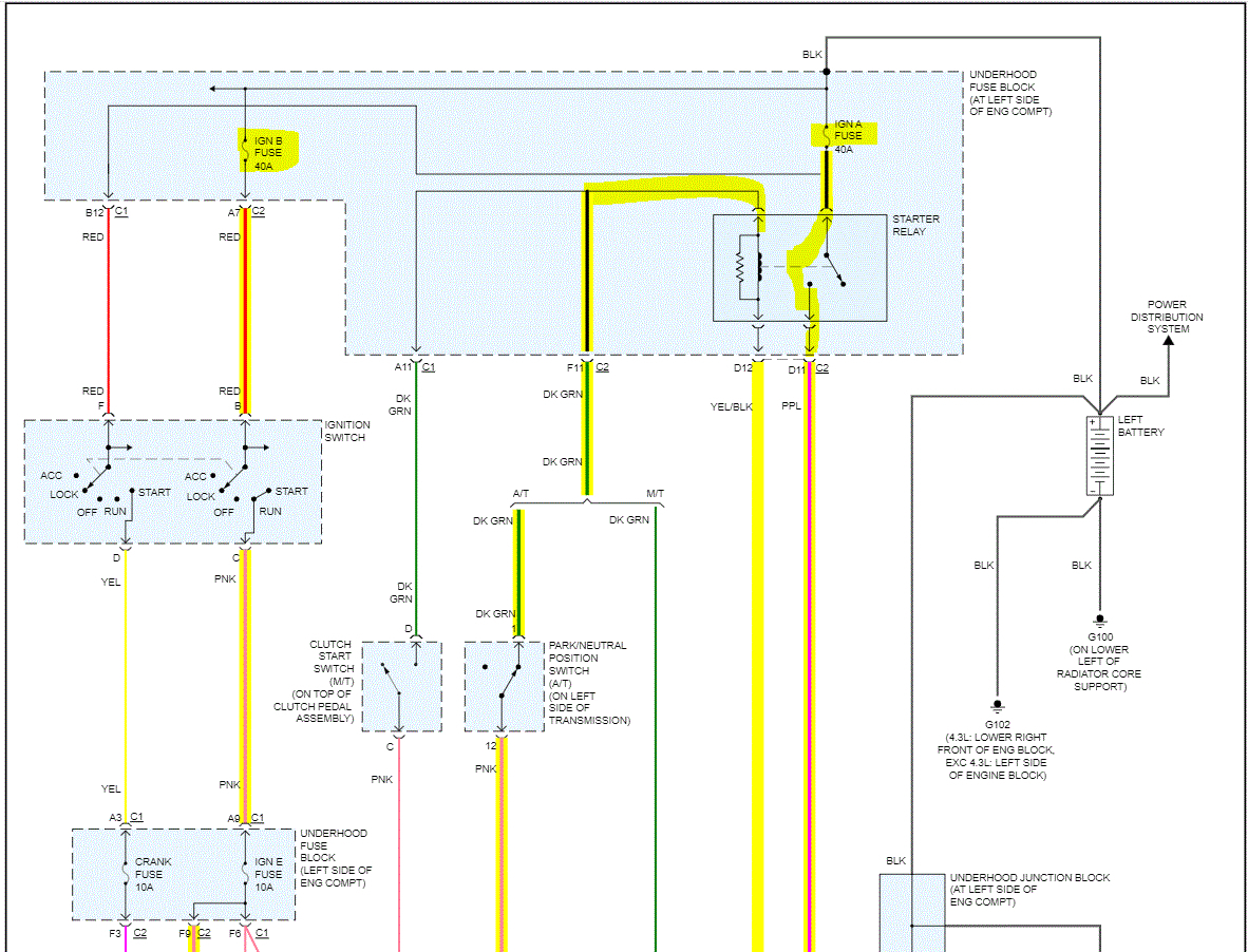
If the starter isn't engaging, it could be a few things. First, I attached the wiring schematic below of the starting system. Take a look through it.

In the under-hood fuse box, I need you to check the ignition A and ignition B fuses. In addition to checking the fuse, confirm there is power to them. Here is a link you may find helpful:

https://www.2carpros.com/articles/how-to-check-a-car-fuse

If both fuses are good and have power, I need you to check the starter relay. It is in the same box. Switch it with another relay having the same part number to see if it makes a difference. If there isn't one, here is a link that explains how to test one:

https://www.2carpros.com/articles/how-to-check-an-electrical-relay-and-wiring-control-circuit

If that tests good as well, I need you to go to the starter motor. There will be a heavy gauge wire that has 12v all the time directly from the battery. There will be a smaller wire that is purple in color. It should only get 12v when the key is in the start position. Have a helper turn the key to the start position while you check for power to that wire.

Here is one more link you may find helpful:

https://www.2carpros.com/articles/starter-not-working-repair

Let me know what you find or if there is anything I can do to help.

Take care,

Joe

See pics below. Note: The schematic was cut in half to make it readable for you. I did overlap them. Also, the last pic shows the fuses and relay to check in the under-hood fuse box.
Was this
answer
helpful?
Yes
No
Saturday, April 2nd, 2022 AT 11:09 PM

Please login or register to post a reply.

Related Engine Not Running Content

Car Cranking but Not Starting? Try This
VIDEO