Does not start?

Tiny
STEVE LECKEY
  • MEMBER
  • 2007 CHEVROLET SUBURBAN
  • 0.5L
  • V8
  • 4WD
  • AUTOMATIC
  • 200,000 MILES
Try starting does nothing fuel pump works take key out ignition lights stay on.
Sunday, November 6th, 2022 AT 10:24 AM

1 Reply

Tiny
JACOBANDNICKOLAS
  • MECHANIC
  • 110,194 POSTS
Hi,

I believe you mean the starter isn't engaging, correct? When you turn the key to start, is there any noise from the starter motor? For example, do you hear a click?

If it is the starter, first, make sure the battery terminals are clean and tight. If they are, I need you to check fuse 65 in the under-hood fuse box. It is also important that you check for power, even if the fuse is good.

Here is a link you may find helpful:

https://www.2carpros.com/articles/how-to-check-a-car-fuse

If the fuse is good and has power, remove the starter relay in the same box and switch it with one having the same part number. If there isn't one, here is a link that explains how to test it.

https://www.2carpros.com/articles/how-to-check-an-electrical-relay-and-wiring-control-circuit

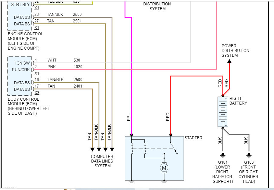
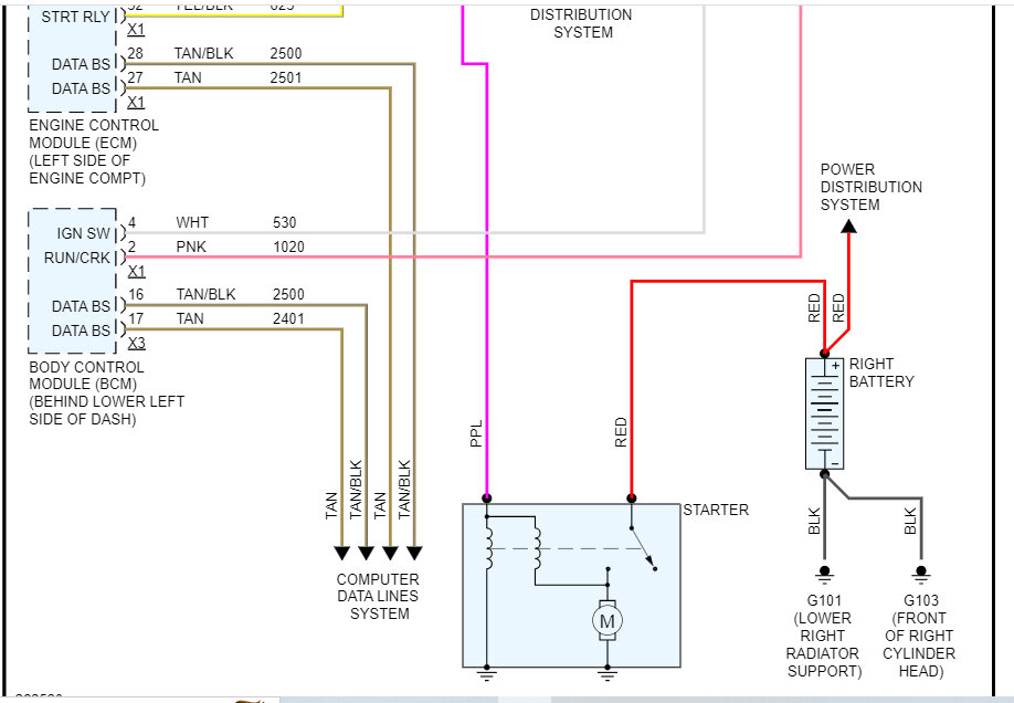
I attached the wiring schematic below, so you have a reference. Let me know what you find. Also, if I am wrong and the starter is working, let me know that as well.

Take care,

Joe

See pics below.
Was this
answer
helpful?
Yes
No
Sunday, November 6th, 2022 AT 9:38 PM

Please login or register to post a reply.