My engine will not crank over why?

Tiny
PATTY SAINT
  • MEMBER
  • 2008 FORD RANGER
  • 4 CYL
  • 2WD
  • MANUAL
  • 200,000 MILES
Truck will start if pushed however will not start with the key. Battery is fully charged. Starter was changed and did not resolve the issue.
Saturday, December 21st, 2019 AT 10:37 AM

31 Replies

Tiny
ASEMASTER6371
  • MECHANIC
  • 52,796 POSTS
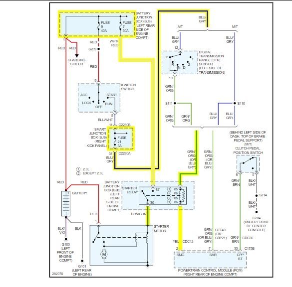
Good afternoon,

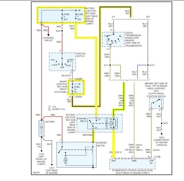
Do you have a test light to do some testing? I have attached a wiring diagram for you to view and we need to do some checks to see where the failure is located. This guide can help us fix it

https://www.2carpros.com/articles/starter-not-working-repair

Please run down this guide and report back.
Was this
answer
helpful?
Yes
No
+1
Saturday, December 21st, 2019 AT 10:48 AM
Tiny
PATTY SAINT
  • MEMBER
  • 4 POSTS
Clutch safety switch had a loose wire and fuses needed to be replaced. Thank you for your time. Merry Christmas.
Was this
answer
helpful?
Yes
No
Monday, December 23rd, 2019 AT 6:10 PM
Tiny
ASEMASTER6371
  • MECHANIC
  • 52,796 POSTS
You are welcome.

Always glad to help.

Roy
Was this
answer
helpful?
Yes
No
Monday, December 23rd, 2019 AT 6:12 PM
Tiny
TREADIN
  • MEMBER
  • 1 POST
  • 2007 FORD RANGER
  • 2.3L
  • 4 CYL
  • RWD
  • MANUAL
  • 211,474 MILES
Hey I own a 2007 ford ranger 2.3 liter with a 5 speed manual, it started last October and I took it to a Ford Fact lab and they recommended a new battery. I put a new battery in it and it worked just fine for a few months but now it will not start. Whenever I am driving my tach, speedometer, and coolant gauge all quit working. My odometer will read and wont tell me my miles. If I shut it off in this condition it will not start the security light just flashes, and the truck will not crank. Help please.
Was this
answer
helpful?
Yes
No
Monday, March 8th, 2021 AT 1:17 PM (Merged)
Tiny
HMAC300
  • MECHANIC
  • 48,601 POSTS
This sounds like the starter is having problems or the battery needs to be load tested these guides can help us fix it.

https://www.2carpros.com/articles/starter-not-working-repair

and

https://www.2carpros.com/articles/car-battery-load-test

Please run down these guides and report back.
Was this
answer
helpful?
Yes
No
+1
Monday, March 8th, 2021 AT 1:17 PM (Merged)
Tiny
DARRON SKINNER
  • MEMBER
  • 3 POSTS
  • 2007 FORD RANGER
  • 4 CYL
  • 2WD
  • AUTOMATIC
  • 968,947 MILES
Moved truck to cut grass & when I went to move back it was dead. No lights or anything electric. The only noise is a clicking in the fuse panel under dash board, that is semi continual like a blinker. This noise starts & stops on its own regardless if the keys or you are in truck.

No fuses are blown & the (Pos Bat Terminal) goes to ground. I have the Bat leads disconnected & can find no place where a wire is shorted & bare against frame or ground?

The Bat is disconnected & reads over 10 volts & a Bat charger reads fully charged.
Was this
answer
helpful?
Yes
No
Monday, March 8th, 2021 AT 1:17 PM (Merged)
Tiny
WRENCHTECH
  • MECHANIC
  • 20,761 POSTS
Hello,

it sounds like you may have a weak battery here are two guides to help us find the problem

https://www.2carpros.com/articles/starter-not-working-repair

and

https://www.2carpros.com/articles/car-battery-load-test

Please run down these guides and report back.

Was this
answer
helpful?
Yes
No
Monday, March 8th, 2021 AT 1:17 PM (Merged)
Tiny
DARRON SKINNER
  • MEMBER
  • 3 POSTS
Yes!
The Bat is disconnected & reads over 10 volts & a Bat charger reads fully charged.
(Pos Bat Terminal) goes to ground with just neg Bat lead connected. The Pos Bat Lead goes to ground even when it is disconnected.
I have the Bat leads disconnected & can find no place where a wire is shorted & bare against frame or ground?
Was this
answer
helpful?
Yes
No
Monday, March 8th, 2021 AT 1:17 PM (Merged)
Tiny
WRENCHTECH
  • MECHANIC
  • 20,761 POSTS
10volts is not a good battery. You need to recharge it and have it tested and I don't mean just read the voltage.
Was this
answer
helpful?
Yes
No
Monday, March 8th, 2021 AT 1:17 PM (Merged)
Tiny
DARRON SKINNER
  • MEMBER
  • 3 POSTS
OK Thanks!
That will be my next move.
Was this
answer
helpful?
Yes
No
Monday, March 8th, 2021 AT 1:17 PM (Merged)
Tiny
JH100216
  • MEMBER
  • 1 POST
  • 2006 FORD RANGER
  • 4 CYL
  • 2WD
  • AUTOMATIC
  • 58,000 MILES
Opened cab door first thing this morning and heard clicking sound. Tried to start truck but nothing happened. Tried jumping but still would not start. Verified the lights work for headlights, brakes, and emergency flashers, but turn signals do not work. Could this be electrical issue or could starter could clicking noise even if no key in the ignition?
Was this
answer
helpful?
Yes
No
Monday, March 8th, 2021 AT 1:18 PM (Merged)
Tiny
KEN L
  • MASTER CERTIFIED MECHANIC
  • 55,411 POSTS
Hello,

This sounds like is a classic battery dead problem, here is a test you can do to determine if it is the battery or not.

https://www.2carpros.com/articles/car-battery-dead-overnight

Please let us know what you find so it will help others.

Best, Ken

Was this
answer
helpful?
Yes
No
+1
Monday, March 8th, 2021 AT 1:18 PM (Merged)
Tiny
POSVIBRTN
  • MEMBER
  • 1 POST
  • 2006 FORD RANGER
  • 6 CYL
  • 4WD
  • AUTOMATIC
  • 76,000 MILES
My motor only turns a quarter turn before it comes to a dead stop when we try and start it. Back it off and it will do the same thing again. What does this sound like?
Was this
answer
helpful?
Yes
No
Monday, March 8th, 2021 AT 1:18 PM (Merged)
Tiny
OBXAUTOMEDIC
  • MECHANIC
  • 3,711 POSTS
Hello,

Sounds like either a Battery or Starter Problem.

This sounds like the starter is having problems or the battery needs to be load tested these guides can help us fix it.

https://www.2carpros.com/articles/starter-not-working-repair

and

https://www.2carpros.com/articles/car-battery-load-test

Please run down these guides and report back.

Also when attempting to start at any point does it start clicking? If not most likely it is the starter. Would need to remove and take to parts store for testing.

.
Was this
answer
helpful?
Yes
No
Monday, March 8th, 2021 AT 1:18 PM (Merged)
Tiny
JUSTIN STUDDARD
  • MEMBER
  • 49 POSTS
  • 2006 FORD RANGER
  • 3.0L
  • V6
  • 2WD
  • AUTOMATIC
  • 180,000 MILES
Truck won't start sometimes, it will click once but most of the time it doesn't do anything. Ran perfectly fine all day and then went to go start and nothing. It has happened once before and I wiggled the smaller wires on the positive and negative cable and it started so when I bought a new battery 6 months ago I replace the cables and connectors on smaller wires thinking maybe it was a connection problem. I tried wiggling the wires today and could only get it to click once. Any suggestions on how to narrow this down? I have power. Headlights come on radio runs but when I turn to the on position you can hear it cut out sometimes on all the chiming it does on the on position. Would it be best to have the starter bench checked or replace the wiring? I don't think it's the starter I think it's just a bad or loose connection but I'm not sure where to start.
Was this
answer
helpful?
Yes
No
Monday, March 8th, 2021 AT 1:18 PM (Merged)
Tiny
DANNY L
  • MECHANIC
  • 5,648 POSTS
Hello, I'm Danny.

It sounds like you might be having an issue with the starter motor-starter solenoid. Most auto parts stores will test for free. Here are a few tutorials for you to view on symptoms and replacement for a starter motor assembly:

https://www.2carpros.com/articles/how-a-starter-and-solenoid-works

https://www.2carpros.com/articles/starter-not-working-repair

https://www.2carpros.com/articles/how-to-replace-a-starter-motor

After having tested just back to us with the results and we'll go from there. Hope this helps and thanks for using 2CarPros.
Was this
answer
helpful?
Yes
No
Monday, March 8th, 2021 AT 1:18 PM (Merged)
Tiny
KAPTAIN
  • MEMBER
  • 1 POST
  • 2005 FORD RANGER
  • 6 CYL
  • 2WD
  • AUTOMATIC
  • 90,000 MILES
Clicks but does not start. Battery tests good. Whats wrong?
Was this
answer
helpful?
Yes
No
Monday, March 8th, 2021 AT 1:18 PM (Merged)
Tiny
RENAUDTN
  • MECHANIC
  • 636 POSTS
You could have a loose/corroded battery cable, or the battery may be weak. I know you said it tested good, but did you get it tested at an autopart store?
You could also have a bad starter, or maybe a bad solenoid. This sounds like the starter is having problems or the battery needs to be load tested these guides can help us fix it.

https://www.2carpros.com/articles/starter-not-working-repair

and

https://www.2carpros.com/articles/car-battery-load-test

Please run down these guides and report back.Do you have voltage at the starter when attempting to crank the car? If so, what do you get? (if voltage too low, it won't even engage the starter).
If you don't have voltage at the starter, try to connect the starter directly to the battery. If the starter spin, you could have a bad solenoid.
If the starter doesn't do anything, it's probably bad and you need to replace it (take your starter to a store and have it tested to confirm).
Was this
answer
helpful?
Yes
No
Monday, March 8th, 2021 AT 1:18 PM (Merged)
Tiny
LEVANDOSKY
  • MEMBER
  • 1 POST
  • 2004 FORD RANGER
  • 3.0L
  • 6 CYL
  • 2WD
  • AUTOMATIC
  • 135,000 MILES
Truck was working fine before frame was replaced. Now when I turn the key the speedometer shows my speed as 120 mph, the truck stays in park. Fuel pump won't stop working. Nothing else works. Lights won't come on.
Was this
answer
helpful?
Yes
No
Monday, March 8th, 2021 AT 1:18 PM (Merged)
Tiny
SCGRANTURISMO
  • MECHANIC
  • 4,897 POSTS
Hello,

This sounds like you have a failing ignition switch with a short to power going on somewhere. It could also be in the wiring coming from the ignition switch as well. In the diagrams down below I have a factory troubleshooting guide for the ignition switch, wiring diagrams, and an exploded diagram of the ignition switch and associated wiring.
Please go through them and get back to us with what you find out.

Thanks,
Alex
2CarPros
Was this
answer
helpful?
Yes
No
Monday, March 8th, 2021 AT 1:18 PM (Merged)

Please login or register to post a reply.