Starter problem?

Tiny
SPADESOFACEXXX
  • MEMBER
  • 2007 FORD EXPEDITION
  • 4WD
  • AUTOMATIC
  • 240,000 MILES
Please help. The car wasn't starting. Trying to turn over but wasn't. Assuming it was the starter and just relaxed the whole thing. That didn't work, then it didn't even try to turn over. Nothing. Replaced fuse and 2 relays. Still nothing. When you turn the key, you can hear the relay clicking but nothing else except power to the dash happens. I'm lost.
Thursday, January 13th, 2022 AT 6:06 PM

1 Reply

Tiny
JACOBANDNICKOLAS
  • MECHANIC
  • 110,194 POSTS
Hi,

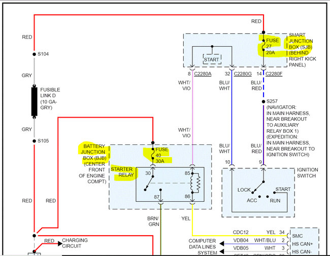
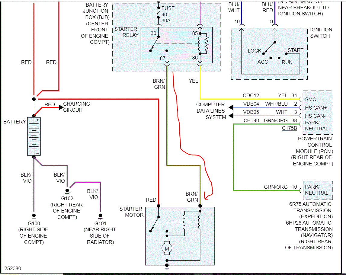
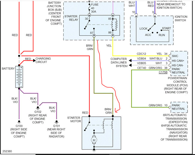
If you are hearing the starter relay click, chances are it isn't a power problem before it. Did you check fuse 40 in the under-hood fuse box? If not, check that. Also, confirm there is power to and from it. Here is a link you may find helpful.

https://www.2carpros.com/articles/how-to-check-a-car-fuse

If the fuse is good, I need you to check for power to the starter motor. At the starter, there will be a large red wire which has 12v at all times. Be careful not to short it. Additionally, there will be a smaller brown wire with a green tracer to the starter. That only gets 12v with the key in the start position. Have a helper turn the key to the start position while you check the smaller wire for 12v. If you get power, the starter is bad. If there is no power, let me know and we'll work backward to see where power is lost.

Here is a link you may find helpful when checking the wiring and checking the starter:

https://www.2carpros.com/articles/how-to-check-wiring

https://www.2carpros.com/articles/starter-not-working-repair

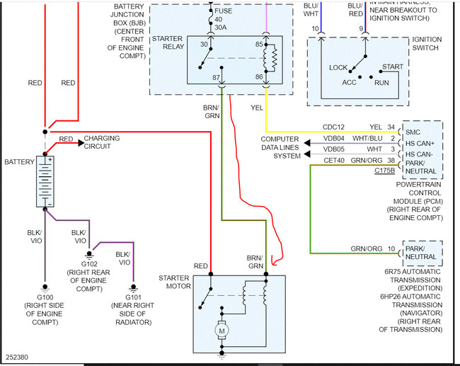
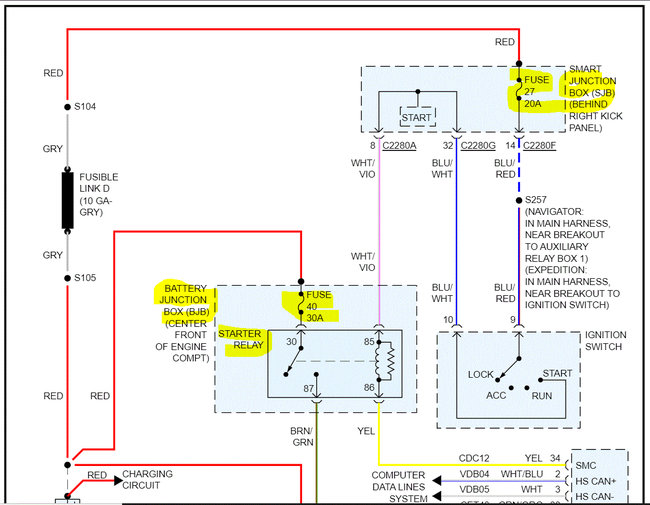
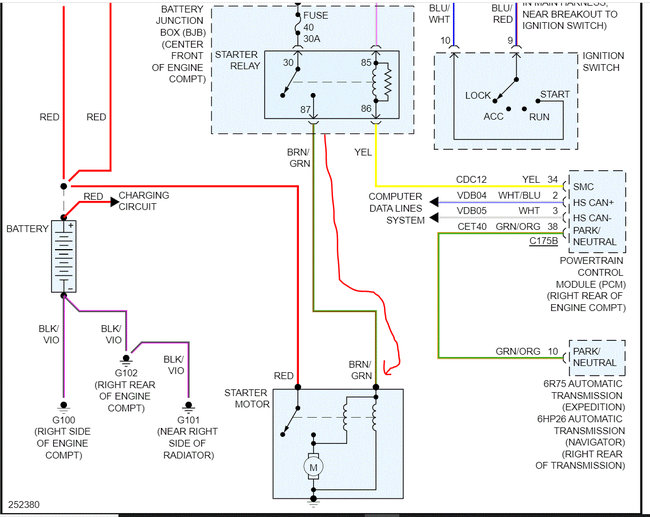
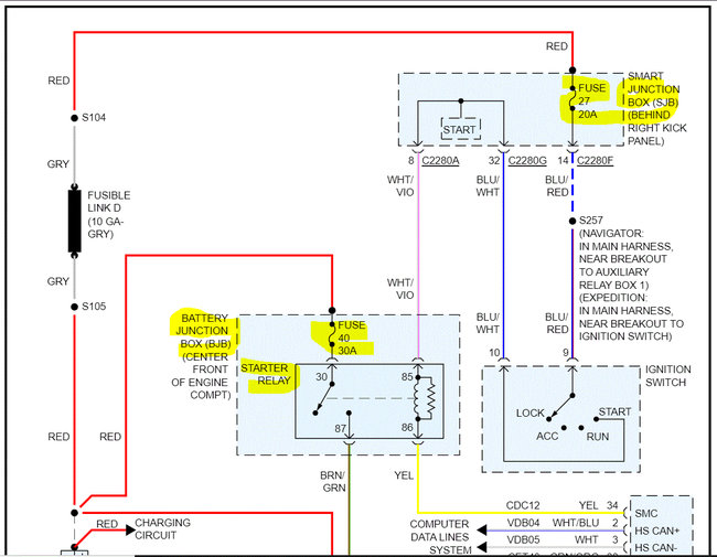
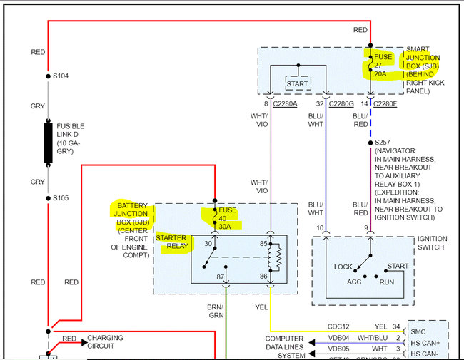
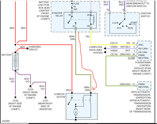
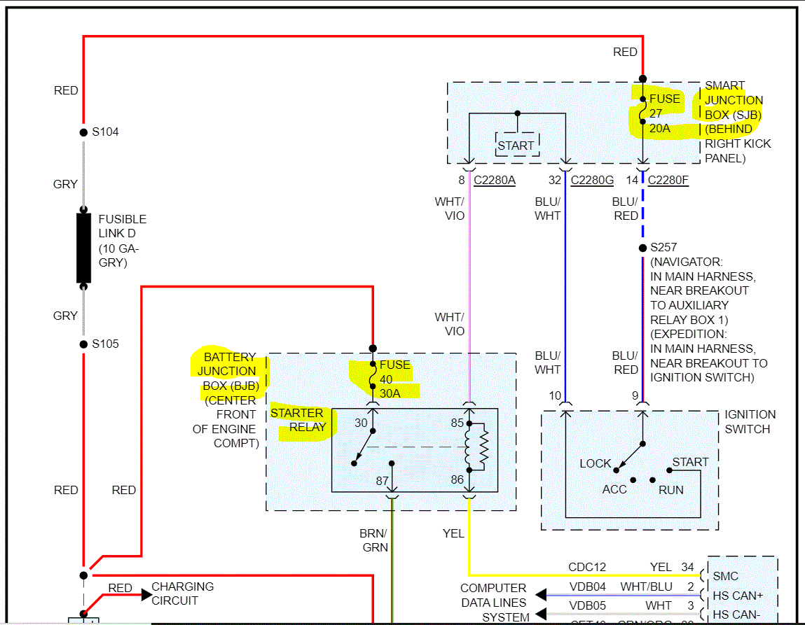
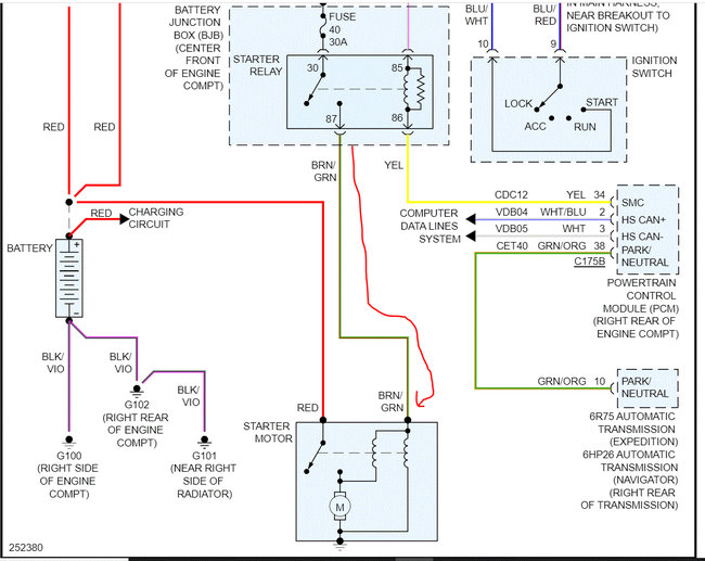
I attached the wiring schematic below for the starter circuit, so you have a reference.

Let me know what you find or if you have other questions.

Take care,

Joe

See pic below.
Was this
answer
helpful?
Yes
No
-1
Thursday, January 13th, 2022 AT 8:37 PM

Please login or register to post a reply.