Stalls after 25 minutes of driving?

1991 BUICK SKYLARK
115,000 MILES
Avatar
DREW74
  • MEMBER
  • 3 POSTS
My car cuts off at idle once I drive for 25 minutes or so. It starts back up no problem but once I put it in any gear except neutral it jerks forward and cuts off again. After 30 minutes or so it drives another 25-30 minutes then repeats.
Aug 2, 2022 at 2:30 PM
Advertisement
Avatar
AL514
  • CAR REPAIR CONTRIBUTOR
  • 5,489 POSTS
Hello, it sounds like you have a component that is failing when it heats up, such as a crankshaft position sensor, an Ignition module etc. What size engine do you have in this vehicle? I can see by the wiring diagrams that the 2.4 liter only has 1 Fuel Injector. Fuel Injectors can fail when hot, and if there's only one, it will definitely cause a stall. You need to be able to catch the problem when it happens and since it sounds very repeatable, it shouldn't be too difficult to see if you're losing spark or possibly Fuel Injector control. So, take a look for the engine size so we can find the correct wiring diagrams. I see listed a 2.3L, 2.4L and a 3.3Liter.

https://www.2carpros.com/articles/stall-at-idle

https://www.2carpros.com/articles/engine-stalls
Aug 2, 2022 at 3:04 PM
Advertisement
Avatar
DREW74
  • MEMBER
  • 3 POSTS
It is a 2.5L, i think.
Aug 2, 2022 at 4:08 PM
Avatar
AL514
  • CAR REPAIR CONTRIBUTOR
  • 5,489 POSTS
Okay, there should be a tag on the underside of the hood that has the engine information. The 2.5 and 2.3liter are both 4-cylinder engines.
And the difference between the 2.5 and 2.3 is the 2.3 will have a Fuel Injector for each cylinder and the 2.5 looks like it only has one fuel injector and a throttle body that will kind of look like a carburetor set up, except it has a fuel injector in the top like the picture below.
Aug 2, 2022 at 4:35 PM
Avatar
DREW74
  • MEMBER
  • 3 POSTS
Yes, it is a 2.5L . A mechanic said it's the coil pack module.
Aug 2, 2022 at 4:38 PM
Avatar
AL514
  • CAR REPAIR CONTRIBUTOR
  • 5,489 POSTS
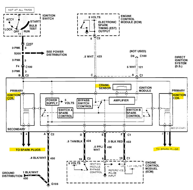
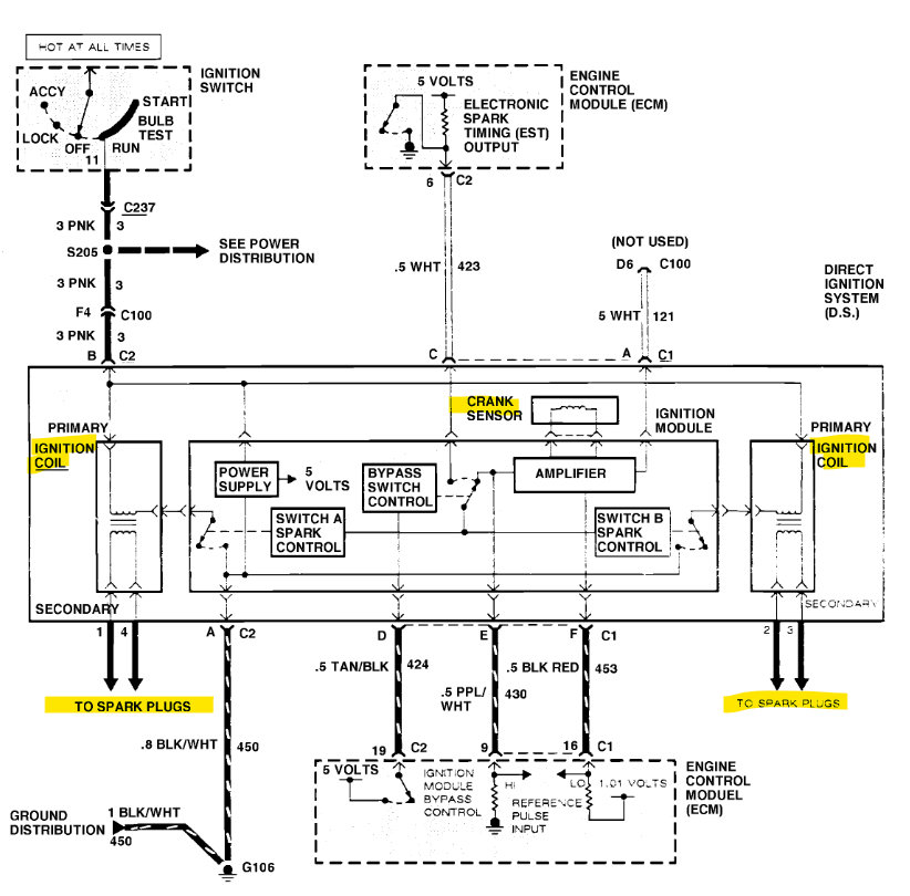
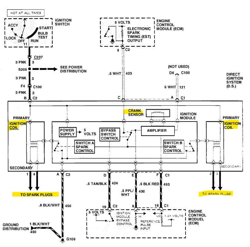
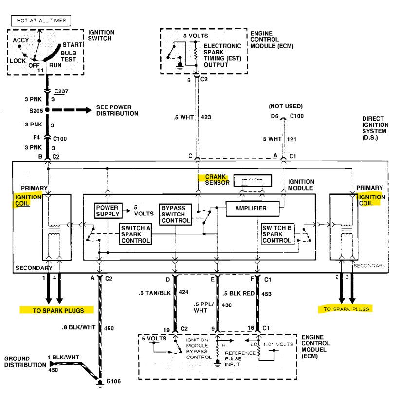
That was my first thought as well. This setup has a Crankshaft Position Sensor built right into it. And with issues related to heat, these sensors and the Ignition Module that the sensor goes right into are usually the first thing to go. To check it you would have to get it to stall and then jump out and check if it had any spark coming from the Ignition coils. It's possible to do, since you have about a half hour before it will start again. But with the age of the vehicle, checking for spark when the stalling occurred would be the first thing, I would do to diagnose this.
With this system, in the second diagram below you'll notice in purple, those are the Ignition Coil towers, and because this is a waste spark system, if you take the spark plug wires off two or those towers, and crank the engine over, you should have spark jumping from 1 tower to the other. The spark will jump marked in Green from the number 1 tower to the number 4 tower. Just make sure you remember which spark plug wire goes on the correct tower it came off of. But the spark should be strong enough to jump that gap between the two towers, but keep your hands away, just crank the engine and watch with the hood open. If it's an issue with the Crankshaft position sensor or that Ignition module you won't have any Spark.

This is the first check I would do, but my concern would be that you said it starts right back up, so it might be that the Ignition Module is on its way to failing, it just hasn't failed completely yet. Since it starts back up, you are still getting spark, and then putting the vehicle back in drive puts a load on the engine and it might be that the spark is weak at that point, you can still try the test. If it doesn't jump between the two towers, then it's an Ignition Module issue. If it does and appears to be a strong spark, then it may be something else is failing. Fuel pressure would have to be checked next during the stall condition.

https://www.2carpros.com/articles/how-to-check-for-ignition-spark

https://www.2carpros.com/articles/how-to-check-fuel-system-pressure-and-regulator

https://www.2carpros.com/articles/how-to-test-an-ignition-system
Aug 2, 2022 at 5:07 PM
Repair Safety Notice: This information is for general instructional purposes only. Vehicle repair can be dangerous. Verify all information, follow manufacturer service procedures, use proper tools and safety equipment, and consult a qualified repair shop when needed.