Tuesday, July 12th, 2022 AT 10:19 AM
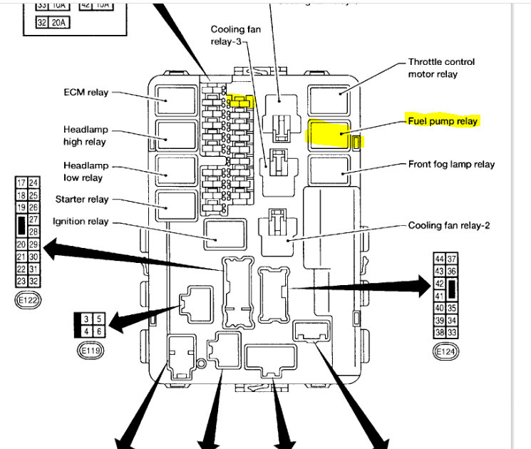
My daughter was driving about 50MPH. Car started to act like it was going to stall, lack of power, surge in power, bucking, so she pulled over as it shut off. Tried cranking it and it started for one second and shut off again. Tried cranking it again, nothing but crank, didn't even act like it was trying to start by "stumbling" just engine crank. First thing I scanned for DTC codes; no codes detected. So, I moved on to check for spark and it is getting spark, multimeter proved the battery is good, changed out the camshaft and crankshaft position sensors (as these are known to have issues with them and they were cheap enough) still crank no start. I tried to check fuel pressure, but no Schrader valve, and I'm a single mom who only knows backyard mechanics, couldn't figure out the attachments needed to intercept the fuel lines in the engine bay with the pressure gauge reader. So, I opened the intake and sprayed some starting fluid into the throttle body. Turned the key, and it stumbled, finally tried to act like it wanted to start. So, fuel delivery issue I assumed. Found a lower priced fuel pump assembly, filter, sending unit, pressure sensor, regulator all of that. Installed the new assembly, turned the key. Stumbled again, still no start. But the engine was producing more promise than previously. The throttle body does look dirty and has some build up around the butterfly, but I don't think it's enough to completely shut off and prevent the car from starting. I'm at a loss here mentally. And buying every sensor, part, clip, and bolt isn't really affordable. What else am I missing that could cause engine failure while driving, and crank no start that I can somehow diagnose myself?


