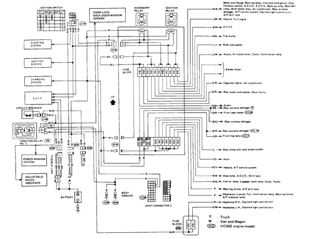
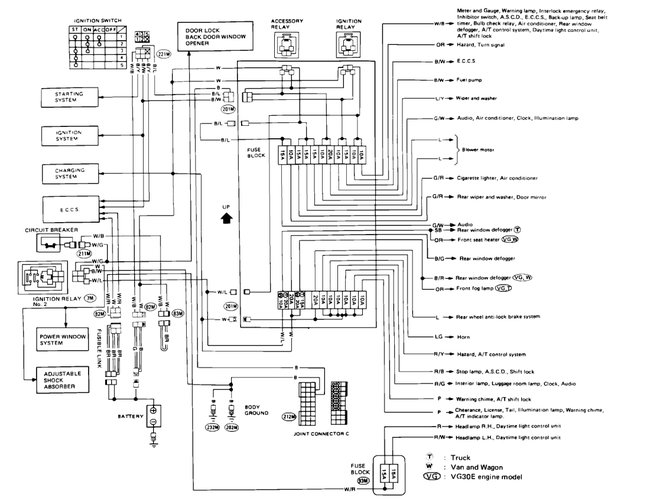
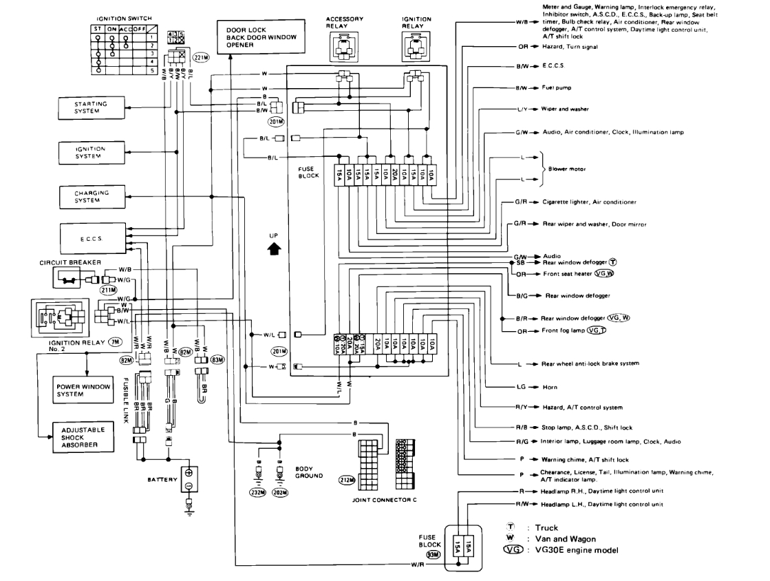
Okay, in a nut shell, it will start up and idle great. Then I drive it, less than a quarter mile it will shut off. When it shuts off, 1 out of 10 times it will fire right back up and I drive home. The other times it will not start.
Here is the thing, its not hot or over heating, but it will start back up if I let it sit for a hour or two.
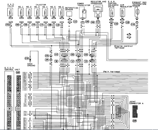
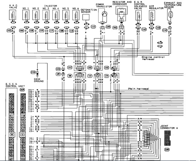
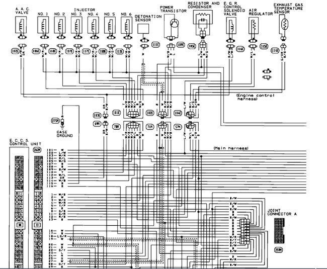
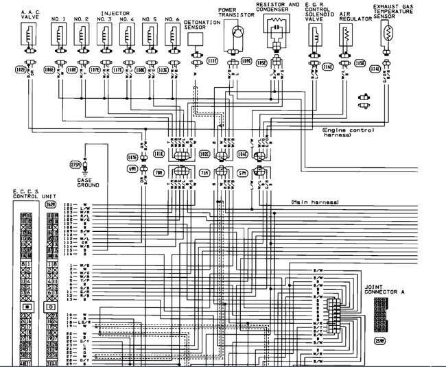
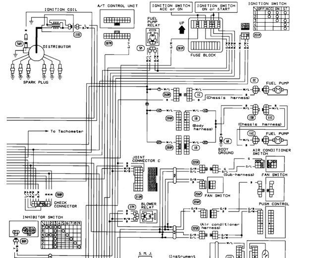
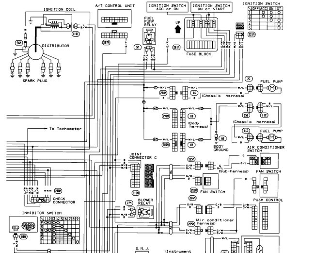
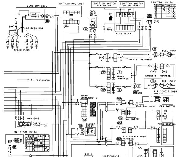
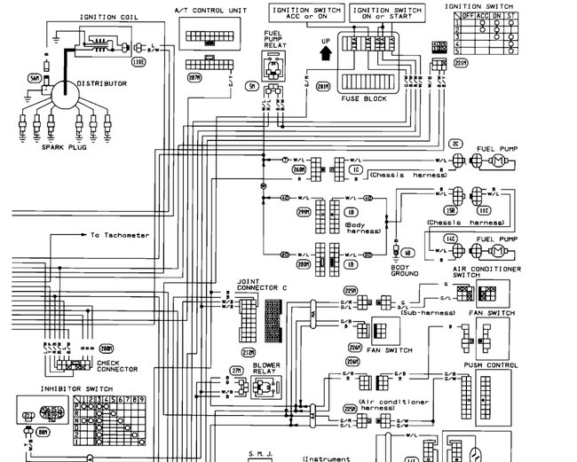
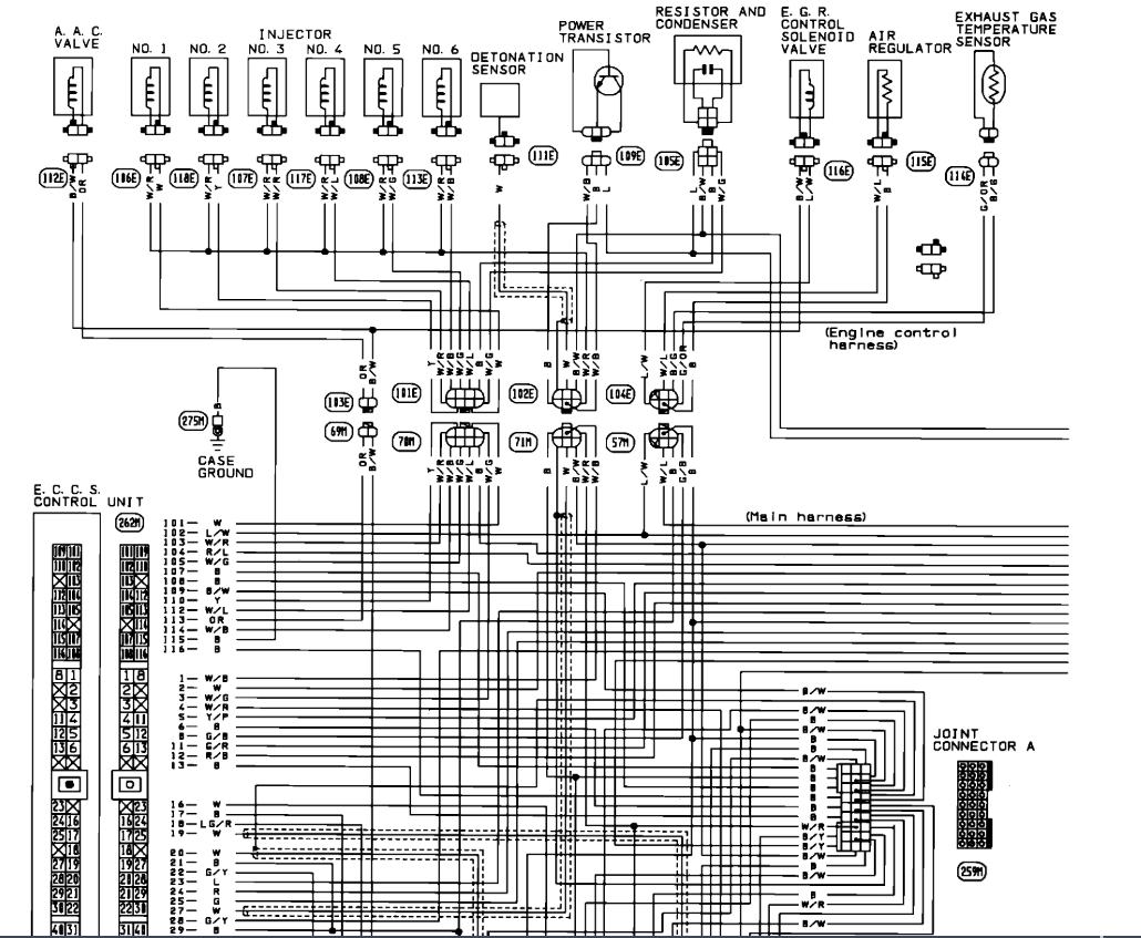
I have a noid tester, and I can tell you when it is in this weird "hold" state, the injectors have no power. But like I said eventually something changes and eventually they come back online.
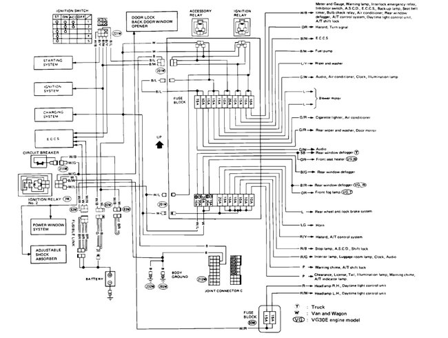
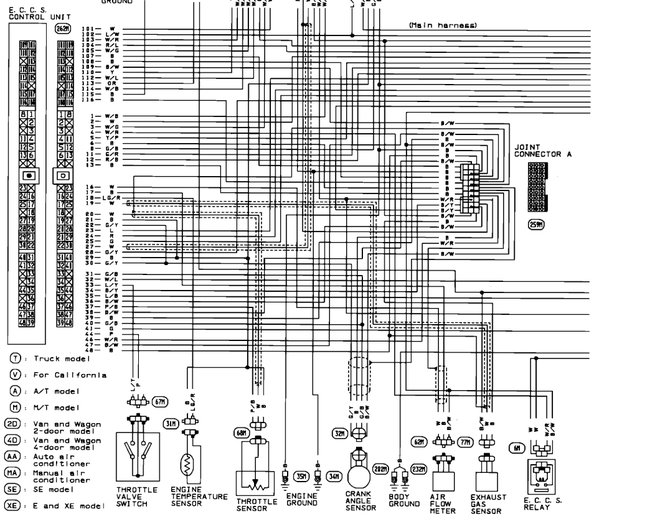
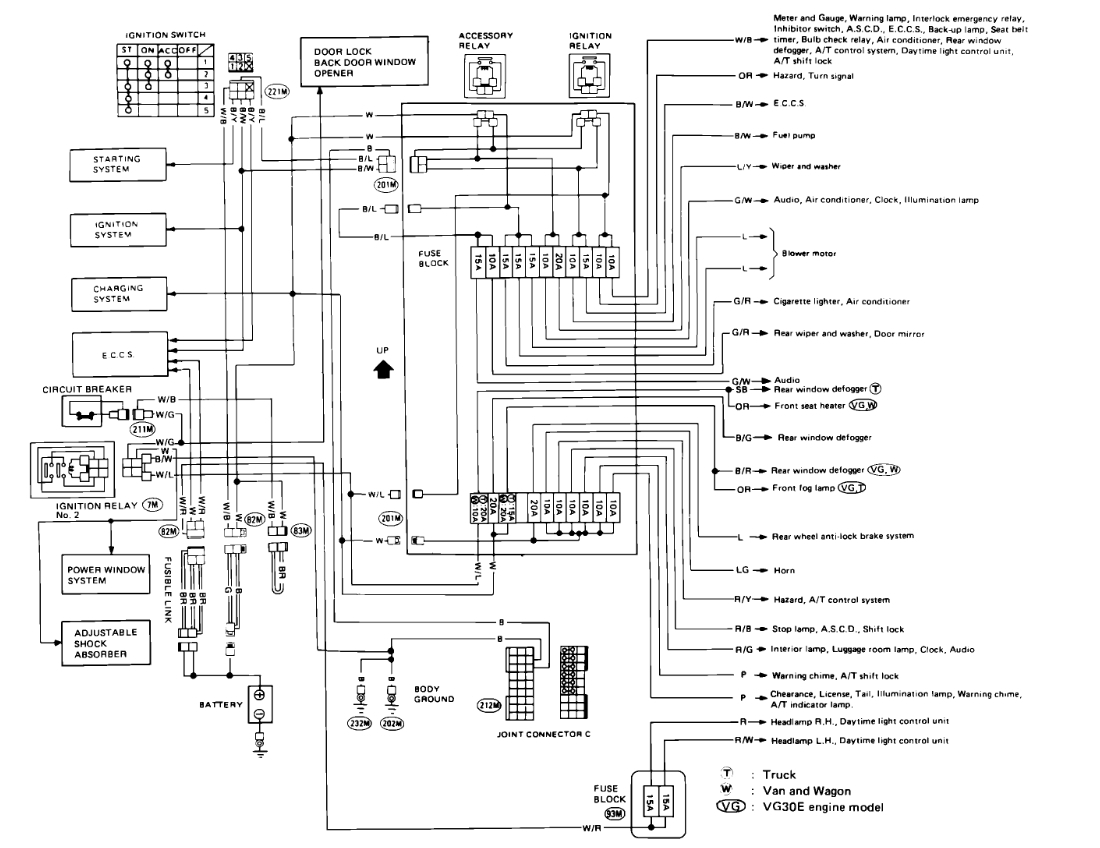
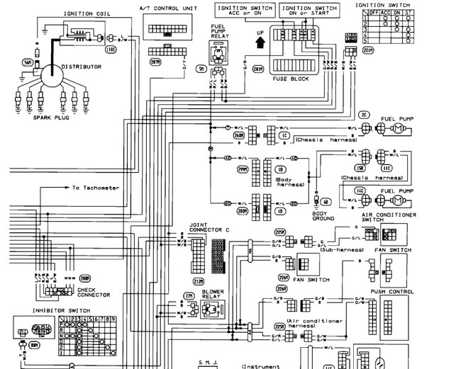
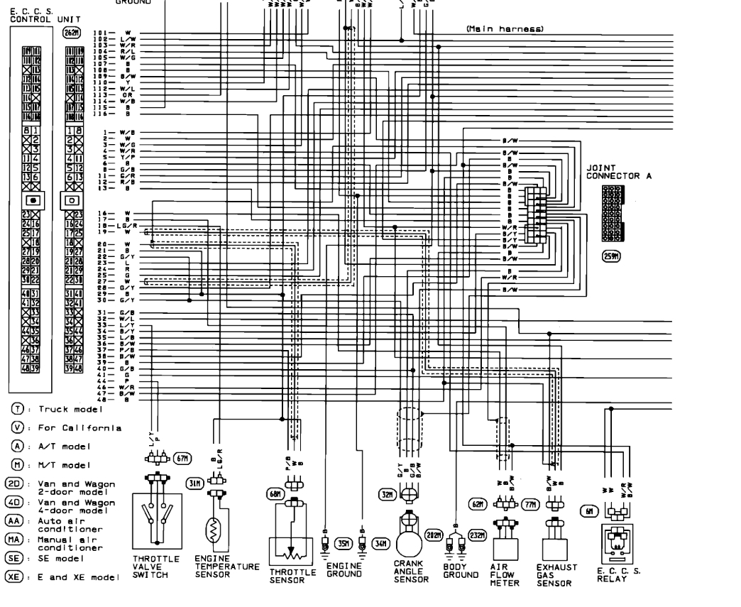
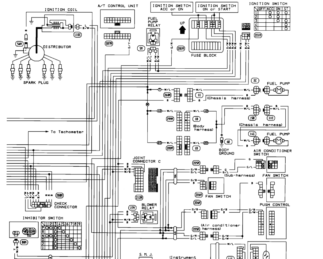
I originally thought it was the camshaft sensor (i have the type in the distributor) so I went ahead and replaced the whole distributor. Same symptoms. I have also replaced the fuel pump and ECCS relays, I have three different ECM's and no matter which I use, it still does the same thing.
To me, it feels like something with the authority to turn off the injectors is panicking and shutting everything down. Then after a complete random amount of time, it resolves itself and I can start it again.
keep in mind, I can let it idle in the drive for hours and it never shuts off.
Help, looking for suggestions. I also, do not have a ODB port. It is one year too old.
Wednesday, June 19th, 2019 AT 12:06 PM







