Squealing sound

Tiny
STEVIE12
  • MEMBER
  • 2007 CHEVROLET IMPALA
  • 3.5L
  • 6 CYL
  • 4WD
  • AUTOMATIC
  • 131,000 MILES
While driving I hear squealing sound, also hear sound when I press the brakes.
Sunday, June 10th, 2018 AT 1:42 PM

1 Reply

Tiny
JACOBANDNICKOLAS
  • MECHANIC
  • 110,194 POSTS
Hi and thanks for using 2CarPros.com

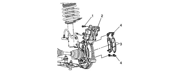
It sounds like the brake sensor is touching the rotor. That is the first thing I would check. Here are general directions for replacing pads if you determine they are bad:

https://www.2carpros.com/articles/how-to-replace-front-brake-pads-and-rotors-fwd

Specific directions for your vehicle are listed in picture 2.

Let me know if you need help, have any questions or need additional information.

Take care,
Joe
Was this
answer
helpful?
Yes
No
Sunday, June 10th, 2018 AT 7:46 PM

Please login or register to post a reply.