Code P1780 intermittent no start issue?

Tiny
SATURNTECH9
  • MECHANIC
  • 30,869 POSTS
Please let us know your progress and all that they will even test the module for you and all that.
Was this
answer
helpful?
Yes
No
+1
Friday, November 25th, 2022 AT 8:22 PM
Tiny
SUBWAT
  • MEMBER
  • 33 POSTS
Thanks, I'll get to work on this.
Was this
answer
helpful?
Yes
No
Friday, November 25th, 2022 AT 8:39 PM
Tiny
SATURNTECH9
  • MECHANIC
  • 30,869 POSTS
You're welcome.
Was this
answer
helpful?
Yes
No
+1
Saturday, November 26th, 2022 AT 12:03 AM
Tiny
SUBWAT
  • MEMBER
  • 33 POSTS
My BCM was repaired by G7 computers and is in transit to me. G7 emailed me the following note:

"The computer you sent here has been repaired. There was a hardware failure on the board. Usually when the computer fails, so does another part on the vehicle, and if all the damaged parts on the vehicle are not replaced at the same time, then the original problem may still exist, or even cause damage again to the computer and/ or vehicle. Anything electrically related to the symptoms with the vehicle should be checked. It could not be determined if the fault was a result of a short circuit in the vehicle or a manufacturer's defect because the vehicle was not here for inspection."

My next question is going to be: "How do I check for anything that could have caused damage to the BCM?" Hopefully, G7 will include more info with the BCM.
Was this
answer
helpful?
Yes
No
Thursday, December 8th, 2022 AT 7:32 AM
Tiny
JACOBANDNICKOLAS
  • MECHANIC
  • 110,192 POSTS
Hi,

Since there was an issue with a no-start condition, were you able to determine if it was an ignition or fuel-related issue?

What they are telling you, in my mind, is a way to protect themselves. But if you recall anything electrical that was causing issues, let me know and we can check some things.

Joe
Was this
answer
helpful?
Yes
No
+1
Thursday, December 8th, 2022 AT 6:54 PM
Tiny
SUBWAT
  • MEMBER
  • 33 POSTS
I tried spraying carburetor cleaner into the intake when it would not start, engine should have started, it did not even cough. Looks to me like the problem was no spark, but only if the gas gauge read empty, if it read correctly, it always started. I missed this at first but was asked about it 2 or 3 times and finally I got it right.
Was this
answer
helpful?
Yes
No
Thursday, December 8th, 2022 AT 7:55 PM
Tiny
SATURNTECH9
  • MECHANIC
  • 30,869 POSTS
All the Saturn L series I have seen that don't start when the gas gauge is inoperative was a bad body control module. I have seen tons of them. It's really common for them to go bad I lost count with all the ones I replaced all the years I worked at the Saturn dealer.
Was this
answer
helpful?
Yes
No
+1
Thursday, December 8th, 2022 AT 9:04 PM
Tiny
SATURNTECH9
  • MECHANIC
  • 30,869 POSTS
I have never tested for spark when I ran I to that situation I have also seen the engine control modules go bad but way far less common and when they did it was a tow in.I could never get them to start even to drive them into my shop.
Was this
answer
helpful?
Yes
No
+1
Friday, December 9th, 2022 AT 7:49 AM
Tiny
SUBWAT
  • MEMBER
  • 33 POSTS
After the "no-start" issue began, I checked for codes: #1 was P1780 PNP SW, I replaced that, but it didn't help. However, might that code have been set when the BCM failed? Is there anything I should be looking for? Otherwise, when my BCM returns, I know of nothing to do except put it in and try it. But I don't want to fry it again if there is still some issue that caused it to fail.
Was this
answer
helpful?
Yes
No
Friday, December 9th, 2022 AT 6:00 PM
Tiny
SUBWAT
  • MEMBER
  • 33 POSTS
Oh, one other thing that I was going to ask about after the no-start was fixed has to do with the trans. Possibly this is also related to the BCM. I included this in my report to G7 when I sent the BCM. The trans is auto and sometimes (randomly) it shifts rough. I have read online that this is due to the line pressure solenoid failing or not getting voltage to actuate properly. This problem precedes the no-start issue but has some similarities. Usually when the car was first started in the AM, the trans would shift smoothly. Sometimes, after a stop (gas, shopping, etc.) On re-start, the trans would shift rough. Note that if the engine started and the trans shifted smooth, it would always continue to shift smooth as long as the engine was not shut down. Likewise, if the engine started and the trans shifted rough, it would continue to shift rough as long as the engine was not shut down. Start-up determined if the trans shifted smooth or rough.
Was this
answer
helpful?
Yes
No
Friday, December 9th, 2022 AT 6:25 PM
Tiny
SATURNTECH9
  • MECHANIC
  • 30,869 POSTS
What I have seen when the line pressure solenoid is going bad on those you get a hard shift and when you cycle the key the hard shift goes away. When the solenoid gets bad enough it will set a code p1811 basically transmission adaptives can't compensate for the shifting issue being caused by the failing line pressure actuator. When the transmission can't control the line pressure it will going into a fail safe mode. Which it shifts the transmission at full line pressure to help keep the clutches in the transmission from slipping and burning. Down side is if it's operated over too long of a period like that it will destroy the transmission.I have seen a ton of bad line pressure solenoids go bad a few of the other solenoids go bad. But those were seldom compared to the line pressure solenoid I don't see the transmission issue being related to the bcm at all.I have seen a bad bcm not let the car shift out of park and also cycle the transmission. Shifter release solenoid off and on over and over all by itself for no reason whatsoever.
Was this
answer
helpful?
Yes
No
+1
Friday, December 9th, 2022 AT 7:38 PM
Tiny
SATURNTECH9
  • MECHANIC
  • 30,869 POSTS
The BCMs on those just fail for all different reasons and cause an array of different symptoms and codes to set. The most common symptoms is that no start and fuel gauge inoperative.
Was this
answer
helpful?
Yes
No
+1
Friday, December 9th, 2022 AT 7:42 PM
Tiny
SUBWAT
  • MEMBER
  • 33 POSTS
I received the BCM from G7 yesterday evening and today I installed it. Went to start the engine, fuel gauge read properly, and the engine started. I let it idle, then shut it off to load the car for work, when I tried to re-start, the fuel gauge read empty, and the engine would not start. I tried several times -- no start. While there is an outside chance that the BCM was not the problem (since the car was previously most likely to start after sitting overnight) I suspect G7 was right in warning me to look for shorts, etc. That could have caused the BCM to fail. Looks like I damaged the repaired BCM.
Was this
answer
helpful?
Yes
No
Tuesday, December 13th, 2022 AT 6:18 PM
Tiny
SUBWAT
  • MEMBER
  • 33 POSTS
At this point I'll have to either find the short(s), re-repair the BCM or junk the car. To find the short I'll need a correct wiring diagram and what values I should test for on the pins of the connectors, any ideas will be much appreciated. I also plan to tell G7 what happened and see if they can make suggestions.
Was this
answer
helpful?
Yes
No
Tuesday, December 13th, 2022 AT 6:25 PM
Tiny
SATURNTECH9
  • MECHANIC
  • 30,869 POSTS
Did G7 say they found a problem with the bcn when they repaired it?I have never seen a short on one of those cars cause the bcm to fail and cause the fuel gauge to intermittently fail not start and have the fuel gauge inoperative.
Was this
answer
helpful?
Yes
No
+1
Wednesday, December 14th, 2022 AT 12:35 AM
Tiny
SUBWAT
  • MEMBER
  • 33 POSTS
Yes, G7 included this note with the returned BCM: "The computer you sent here has been repaired. There was a hardware failure on the board. Usually when the computer fails, so does another part on the vehicle, and if all the damaged parts on the vehicle are not replaced at the same time, then the original problem may still exist, or even cause damage again to the computer and/ or vehicle. Anything electrically related to the symptoms with the vehicle should be checked. It could not be determined if the fault was a result of a short circuit in the vehicle or a manufacturer's defect because the vehicle was not here for inspection."
Was this
answer
helpful?
Yes
No
Wednesday, December 14th, 2022 AT 6:14 AM
Tiny
JACOBANDNICKOLAS
  • MECHANIC
  • 110,192 POSTS
Hi,

I noticed Saturntech hasn't contacted you for a couple of days. Have you been able to make any progress? I stepped back because he is excellent with Saturn vehicles.

Let us know.

Joe
Was this
answer
helpful?
Yes
No
+1
Friday, December 16th, 2022 AT 8:38 PM
Tiny
SUBWAT
  • MEMBER
  • 33 POSTS
Hi Joe,

I think what I'll have to do is find an accurate wiring diagram with the values that I should get if I check the pins of the connectors to the BCM. Otherwise, how can I possibly check for any malfunction in the system that the BCM is connected to? Do you know any way to find such a diagram?
Was this
answer
helpful?
Yes
No
Saturday, December 17th, 2022 AT 10:06 AM
Tiny
JACOBANDNICKOLAS
  • MECHANIC
  • 110,192 POSTS
Hi,

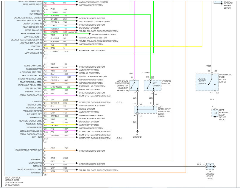
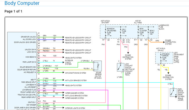
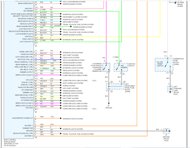
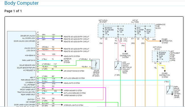
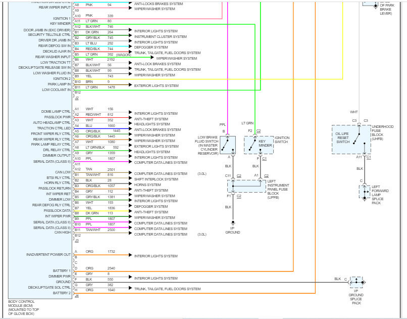
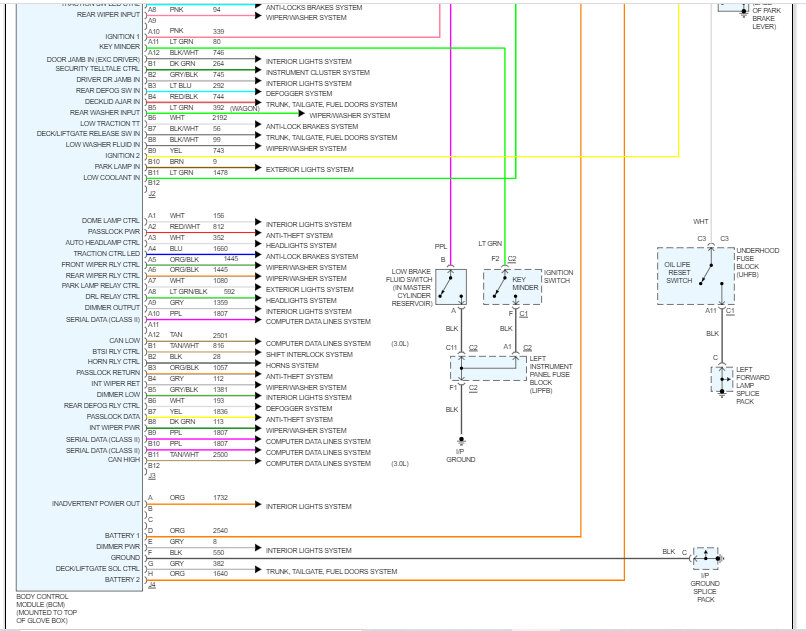
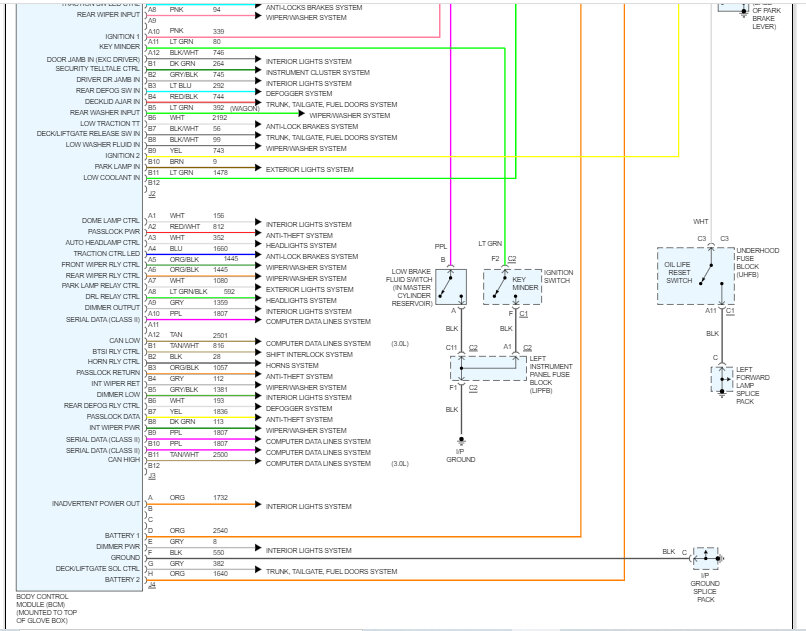
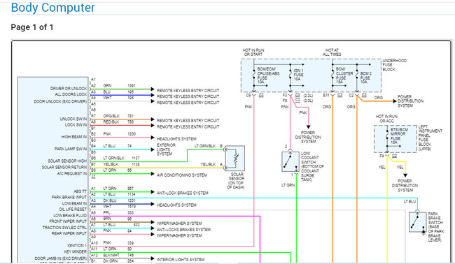
Yep, I understand. What we can try is this. First, I attached the connectors for the BCM pinout below. Next to the pin number, you will find what each wire is for.

Next, I attached the wiring schematic for the BCM. I had to cut it in half to make it readable for you.

Let's try it this way. Let me know the wires/connectors/pins in which you have an interest. I will try to determine what you should find at those wires.

I wish I had an easier answer. I understand what you are asking for, I've never seen one in a manual. There is always a focus on one or more specific circuits that are checked. They don't have a schematic covering all wires and their values. It would be a good idea, but that has never shown up in my manuals.

Let me know your thoughts. Let me know if you feel this will help.

Take care,

Joe

See pics below.
Was this
answer
helpful?
Yes
No
+1
Saturday, December 17th, 2022 AT 10:07 PM
Tiny
SUBWAT
  • MEMBER
  • 33 POSTS
Hi Joe,

You guys are incredibly helpful and much appreciated! I will get to this and report back asap. I have looked over the pics, but nothing is obvious related to my problem. I plan to check with G7 next to see if they can shed some light on this (such as what component(s) they fixed and any suggestions they might have. BTW, I hope you got paid a commission for referring me to G7, you deserve it.
Was this
answer
helpful?
Yes
No
Sunday, December 18th, 2022 AT 10:04 AM

Please login or register to post a reply.