Signal lights not working properly

Tiny
CHARLES BANKS
  • MEMBER
  • 2003 CHEVROLET MALIBU
  • 3.1L
  • 6 CYL
  • AUTOMATIC
  • 172,800 MILES
My right signal light works fine but when I hit my brake to make a turn my right signal light blinks fast.
Thursday, April 4th, 2019 AT 2:13 PM

1 Reply

Tiny
CARADIODOC
  • MECHANIC
  • 34,491 POSTS
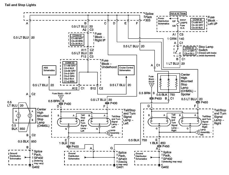
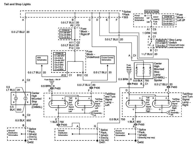
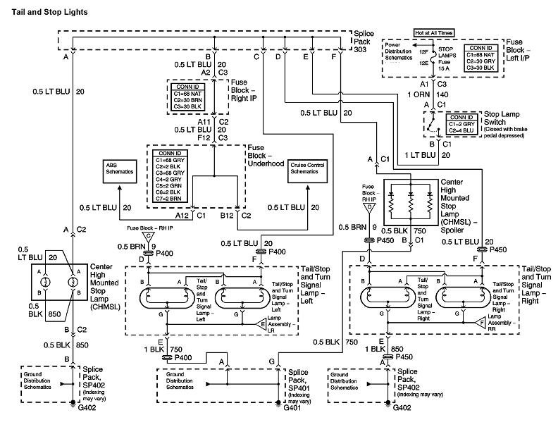
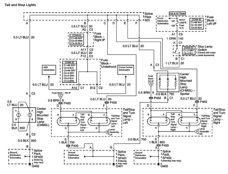
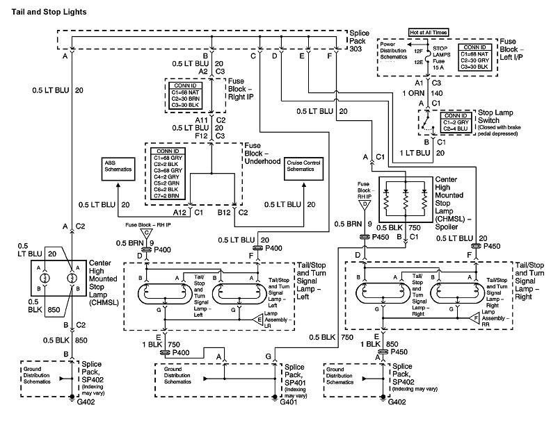
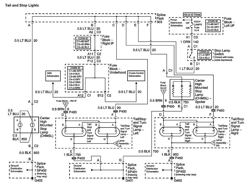
That's one of the typical symptoms of a bad ground. To verify this, turn on the right turn signal, then while it appears to be flashing properly, remove the left rear signal / brake bulb from it's socket. You'll see the right one stop flashing. Additionally, if you put the left bulb back in and look at it real closely, you'll see it is lit dimly when the right one is flashing. Current for the right bulb can't find its path to ground, but it finds an alternate path through the interconnected bulb on the left side, then through its ground.

It looks like ground G402 is above and behind the rear seat. That is not a common place to find corrosion. If the car has a trailer wiring harness, a better suspect would be someone used Scotch-Lok connectors to splice the wires to the car's wiring. Those don't seal out moisture and must never be used in cars. That would be a good place to find a corroded wire.
Was this
answer
helpful?
Yes
No
Thursday, April 4th, 2019 AT 10:07 PM

Please login or register to post a reply.