Rusted crankshaft sensor

Tiny
CASMIHOK
  • MEMBER
  • 2005 JEEP LIBERTY
  • 3.7L
  • 6 CYL
  • 4WD
  • AUTOMATIC
  • 163,000 MILES
Hi,

On my long list of repairs needed before I can go home, I am starting with this crankshaft sensor since I have it already.

Bolt came out easily, unclamped easily from the wiring connector as well. But, its oddly rusted on the limb that is held by the bolt.

I have PB Blaster and WD40, but I don't want to spray there if it's going to mess with electrical components.

What can I do?

Thank you guys.
Have a blessed day.
Monday, December 9th, 2019 AT 1:45 PM

28 Replies

Tiny
CASMIHOK
  • MEMBER
  • 205 POSTS
For some reason when I click on this link off my list of questions, it says page 404 not found error. But if I click the link off my email, it brings me here. Not sure this went through, hopefully it did.
Was this
answer
helpful?
Yes
No
Monday, December 9th, 2019 AT 1:49 PM
Tiny
SCGRANTURISMO
  • MECHANIC
  • 4,897 POSTS
Hello,

If you are going to replace the Crankshaft Position Sensor [CKP], then I wouldn't worry about hurting the old one. Keep the electrical connector away from the PB Blaster and douse where it is rusted at. The main thing that you want to preserve are the threads in the bolt hole. The CKP, once free from the rust, should just pull out, it's the bolt, obviously, that secures it in place. Please get back to us with how everything turns out.

Thanks,
Alex
2CarPros
Was this
answer
helpful?
Yes
No
+1
Monday, December 9th, 2019 AT 3:08 PM
Tiny
CASMIHOK
  • MEMBER
  • 205 POSTS
Okay, will do. Thank you.
Was this
answer
helpful?
Yes
No
Monday, December 9th, 2019 AT 9:15 PM
Tiny
STEVE W.
  • MECHANIC
  • 15,682 POSTS
Did you have any luck getting it out? The way that is rusted makes it look familiar. What is the reason for replacing it? Engine refuses to run?
Was this
answer
helpful?
Yes
No
+1
Thursday, December 12th, 2019 AT 10:13 PM
Tiny
CASMIHOK
  • MEMBER
  • 205 POSTS
I have been working on it for about a week with PB Blaster and a set of pliers. I got it twisting and rocking slightly, but the black plastic is still really stuck in there. Any tips or tricks? I need to get this thing out. And yes, my car is currently broken down and this is a code I am getting. I just want to go back home.
Thank you
Was this
answer
helpful?
Yes
No
Friday, December 20th, 2019 AT 4:49 PM
Tiny
STEVE W.
  • MECHANIC
  • 15,682 POSTS
The o-rings can get really stuck in there. I've used a few things to get them out over the years. What is the code you are getting? I have seen a bad cam position sensor trigger a false crankshaft code before on them. How did you test the sensor?

As for getting them out, I've used heat on the block to bake the o-ring and melt the outer case of the sensor enough it comes free. I've also sprayed lithium grease in there and pried on the parts outside the block. I've even got ticked off and smashed the outer part off so I could get into the hole and clean the rust out. To do that requires that you drill a hole into the sensor and put a long screw into it, then cut or smash the outer part off and go after the rust. I've also known of folks who just snapped them off, then dug them out with a die grinder.
Where are you stuck?
Was this
answer
helpful?
Yes
No
Friday, December 20th, 2019 AT 8:48 PM
Tiny
CASMIHOK
  • MEMBER
  • 205 POSTS
I'm getting a p0339. I got it initially about a month back, and then it went away after I replaced spark plugs and a melted ignition coil. But, it then came back when my truck broke down about a week and a half ago. You can see my previous questions to see exactly how I broke down, what happened and such. I drained the oil because my oil light came on. My oil looks perfect. My father said that a bad crankshaft sensor could cause all of it, and he said that the crankshaft sensor could be the reason I also now am getting p0344.
I only got the camshaft p0344 the second time I got the p0339. So this camshaft sensor code is recent, my father recommended replacing my crankshaft, clearing the codes, and seeing if the camshaft comes back. But, I am stuck with the crankshaft sensor in there. I have it twisting freely, counter clockwise and clockwise, and I have very very slight movement back and forth. But no significant movement outwards
Can you confirm anything he said? Thank you
Happy holidays Steve!
Was this
answer
helpful?
Yes
No
Friday, December 20th, 2019 AT 10:26 PM
Tiny
STEVE W.
  • MECHANIC
  • 15,682 POSTS
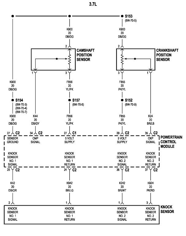
Sounds like he knows his stuff pretty well. Your codes are both intermittent circuit codes. That means it could be the sensor or it could be the wiring. Do you have access to a multi-meter? If yes you can test the wiring between the crank sensor and the PCM. Also follow the wires themselves, look for any damage or corrosion as those two share the same sensor ground. Would also test the sensor as it seems to have failed now and should show as bad. For that you need the multi-meter again. Or as an emergency test, take a jumper wire, and find the dark blue wire with a dark green trace on it in the wires to the crank sensor. Bare a small spot of the wire and connect the jumper wire from that to battery negative. Stick the bolt back in the crank sensor and see if it fires now. If it does the sensor ground wire is the problem.
Was this
answer
helpful?
Yes
No
Friday, December 20th, 2019 AT 11:18 PM
Tiny
CASMIHOK
  • MEMBER
  • 205 POSTS
I'm fairly clueless and just learning as I go, so I apologize
My buddy let me borrow his multi-meter, I have no idea how to use it but I'm sure a quick YouTube tutorial could show me. Correct me if I'm wrong but I think you're under the impression that my car is not starting at all? Which makes sense because I mentioned I had broke down, but I should add that I broke down and then was able to start up again to just make it home a few miles. I haven't tried to start the car since then, but I think it would start if I tried.
Does the car have to be running to use a multi-meter?
Thank you.
Cas
Was this
answer
helpful?
Yes
No
Saturday, December 21st, 2019 AT 11:52 AM
Tiny
STEVE W.
  • MECHANIC
  • 15,682 POSTS
If the engine will start it likely isn't the crank sensor that's bad. Those usually just fail and done on those engines. However being the codes are both intermittent circuit codes and that Jeep being rusty a bad ground or corroded splice are both very likely. Finding it will be the difficult thing. The first place I would look is the ground wire they both share. If the meter you have has a continuity beeper it could make it easier. The visual inspection I mentioned would be the first thing though. Don't be afraid to open the wiring loom and trace the wires. There are numerous line splices that could corrode or the wires may pass over a spot where the loom rubbed through.
The meter can be used with the engine off for some tests and the key on for others.
There are a lot of guides for meter use out there, they may not match exactly to the meter you have but ohms are ohms, volts are volts.
https://www.2carpros.com/articles/how-to-use-a-voltmeter
Was this
answer
helpful?
Yes
No
+1
Saturday, December 21st, 2019 AT 4:39 PM
Tiny
CASMIHOK
  • MEMBER
  • 205 POSTS
Well, given that I have doused the sensor that's in my truck with PB Blaster, I guess I have to get it out and replace anyway. I am completely clueless when it comes to electrical, I don't even know where to begin. Wish me luck! I will let you know how it goes.
Was this
answer
helpful?
Yes
No
Saturday, December 21st, 2019 AT 8:01 PM
Tiny
CASMIHOK
  • MEMBER
  • 205 POSTS
So I tested the wiring that goes into my crankshaft sensor and got a voltage of 3.5. Does that mean my wiring is okay?
I also have not made progress on the crankshaft sensor. I think I just want to drill it out, is that a safe process? Is there anything that could go severely wrong? I feel like with the way the sensor is pointing semi downwards, it's unlikely that I could lose any pieces in the engine. But let me know if I'm wrong.
Thank you
Cas
Was this
answer
helpful?
Yes
No
Sunday, December 22nd, 2019 AT 10:25 AM
Tiny
STEVE W.
  • MECHANIC
  • 15,682 POSTS
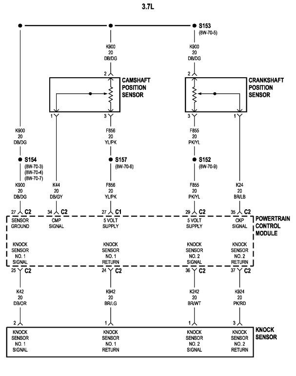
3.5 is very low. That could be the entire problem. You should be able to measure 5 volts or very close to it. Measure between the Dark Blue wire with a Dark Green trace and the Pink with Yellow trace wire with the key on. You want to see 5 volts. Then go to the cam sensor and check between the Dk Blue w green trace and the Yellow wire with pink trace That should also show 5 volts. If not you have a problem. The Dk Blue wgreen wire is the ground side, the others are 5 volt reference feeds from two different connection pins. The other wire on each sensor is the signal output. If you find 5 volts at the cam sensor but still 3.5 at the crank sensor, take the negative probe and put it on the negative battery terminal and then measure the crank signal voltage again. If it's still 3.5 then the ground side is OK and the problem is on the feed side.
Was this
answer
helpful?
Yes
No
-1
Sunday, December 22nd, 2019 AT 12:19 PM
Tiny
CASMIHOK
  • MEMBER
  • 205 POSTS
Man, reading this stuff makes me feel like an idiot. I'll try.
If my wires are no good, is that something that you have to bring to a mechanic for? Or could I do it if I learned properly?
I don't know anybody around here or have a trustworthy mechanic
Thank you
Cas
Was this
answer
helpful?
Yes
No
Sunday, December 22nd, 2019 AT 1:13 PM
Tiny
CASMIHOK
  • MEMBER
  • 205 POSTS
So sorry, just wanted to ask two questions
1. Is my crankshaft sensor busted now that I've been spraying so much PB Blaster
2. My battery needs to be replaced, is there any way this is causing the wiring problens? Advanced Auto told me its reading 575 CCA that's only 25 below 600 CCA tho
Was this
answer
helpful?
Yes
No
Sunday, December 22nd, 2019 AT 1:52 PM
Tiny
STEVE W.
  • MECHANIC
  • 15,682 POSTS
It shouldn't be unless it;s cracked. They are designed to be run in hot oil and corrosive gasses in the engine. The connector side is a bit less forgiving but a spray with some contact cleaner should get the PB out.
As far as the wiring, It would depend on what it actually is. If you measured the voltages and found one is 5 volts and one is 3.5 then it may be just a corroded connection at the PCM. Or it may be internal to the PCM. That was one reason I wanted you to measure them both and to ground as well.
That isn't that bad for a battery, it's showing some age but if it turns the engine over and reads 12.6 volts setting still it shouldn't effect the measurements. That's one of the reasons why the sensors use a 5 volt reference voltage. When you are cranking and engine the starter pulls a lot of power and that can draw the voltage down to 9-10 volts as it cranks. If they used a reference voltage of 10 volts it could easily cause problems as the voltage dropped lower. So they use 5 volts which they get by running a simple regulator inside the PCM. That lower voltage is safe because it's below what the draw should be and much of the PCM is nothing but a computer designed to run on 5 volts anyway.
Was this
answer
helpful?
Yes
No
+1
Sunday, December 22nd, 2019 AT 2:19 PM
Tiny
CASMIHOK
  • MEMBER
  • 205 POSTS
Okay. Thank you I'll try my best.
Was this
answer
helpful?
Yes
No
Sunday, December 22nd, 2019 AT 3:02 PM
Tiny
STEVE W.
  • MECHANIC
  • 15,682 POSTS
That's all that anyone can ask. If you run into issues just ask.
Was this
answer
helpful?
Yes
No
Wednesday, December 25th, 2019 AT 3:43 PM
Tiny
CASMIHOK
  • MEMBER
  • 205 POSTS
Hi Steve, I hope you enjoyed your holiday! And a happy new year to all my friends at 2CarPros.

Still struggling over here with my sensor! I got my hands on a nice scanner tool, my buddy let me borrow it. It's a CPR 123. I used the scan tool on the Chrysler setting and tested the Cam Crank difference with the car running. It was jumping between 3.8 and 4.2 ish and it jumped to 4.6 when I revved the engine. Does that sound good? My father said he's confident it's the sensor. Because it is an intermittent code, he said he is confident it's the sensor stalling out on me. I know you're confident it's a wiring issue, what does that difference value mean to you?

I know I told you I got a 3.5 V reading on the connector and you said that it was low, but maybe it was inaccurate? Curious to hear your input on this, and this CPR 123 is new to me. I see a few other cam / crank options to test. Let me know if anything else would be useful to test. Thanks!

Cas
Was this
answer
helpful?
Yes
No
Thursday, January 2nd, 2020 AT 7:49 AM
Tiny
STEVE W.
  • MECHANIC
  • 15,682 POSTS
Intermittent codes can be wiring or part, that is why you test both. In this case I would say it's the wiring simply because of the readings you are getting and it being a Jeep that are known for wiring and ground issues. If you think the voltage was wrong, test it again. You should have real close to 5 volts there, low voltage will cause the sensors to work intermittently if they work at all.
Was this
answer
helpful?
Yes
No
+1
Thursday, January 2nd, 2020 AT 10:35 PM

Please login or register to post a reply.