Tuesday, May 2nd, 2023 AT 5:06 PM
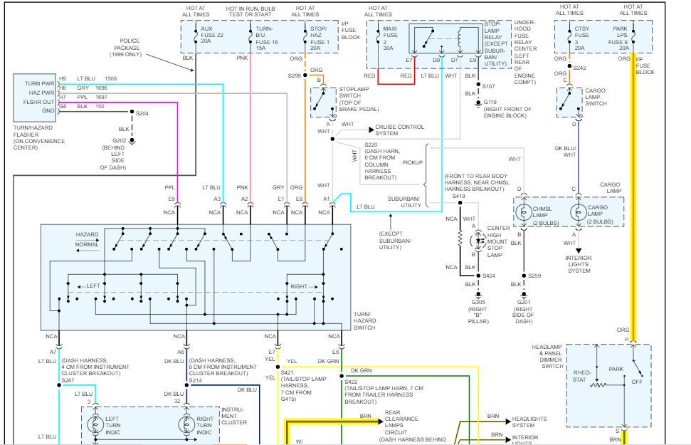
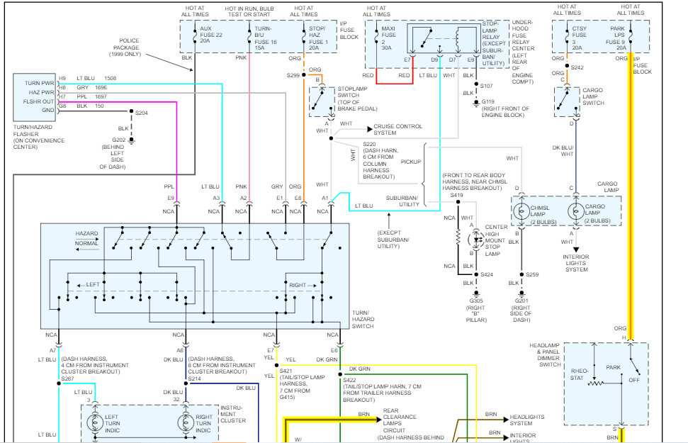
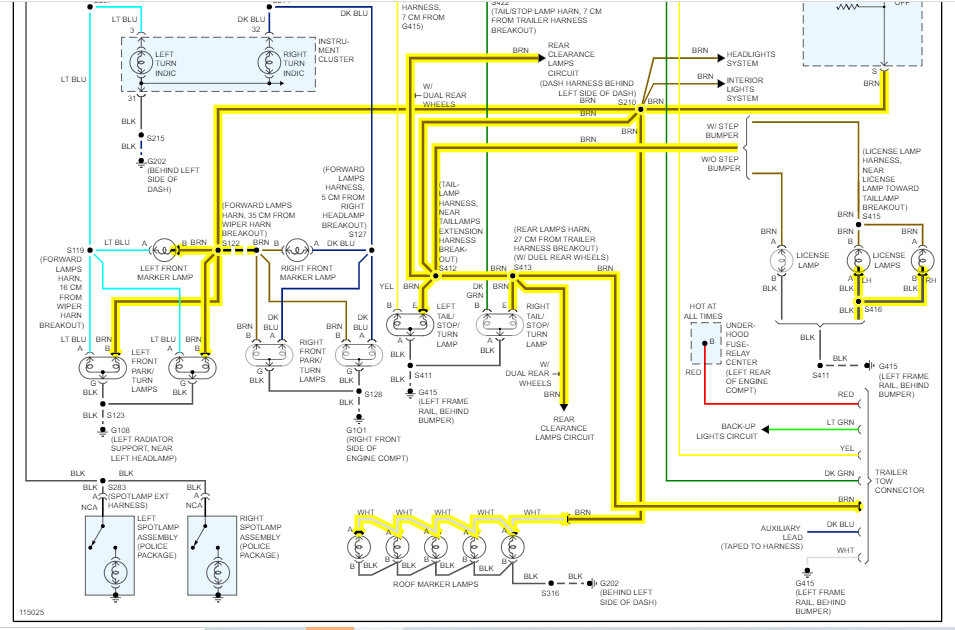
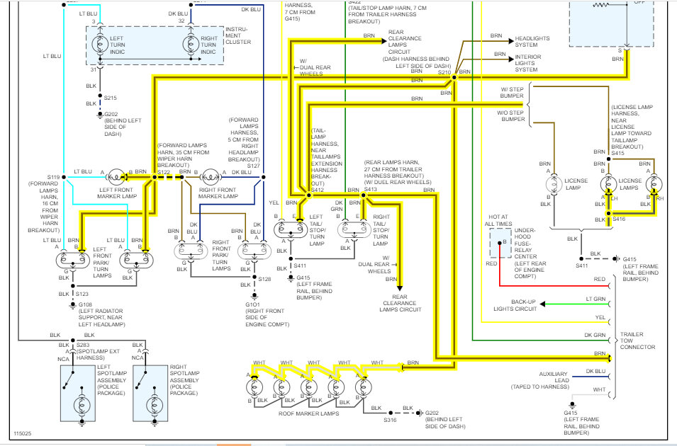
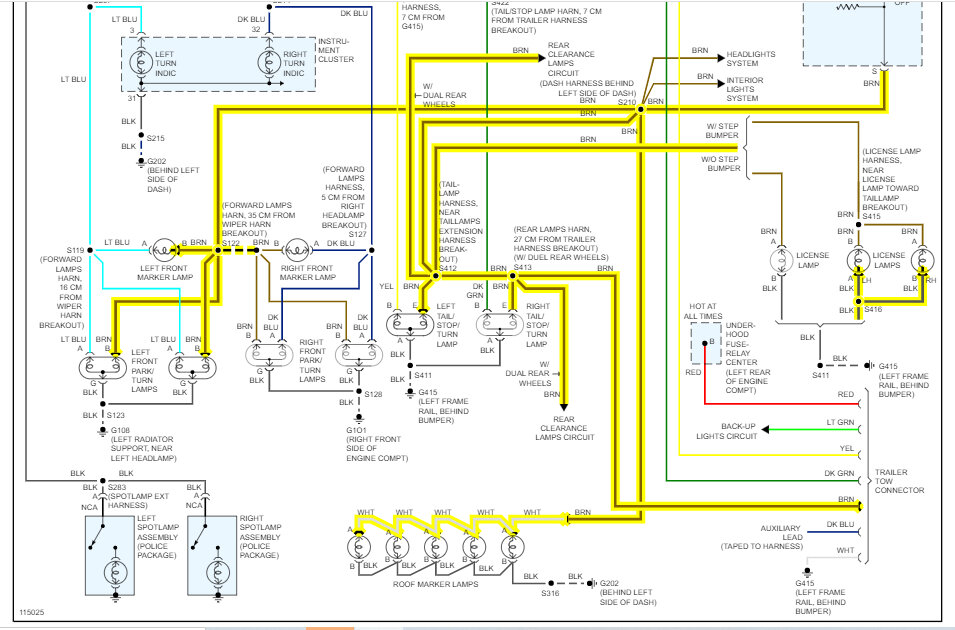
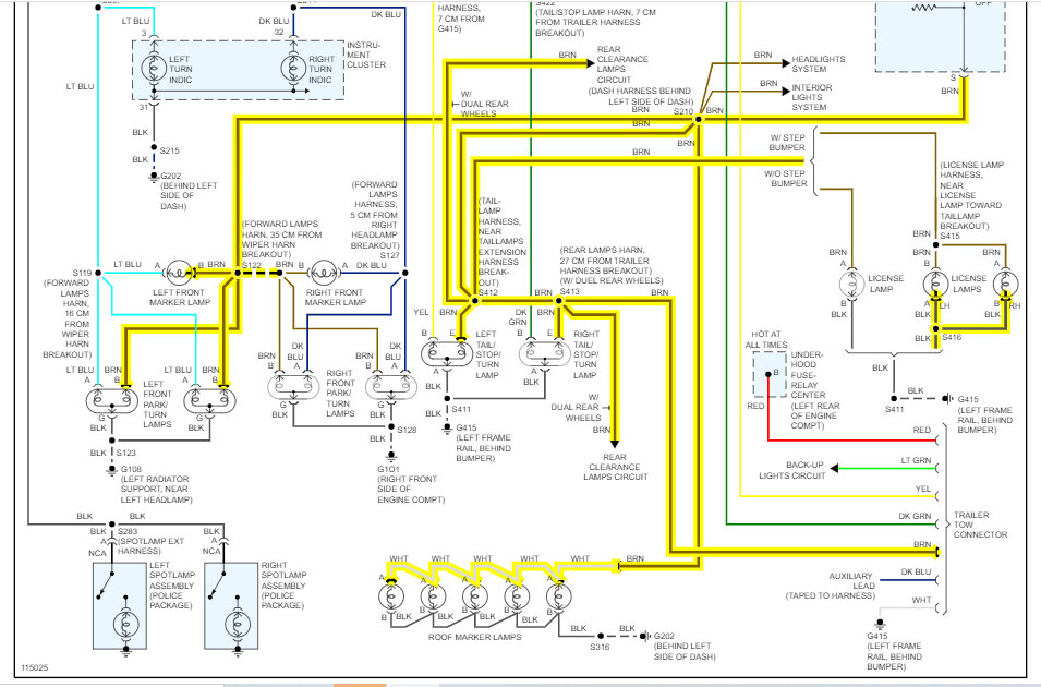
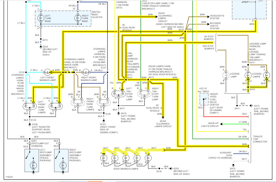
My running light and front marker light on the driver’s side won’t work but the other side is fine. I'm trying to figure out where the problem could be. I still have license plate lights and turn signals and brake lights just no running lights on driver side only.



