Replacing A/C pressure switch?

Tiny
OGOEDERT
  • MEMBER
  • 1993 HONDA CIVIC
  • 1.5L
  • 4 CYL
  • 2WD
  • AUTOMATIC
  • 148,000 MILES
Hey guys, I'm wanting to replace the pressure switch, but the system is charged. Does anyone know for certain if this 1993 model year has a one-way valve or not?

Seems like it would be easy to find out online, but I can't find an answer.

Enjoying the other content, it's been useful trouble shooting this A/C.
Tuesday, March 21st, 2023 AT 7:22 PM

1 Reply

Tiny
KEN L
  • MASTER CERTIFIED MECHANIC
  • 55,302 POSTS
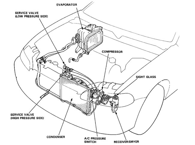
That is good to hear, 9 times out of 10 there will be a Schrader valve that will stop the refrigerant from coming out but there is no way to be sure until you remove the pressure sensor, here are the instructions on how to do the job in the images below. If you want to be safe about it, I would vacuum down and recharge the system here is a video to show you.

https://youtu.be/4EqdrBVb0sY

Check out the images (below). Please let us know what happens.

Was this
answer
helpful?
Yes
No
Wednesday, March 22nd, 2023 AT 4:30 PM

Please login or register to post a reply.