Will not start

Tiny
DAMIEN CHAMBERS
  • MEMBER
  • 2007 SUZUKI XL7
  • 3.6L
  • V6
  • 2WD
  • AUTOMATIC
  • 212,214 MILES
I replaced the starter and alternator and it would start so I replaced the battery and it still wont start. Like it makes not around when I turn the key no crank or anything, but the lights come on so I have power.
Sunday, June 27th, 2021 AT 12:26 PM

1 Reply

Tiny
KASEKENNY
  • MECHANIC
  • 18,907 POSTS
There are a number of things that can cause this but we need to start with checking for codes just to be sure we don't have any that will explain this.

https://www.2carpros.com/articles/checking-a-service-engine-soon-or-check-engine-light-on-or-flashing

If not then we need to check voltage at the starter just to make sure it is not there so we can track it back through the system to find where it is.

Here are a couple guides that will help with this issue of a starter not working:

https://www.2carpros.com/articles/starter-not-working-repair

https://youtu.be/dCjmRL3p4Cs

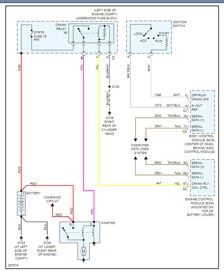
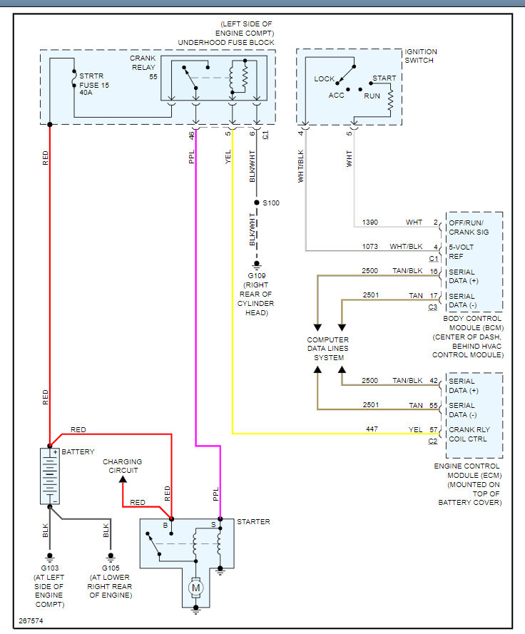
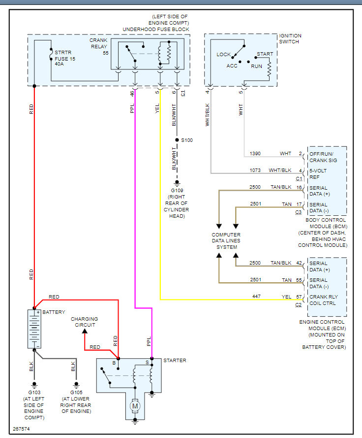
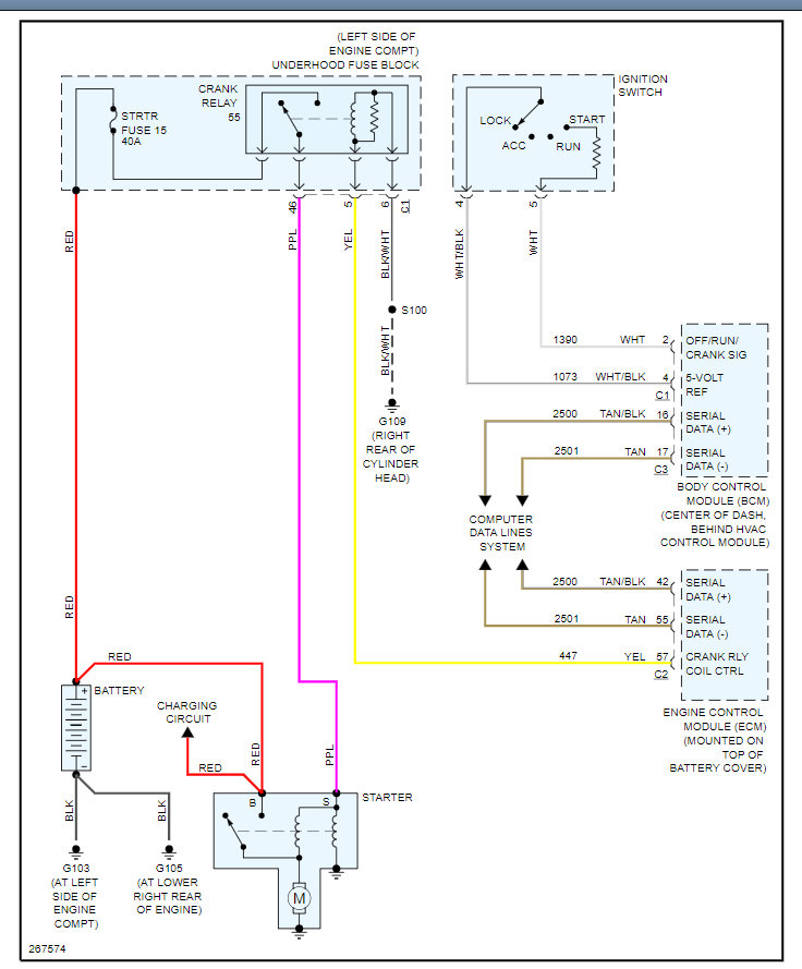
Below you will find the wiring diagram that we need in order to figure this out. This could be a relay issue or even a BCM issue. So let's start with checking voltage on the purple wire while cranking the engine and if you don't have any then we need to check the relay.

Here is a guide that will help with this:

https://www.2carpros.com/articles/how-to-check-an-electrical-relay-and-wiring-control-circuit

Please run through this info and let us know what you find. Thanks
Was this
answer
helpful?
Yes
No
Monday, June 28th, 2021 AT 3:57 PM

Please login or register to post a reply.