Engine Won't start

Tiny
ANBER14
  • MEMBER
  • 2009 SUZUKI XL7
  • 0.5L
  • V6
  • 4WD
  • AUTOMATIC
  • 190,000 MILES
Suv will turn over but no firing? Can you help me?
Sunday, January 10th, 2016 AT 3:02 PM

32 Replies

Tiny
WRENCHTECH
  • MECHANIC
  • 20,761 POSTS
This sounds like you have a crankshaft angle sensor tha5t is out but to be sure this guide will walk us through the repair.

https://www.2carpros.com/articles/car-cranks-but-wont-start

Please run down this guide and report back.

Was this
answer
helpful?
Yes
No
Sunday, January 10th, 2016 AT 3:20 PM
Tiny
SAM.SMALL
  • MEMBER
  • 2 POSTS
WRENCHTECH nailed it on my car I had to get a new crankshaft angle sensor cost me $122.00 all fixed! I love this site.
Was this
answer
helpful?
Yes
No
+2
Wednesday, October 30th, 2019 AT 6:26 PM
Tiny
LANIECEMILAN
  • MEMBER
  • 5 POSTS
  • 2008 SUZUKI XL7
  • 137,000 MILES
Car won't start after lightbulb changed. Driver headlight went out. I purchased a new bulb took the car to a mechanic to have it replaced. Afterwards the car won't start. The car has power. The lights come on, radio works, doors work, but it won't start. The battery and alternator were both replaced in Oct. Of 2012. The mechanic Confirmed the starter works. They tested it manually. They tested continuity all wires have power and the ground wire is connected. They removed the headlight harness and tried to start the car. Tried jumping it even though the battery test ok. Tried locking and unlocking the door. Tried starting it in neutral and pushing the car in gear. They tried an engine diagnostics, but the computer won't let them in. Is there anything else I can have them exhaust?
Was this
answer
helpful?
Yes
No
+1
Wednesday, October 30th, 2019 AT 6:27 PM (Merged)
Tiny
HMAC300
  • MECHANIC
  • 48,601 POSTS
Check your starter fuse #15 in underhood box and relay first. If still won't start try resetting yur anti theft refer to your owners manual for that
Was this
answer
helpful?
Yes
No
+3
Wednesday, October 30th, 2019 AT 6:27 PM (Merged)
Tiny
LANIECEMILAN
  • MEMBER
  • 5 POSTS
I forgot to mention that part. All fuses are intact. Every fuse was pulled. I asked the dealer about disabling the anti theft they said they don't know. I had it towed from the local mechanic to the dealer this morning
Was this
answer
helpful?
Yes
No
Wednesday, October 30th, 2019 AT 6:27 PM (Merged)
Tiny
HMAC300
  • MECHANIC
  • 48,601 POSTS
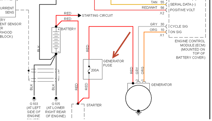
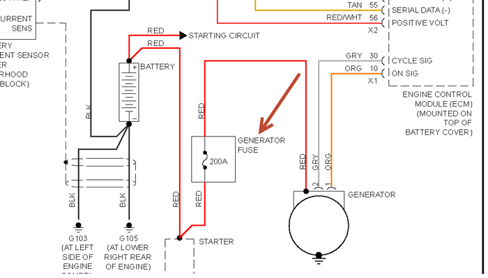
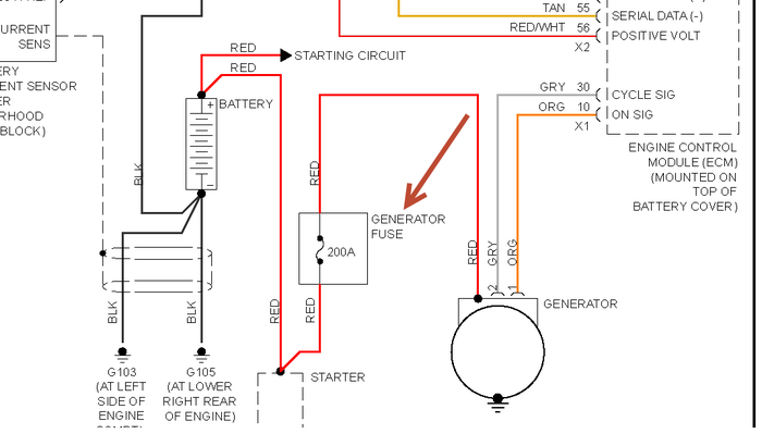
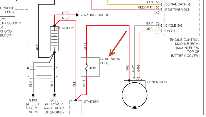
That is pretty sad when a dealer doesn't have anyone that knows about anti theft. A scanner will pick it up if there is something amiss with it however. I'm sending a diagram of a fuse that may have burnt up but not checked it is a 200 amp one and is designed to protect the system it goes off the alternator. Check that as well
Was this
answer
helpful?
Yes
No
Wednesday, October 30th, 2019 AT 6:27 PM (Merged)
Tiny
DAKOTARED
  • MEMBER
  • 1 POST
  • 2007 SUZUKI XL7
  • 51 MILES
Having trouble with my new car and hope you can help?

2007 Suzuki XL7 luxury 6 cyl 3.6l - Error code reads p0122 and the computer in the dash reads Engine Hot- A/C off. It turned over earlier but Car wont start now. Battery is new, all fluid levels ok. So. Can you tell me

1) a PART NUMBER to search for to replace the TPS? Or
2) better yet provide a SIMPLE STEP BY STEP instruction on how to ADJUST it?

Thanks!
Was this
answer
helpful?
Yes
No
-1
Wednesday, October 30th, 2019 AT 6:28 PM (Merged)
Tiny
HMAC300
  • MECHANIC
  • 48,601 POSTS
Try cleaning throttle plate on both sides and iac hole before replaceing tps. And we aren't parts people we on ly fix the cars. You really need a scan tool for this as1. It can bedamaged by improperly testing it and 2. It's a 2sided tps and both sides need to be checked.
Was this
answer
helpful?
Yes
No
Wednesday, October 30th, 2019 AT 6:28 PM (Merged)
Tiny
DKM555
  • MEMBER
  • 1 POST
  • 2007 SUZUKI XL7
  • 6 CYL
  • FWD
  • AUTOMATIC
  • 75,000 MILES
Car will not start--thought it was the battery, but, the lights all come on. Doesn't turn over or make any noise when turning the key. Could it be the ignition switch or the starter?
Was this
answer
helpful?
Yes
No
Wednesday, October 30th, 2019 AT 6:28 PM (Merged)
Tiny
KEN L
  • MASTER CERTIFIED MECHANIC
  • 55,361 POSTS
Hey DKM555,

Try putting the car in neutral to see if it could be the neutral safety switch,

Here is a guide that will walk you through a step by step trouble tree.

https://www.2carpros.com/articles/car-cranks-but-wont-start

Please let us know happens so it will help others.

Best, Ken
Was this
answer
helpful?
Yes
No
+2
Wednesday, October 30th, 2019 AT 6:28 PM (Merged)
Tiny
CLAUTED02
  • MEMBER
  • 2 POSTS
  • 2007 SUZUKI XL7
  • 91,000 MILES
I bought the car from a used dealership. After a week the car wont start. The first time that happened, I jump started it, It worked. Two days later the same thing happened again and this time it wont start anymore. Would you, please, tell me I there is a permanent solution to this problem?
Was this
answer
helpful?
Yes
No
Wednesday, October 30th, 2019 AT 6:28 PM (Merged)
Tiny
CARADIODOC
  • MECHANIC
  • 34,478 POSTS
Of course there's a solution. The vehicle didn't come from the manufacturer needing to be jump-started.

Jump-starting implies the battery is not being recharged while you're driving. That is the responsibility of the charging system. The generator is the most likely suspect. Start by measuring the battery voltage while the engine is running and with it off. With it running it must be between 13.75 and 14.75 volts. If it is lower than that the generator is not working but that could also be due to the voltage regulator which controls the generator.

If the voltage is within that range yet the battery is not staying charged the battery itself could be bad or the generator could have one bad diode of the six. A professional load test will find that. With one bad diode the generator will only be able to produce exactly one third of its rated output current. That's not enough to meet the demands of the electrical system under all conditions so the battery will make up the difference until it runs down.

With the engine off the battery voltage should be 12.6 volts. That shows it's fully charged. If you find closer to 12.2 volts the battery is okay but it's discharged. At around 11 volts or less the battery has a shorted cell and must be replaced.
Was this
answer
helpful?
Yes
No
Wednesday, October 30th, 2019 AT 6:28 PM (Merged)
Tiny
CLAUTED02
  • MEMBER
  • 2 POSTS
Thank you so much for your answer it seems that is exactly what is happening with my battery. I think I have to replace it. But my other concern is : I was visiting a Suzuki forum, there is a lot of people that has the same problem with the same car. Some of them have been changing : Alternator, Starter, and battery but they still have the same problem. A couple people think it might be the FUSE PANEL, LOOSE GROUND WIRE or WIRING problem between the IGNITION and the STARTER which is draining voltage. What is your opinion?

Thank you for spending your time answering my questions. You are doing a very good job by helping people with their car problems. I have you in mind!
I which you wealth !
Was this
answer
helpful?
Yes
No
+1
Wednesday, October 30th, 2019 AT 6:28 PM (Merged)
Tiny
CARADIODOC
  • MECHANIC
  • 34,478 POSTS
Sorry to be leaving you hanging so long. I'm spending almost every day out of town helping a friend.

Start with a professional load test on the charging system. In particular I'm interested in full-load maximum current and "ripple" voltage.
Was this
answer
helpful?
Yes
No
Wednesday, October 30th, 2019 AT 6:28 PM (Merged)
Tiny
PICKLEROSE2
  • MEMBER
  • 1 POST
  • 2005 SUZUKI XL7
  • AUTOMATIC
  • 105,000 MILES
My daughter had a blow out on the rear passenger tire. This caused her to lose control and hit the curb, blowing out the passenger front tire. Car will not turn over now. Lights, radio and AC work, but there is not even a noise when you try to crank it. Is there a reset or kill switch built in that needs to be reset? There is not a Zuzuki dealer for miles around me.
Was this
answer
helpful?
Yes
No
Wednesday, October 30th, 2019 AT 6:28 PM (Merged)
Tiny
HMAC300
  • MECHANIC
  • 48,601 POSTS
Try resetting security system not sure if that is problem but sounds like it. see link.
https://www.2carpros.com/articles/how-to-reset-a-security-system
Was this
answer
helpful?
Yes
No
Wednesday, October 30th, 2019 AT 6:28 PM (Merged)
Tiny
NALABUG
  • MEMBER
  • 1 POST
  • 2005 SUZUKI XL7
  • 130,000 MILES
My car died the other day while driving and I was told that my alternator went. I had it replaced, but now the car sputters when I am tring to start it. I have jumped it and it starts, but then sounds as if someone is revving the engine, while it is idiling. Also, every light is on, on the dashboard, and my radio wont even turn on. I know nothing about cars, and wish I could at least have an idea to see what to check. I have never had any problems before with the car and find it funny that all of a sudden everything is going. Can someone please help?
Was this
answer
helpful?
Yes
No
Wednesday, October 30th, 2019 AT 6:28 PM (Merged)
Tiny
KHLOW2008
  • MECHANIC
  • 41,814 POSTS
I would suggest starting with checking all the main fuses and testing the alternator charging, both between the battery terminals and between alternator main mast and body ground.
Was this
answer
helpful?
Yes
No
Wednesday, October 30th, 2019 AT 6:28 PM (Merged)
Tiny
MWISENEZA
  • MEMBER
  • 6 POSTS
  • 2005 SUZUKI XL7
  • 120,000 MILES
The car doesnt start and the nozzle cant inject enough pressure
Was this
answer
helpful?
Yes
No
Wednesday, October 30th, 2019 AT 6:28 PM (Merged)
Tiny
JACOBANDNICKOLAS
  • MECHANIC
  • 110,192 POSTS
Check fuel pump pressure to make sure the pump is producing enough pressure. Also, what do you mean by nozzle?
Was this
answer
helpful?
Yes
No
Wednesday, October 30th, 2019 AT 6:28 PM (Merged)

Please login or register to post a reply.