Saturday, May 6th, 2017 AT 1:10 PM
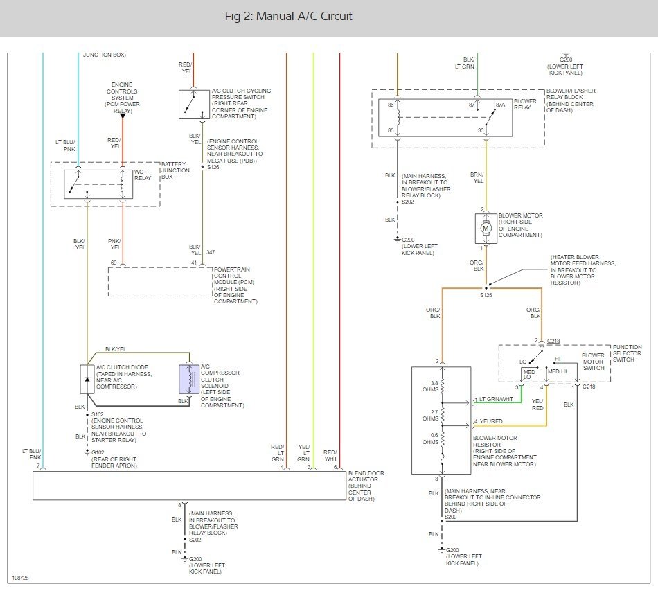
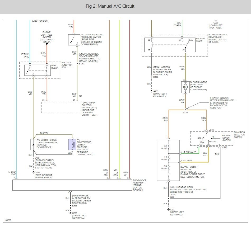
Our AC air compressor went out and we bought a replacement. Switched out the compressors, refilled the Freon (R whatever is the stuff) and let it cycle. The new compressor started to switch on and off, the it stopped running. It is not seized, just not running. Checked the fuse box to check the fuse and there is no fuse in the number five slot for it, but it has been running prior to the compressor going out. Question is, where else would the fuse be? Went through the Haynes manual, and cannot find a solution. Can you help us please?



