Air conditioner not working

Tiny
JOE PHARR
  • MEMBER
  • 2004 FORD F-250
I have a problem with my AC in my 2004 truck. When I first start up it works fine. After driving a while especially in stop and go traffic on a hot day the air will become hot. I have checked under the hood when this happens and the clutch on the compressor seems to be not engaged. I checked for loose wires but did not find any. I tapped the clutch with a hammer and the clutch engaged and air worked fine. Can clutch be repaired or replaced and can it be DIY?
Wednesday, June 6th, 2007 AT 7:37 PM

5 Replies

Tiny
DDWILSON524
  • MEMBER
  • 8 POSTS
Hi, I own a 2003 Ford F-250 Truck, with a 6.0 Turbo Diesel Engine. It is a 4 x 4 with approximately 92,000 miles. The A/C is not working, so opened the hood and noticed the compressor is not engaging. The fuse is okay, so I thought it might just need to be recharged, so I bought an Artic Freeze R134a kit. I hooked up to the low pressure side, and the gauge said the system was overcharged.

Here is what happened. When I disconnected the switch, I noticed a slight engine rpm decrease. When I jumped across the two wires on the connector I get a slight increase in rpm same as with the switch connected. Nothing else changes, no compressor rotation, or fluctuation in pressure. (Note: I have verified that the compressor turns easily by hand). Thanks again.

I started the engine, turned on the A/C, climbed under the truck and tapped on the compressor hub/clutch assembly as instructed. The clutch is still not engaging after much tapping. I did notice that the clutch assembly seemed pretty wobbly inside the hub. I understand they have springs inside to aid in disengagement, but I was surprised that the springing action was as light as it is. Does this sound normal?

I crawled back under the truck, and verified that the compressor rotated freely. I checked for side to side movement, and did not find any, but I did notice that the front plate seemed to move forward a little as I jiggled it. I pulled it fwd as I wiggled it, and it came completely off in my hand. Turns out that the retaining bolt has fallen out. Do you suppose that if I put in a new bolt it will work?

Stopped by the auto parts store, picked up a 6 mm-1.0 x about 3/4" long. Installed the clutch plate. Installed the bolt. A/C is now working flawlessly. Wish I would have used a mirror and noticed the bolt missing a couple of months ago. LOL. I am just happy to have it working, and even more happy that the cost was under two dollars. Thank you for all your wise counsel. I am now cool. Thanks for having this site
Was this
answer
helpful?
Yes
No
+20
Wednesday, August 8th, 2007 AT 1:54 PM
Tiny
KEN L
  • MASTER CERTIFIED MECHANIC
  • 55,488 POSTS
Here is a great guide for troubleshooting a air conditioner system that is not working

https://www.2carpros.com/articles/car-air-conditioner-not-working-or-is-weak

and

https://www.2carpros.com/articles/how-a-car-air-conditioner-works

and

https://www.2carpros.com/articles/air-conditioner-how-to-add-freon

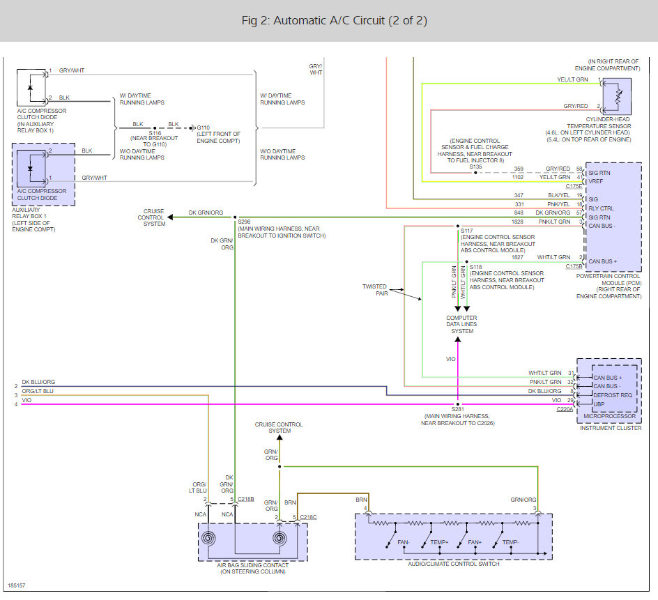
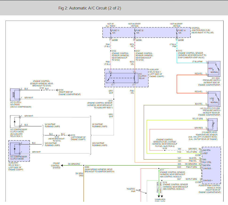
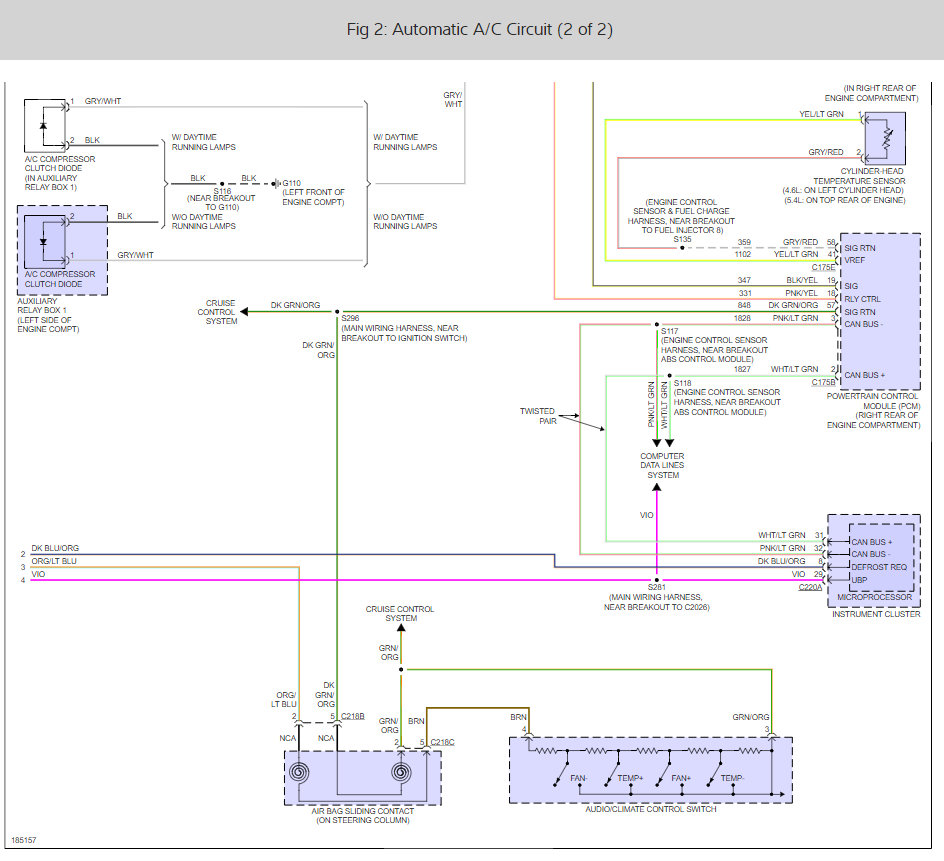
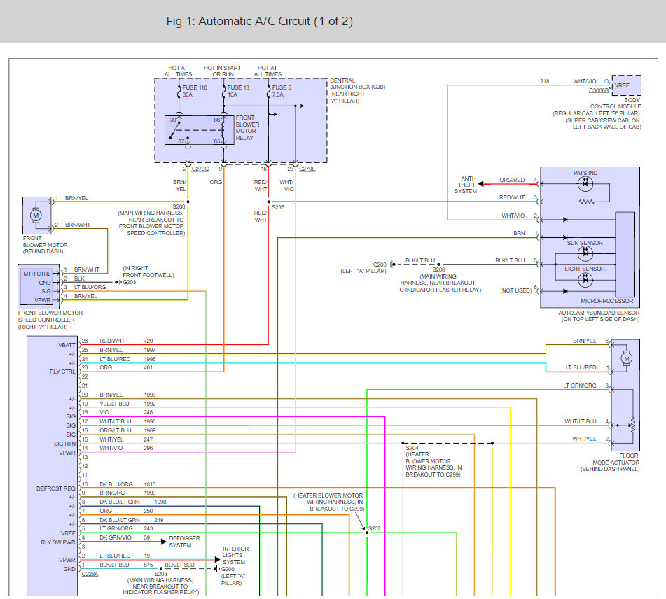
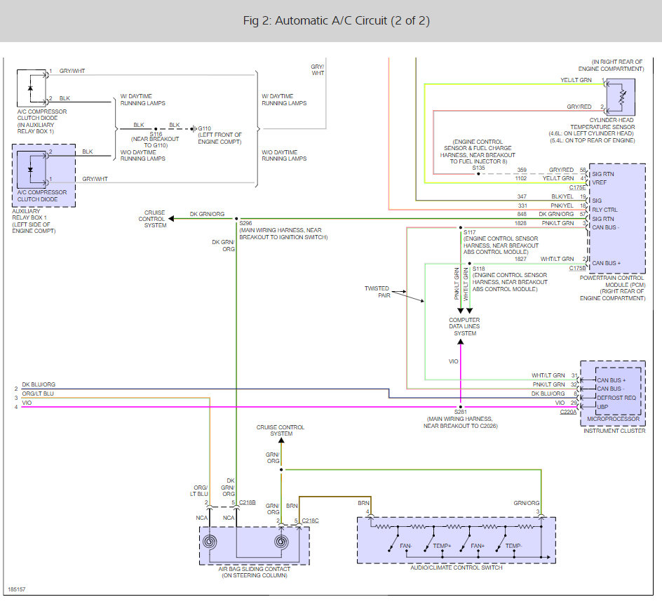
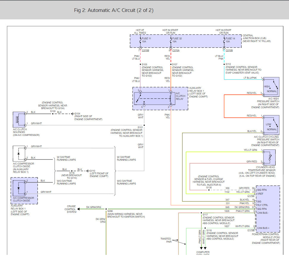
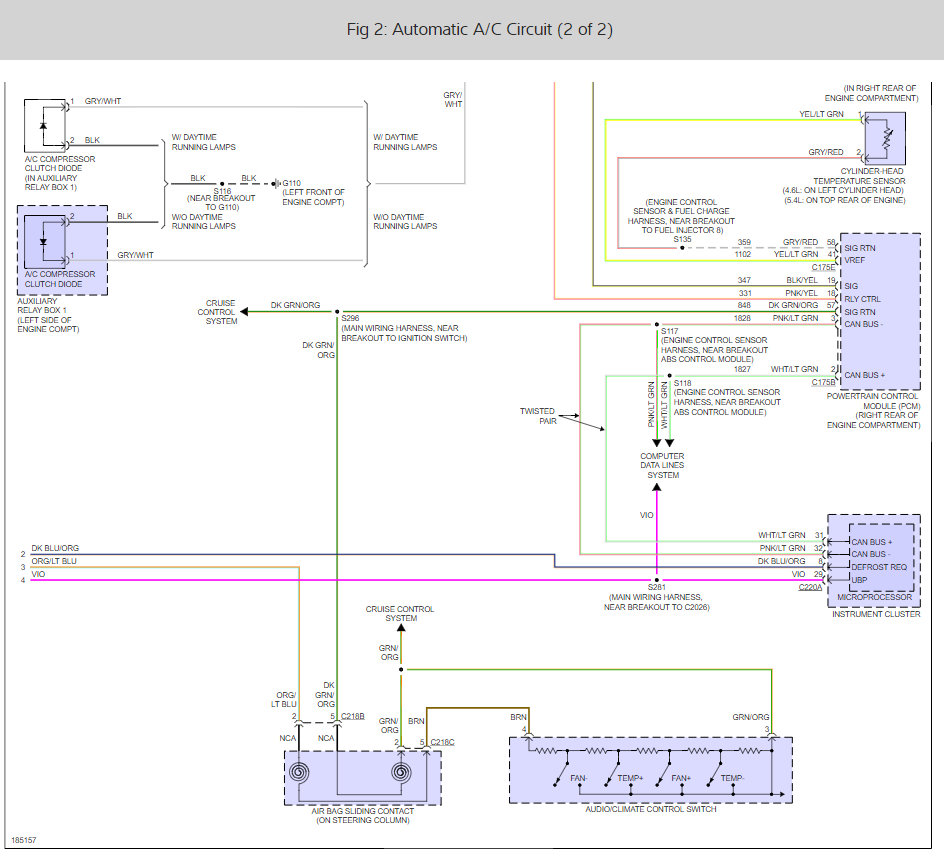
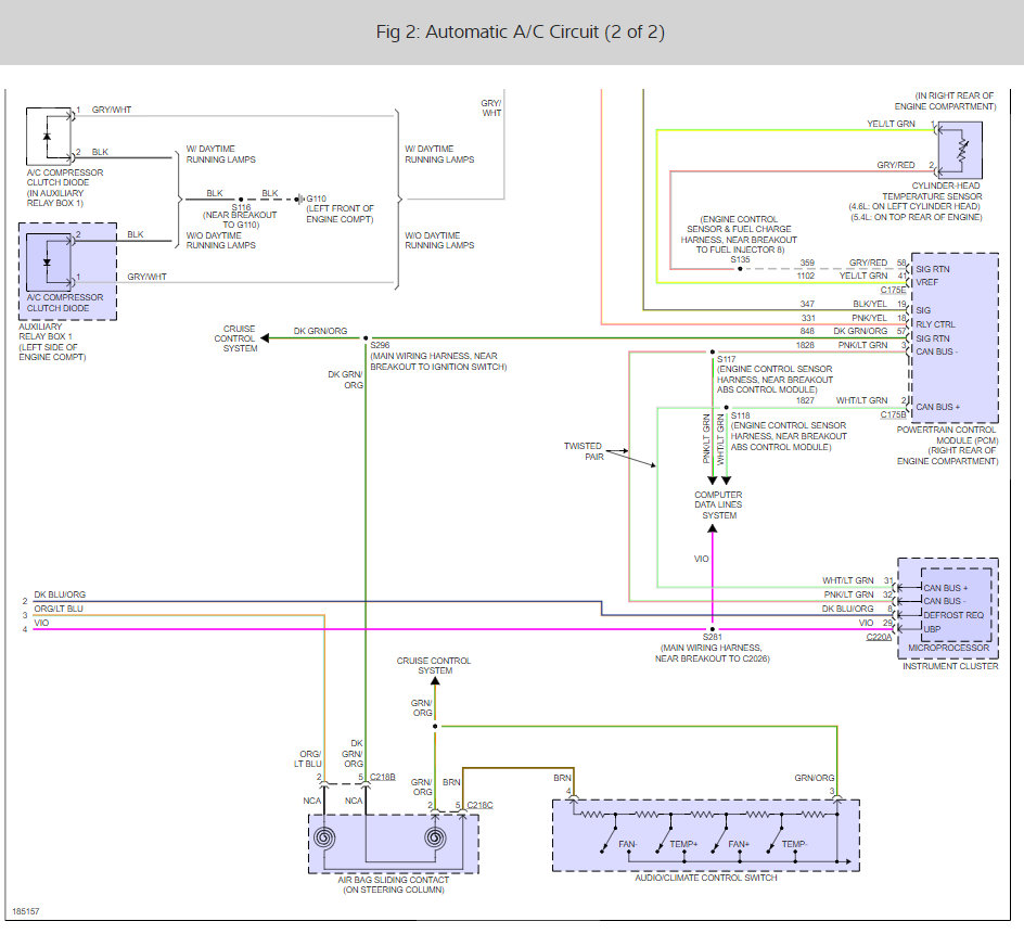
Here are some air conditioner wiring diagrams and a guide to help you do some simple testing. Check to see if the compressor is getting power if it is and it is not working it needs to be replaced

https://www.2carpros.com/articles/replace-air-conditioner-compressor

and

https://www.2carpros.com/articles/how-to-use-a-test-light-circuit-tester

Please let us know what happens so it will help others.

Cheers, Ken
Was this
answer
helpful?
Yes
No
Thursday, August 11th, 2016 AT 10:56 AM
Tiny
GER M
  • MEMBER
  • 2 POSTS
  • FORD F-250
I have a 1995 ford F-250 super with a 7.3 liter diesel engine. The A/C has not worked since I got it. So I thought it might be a matter of just charging it. So I went to Kragens auto store and bought the r-134 easy charge with the gauges. Followed the steps by putting the hose on the low side and filled it until the gauge showed me when to stop. It is holding fine at that position so there is no leak, but the A/C is still not working.
How can I check the compressor to see if it is working? Or have you any ideas as to what is wrong?

Yes I have a test light. I had power at the purple wire so I crossed the purple wire and the other wire like you said and I could see the compressor kicking in. I cannot tell if the A/C is cold or not cause it is actually cold where I am today, but this definitely made a difference. As soon as I put these wires into there proper place again the compressor would click back out again and stop.

Before I jumped the two wires the gauge read 25psi. When I jumped them it went straight to zero. I filled the system up to 35 psi and I re-connected these wires in there proper place and I notice now that the compressor is cutting in and out every couple of seconds. :) I checked the gauge again and ts holding steady at 35 psi. I live in San Francisco city and today is windy and cold so I cannot tell if it is blowing cold or not because when I switch to vent it seems the same.

Did that but compressor is still cutting on and off and can of Freon is nearly empty. When it cuts off it reads about 35 psi and when its comes back on it drops to zero. Also, I noticed water dripping out from under it. Maybe there is a leak in it after all?

What does this mean?

Thanks a lot
Was this
answer
helpful?
Yes
No
+4
Thursday, December 22nd, 2016 AT 3:07 PM (Merged)
Tiny
HROSENDAHL
  • MEMBER
  • 1 POST
  • 1996 FORD F-250
  • V8
  • 4WD
  • AUTOMATIC
  • 110,000 MILES
V8 four wheel drive automatic 110,000 miles.

My A/C was running really cold (as in freezing) until yesterday where it stopped running. Hot air came out the vents after the engine warmed up. The fan is still going and when turning the switch to A/C. I can hear the air valve changing position? I have checked the fuse box and the compressor belt is okay. Also, it does not go into defrost position.

How do I troubleshoot the problem from here?
Thanks
Was this
answer
helpful?
Yes
No
+3
Thursday, December 22nd, 2016 AT 3:08 PM (Merged)
Tiny
KEN L
  • MASTER CERTIFIED MECHANIC
  • 55,488 POSTS
It sounds like you have a blend door actuator that has gone bad, here is a guide that will help you see what the problem is

https://www.2carpros.com/articles/replace-blend-door-motor

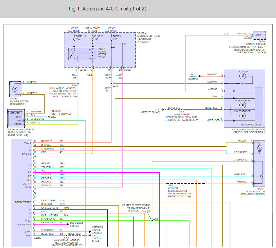
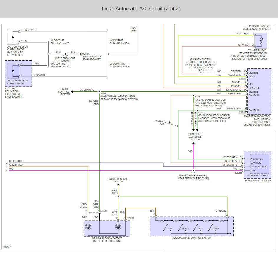
Here is the mode door actuator on your truck (below)

Please let us know what happens.

Cheers, Ken
Was this
answer
helpful?
Yes
No
Friday, August 25th, 2017 AT 2:23 PM

Please login or register to post a reply.