Engine does not crank after replaying pig tail on the main wiring harness

Tiny
INTRIPED1870
  • MEMBER
  • 1997 DODGE INTREPID
  • 3.3L
  • V6
  • 2WD
  • AUTOMATIC
  • 160 MILES
Last night I replaced a pig tail on the main wiring harness. It was color coded wiring no way of messing up they were soldered back together and shrink wrapped. Get up the next morning and the car won't even crank over. Starter out or what battery seems to have power. Car just won't crank over.
Monday, December 6th, 2021 AT 12:01 PM

10 Replies

Tiny
AL514
  • MECHANIC
  • 5,584 POSTS
Hello, what was the harness plug you fixed? Component and wire coloring, it might be that the component or something on that circuit has a parasitic draw on the battery. But we won't know until the proper wire diagrams are looked up.

However, here are a couple guides that will get us started on this issue:

https://www.2carpros.com/articles/everything-goes-dead-when-engine-is-cranked

https://www.2carpros.com/articles/car-battery-dead-overnight

Basically, we need to have the battery tested and find out if it was drained and then find out if there is a draw based on the wiring repair that you did which is what it sounds like.

https://www.2carpros.com/articles/car-battery-load-test

Thanks
Was this
answer
helpful?
Yes
No
Monday, December 6th, 2021 AT 1:00 PM
Tiny
INTRIPED1870
  • MEMBER
  • 16 POSTS
It all meets on the right sides strut tower. A plastic box that holds all the plugs or pig tails as I called them. The battery is fine, and I have power everywhere I'm support to except for when I turn the key. All power comes on, starter won't turn over at all. One of the plugs I did last had four purple wires on it if that helps.
Was this
answer
helpful?
Yes
No
Tuesday, December 7th, 2021 AT 6:57 AM
Tiny
AL514
  • MECHANIC
  • 5,584 POSTS
Do you mean the Engine Control Module? The diagram below is in two pictures but it's all one unit. It's mounted on the right side fender.
Was this
answer
helpful?
Yes
No
Tuesday, December 7th, 2021 AT 8:29 AM
Tiny
INTRIPED1870
  • MEMBER
  • 16 POSTS
The 1 on.
The ground is part of the old one. Maybe this will help. I'm going back outside to put the - + battery cables together to drain the computer and try to cross the starter to make sure it's not bad. I've got power everywhere I'm supposed to it just won't crank. Battery is fine.
Was this
answer
helpful?
Yes
No
Tuesday, December 7th, 2021 AT 10:04 AM
Tiny
AL514
  • MECHANIC
  • 5,584 POSTS
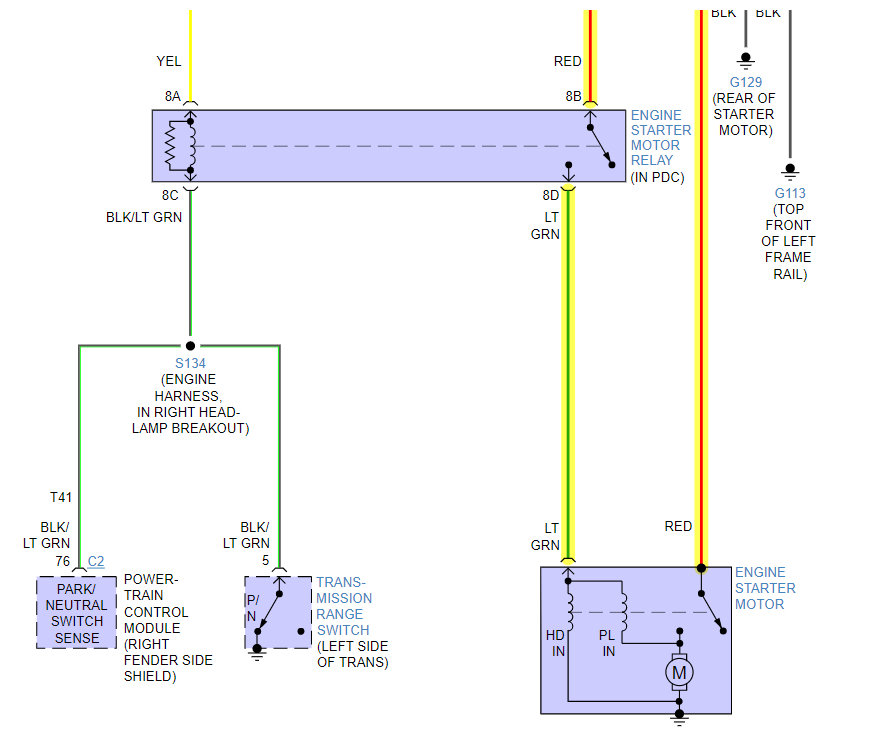
Okay, I will have to search around a little bit to find out what those harness plugs are for. But below I'm putting the starter circuit diagrams, what are you using to check for power, a multimeter or test light?
If the vehicle started before the wire repair, then the problem is going to be in that harness repair area but take a look at the diagrams and let me know where you're exactly missing power. Its missing somewhere or the car would start. or it's missing a ground connection.
And where does the back side of these harness plugs go to? threw the fire wall, or down to the transmission?
notice the black/light green wire going to the PCM and the Transmission Range switch. It provides a ground for that relay to energize the Starter Solenoid which sends power to the light green wire, and I think I see some of these wires in your pictures.
The last diagram is the Throttle Position Sensor, with the key in the On Position, engine not running. Can you unplug that sensor and just see if you have 5 volts on the wire circled in green? It's a voilet/white wire. I just want to make sure the ECM is awake

https://www.2carpros.com/articles/how-a-starter-and-solenoid-works
Was this
answer
helpful?
Yes
No
Tuesday, December 7th, 2021 AT 10:19 AM
Tiny
INTRIPED1870
  • MEMBER
  • 16 POSTS
Sorry I haven't gotten back with you but I'm a second shift Supervisor for an Aluminum and Vinyl Windows Mfg. Co. I did get it started and driving the crazy thing to work every night but it's doing all kinds of crazy things like acting like it don't want to go in reverse and P N R D 1 2 lights in the instrument panel may light up one at a time then they all might all be lit up. Gas gage might be on a half tank one min then the next minute it shows empty etc. To start it I have to put it in Neutral also sometimes the fans won't engage to cool it and cause it to overheat. Now here's my question that someone brought to my attention. When I replaced the first three pigtail of wires, I had the battery disconnected.
On the last pigtails (wires with connectors) I forgot to disconnect the battery. I do know there were none of these problems until I done this. It was brought to my attention and that it may have damaged the computer and be causing me these issues. Is this true? If so, I do have one on hand (PCM).
When I didn't disconnect the battery is when all my problems came into the picture. Again, sorry for the delay and have a good day or in my case, morning. Lol. Michael R.
Was this
answer
helpful?
Yes
No
Wednesday, December 8th, 2021 AT 11:57 PM
Tiny
AL514
  • MECHANIC
  • 5,584 POSTS
Well, it depends really on what those circuits are, honestly, I'm having trouble figuring out what every single wire does. If you could take a few more pictures of the connectors from different angles that would help. And what we can do, is we will go by each connector, and you tell me the wire coloring for each connector, I think there were five all together. So, for example, let's say connector #1 has 8 wires, one is yellow/blue stripe on it. And we'll do each connector like that. So, i can know exactly what the wire does, because if one or a couple of those wires is a network BUS wire, and the solder wasn't perfect, that can cause all kinds of issues because these wires were in the engine compartment, and I guarantee they or most of them are going back to the engine computer, transmission computer, or body control computer. If we do it this way, by connector and each wiring color we can identify what each one is. I don't think you fried any computers unless you hooked up a power wire to a ground. I would also advise checking all your fuses with a 12-volt test light, it's the fastest way.
I know writing down the wire coloring for each connector will take a little while, but it's the only way I can identify the correct circuits. There are way too many wiring diagrams to go through, and I don't guess when it comes to electronics. One wrong move and a $1,000.00 computer gets cooked. So, I think we should do it this way. I think I count six connectors. And do they all go into one bulk harness below the connectors? and if so, where does that lead to?

Most wires will be 2 colors too, so make sure to include both colors.

Just take your time so we get all the correct wiring, I will be here whenever you are ready.

https://www.2carpros.com/articles/how-to-use-a-test-light-circuit-tester

https://www.2carpros.com/articles/how-to-check-a-car-fuse
Was this
answer
helpful?
Yes
No
Thursday, December 9th, 2021 AT 9:07 AM
Tiny
INTRIPED1870
  • MEMBER
  • 16 POSTS
I checked the wire you mentioned, and it read 3.02Volts but the point on my leads wasn't small enough to make contact so I taped along screw to it where I could get a reading. It's very possible I may have stumbled into some or all of the problem.
Was this
answer
helpful?
Yes
No
Sunday, December 12th, 2021 AT 9:43 AM
Tiny
INTRIPED1870
  • MEMBER
  • 16 POSTS
Sorry, I found a branded ground broke underneath the car when I went to change my oil. I'm going to clean it up and find a spot to mount it again. Michael R.
Was this
answer
helpful?
Yes
No
Sunday, December 12th, 2021 AT 9:48 AM
Tiny
AL514
  • MECHANIC
  • 5,584 POSTS
Your issue is definitely in those wires you soldered. Just a matter of which one. Unfortunately, it was a self-induced issue.
If you have one broken ground, you probably have others, when cars get old, sometimes I will just run new grounds from the frame to the engine block, to the battery negative and so on, just to make sure everything is grounded to everything else, and just leave the old ones alone. It helps a lot, you would be surprises how many times a ground looks okay, but isn't.
Was this
answer
helpful?
Yes
No
Sunday, December 12th, 2021 AT 12:29 PM

Please login or register to post a reply.