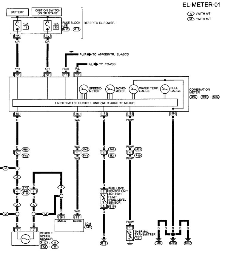
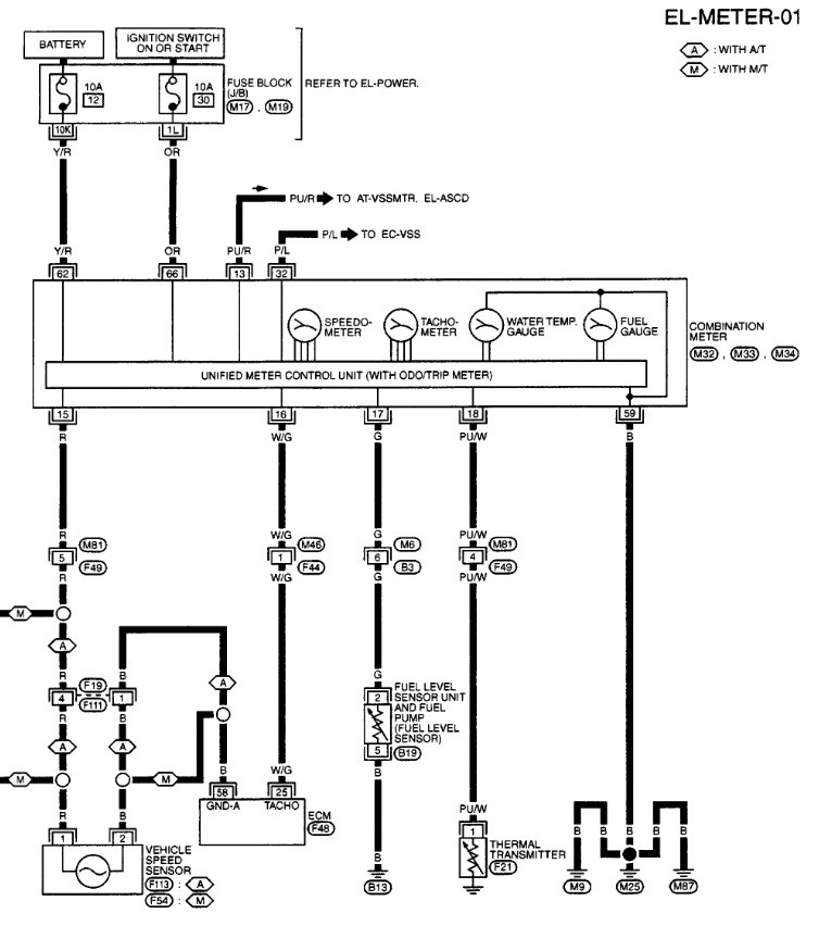
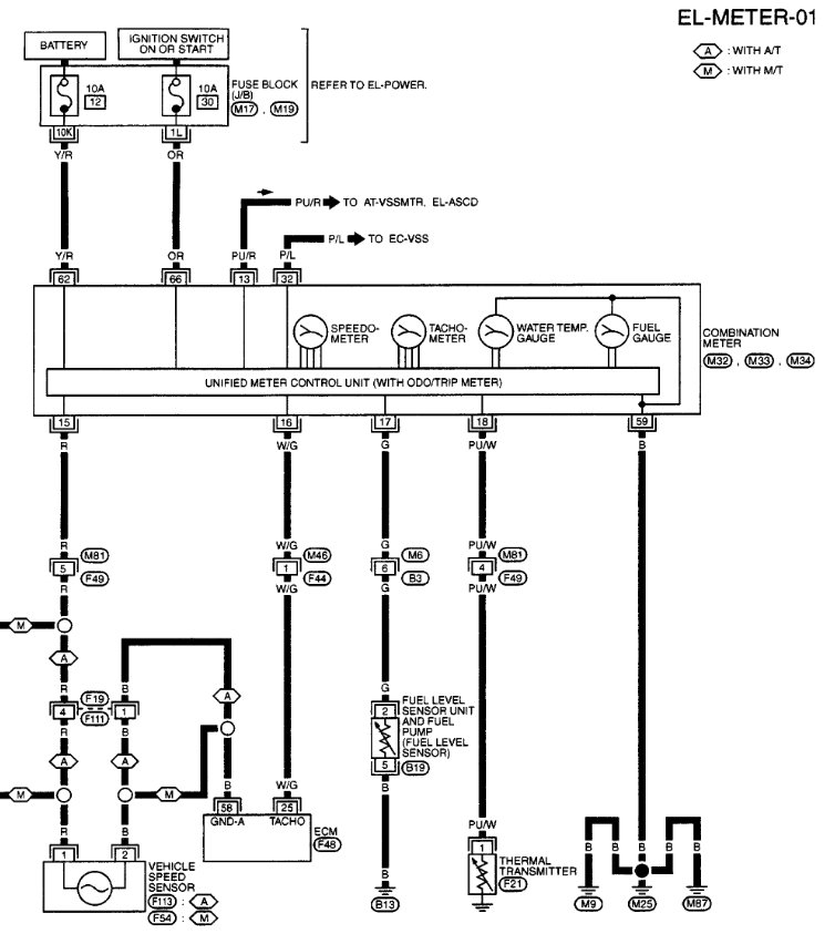
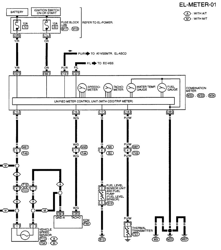
Tuesday, August 3rd, 2021 AT 9:21 AM
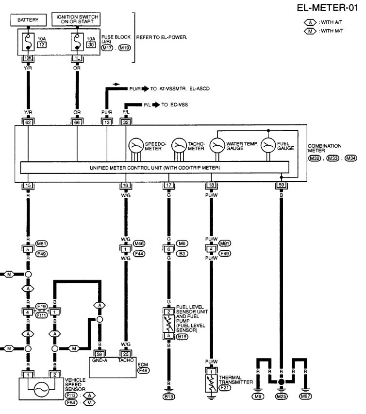
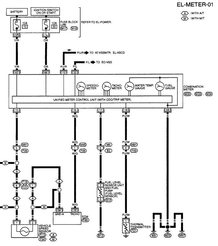
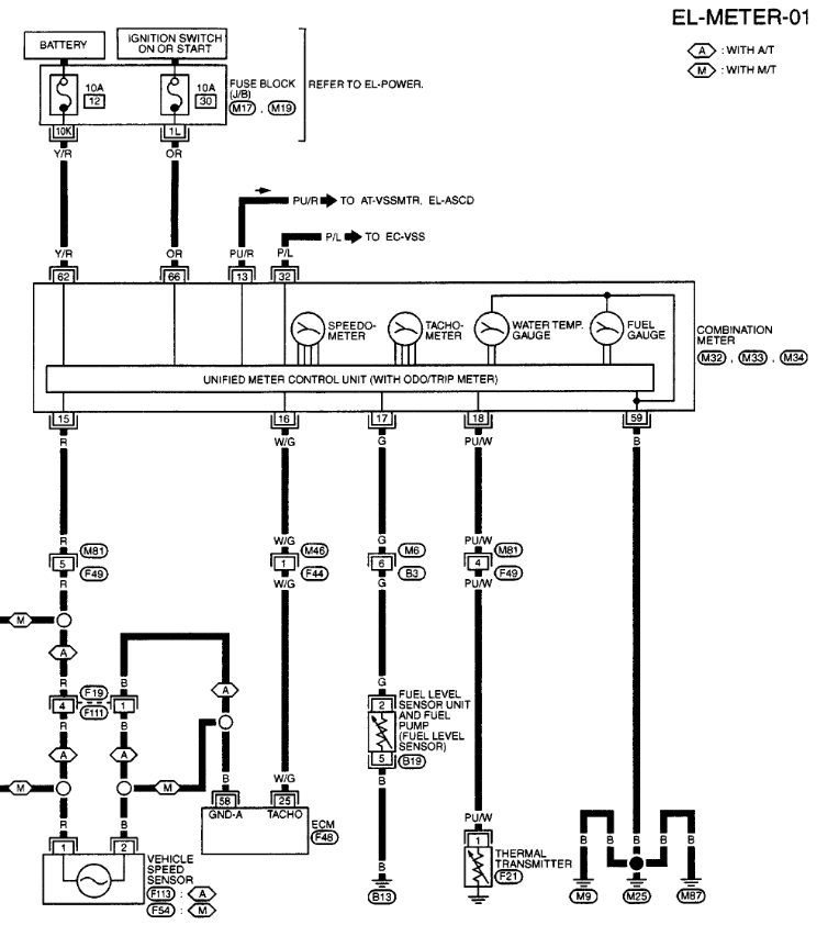
I am trying to remove the relays from relay box #2 in front of the battery and check them, but they all seem to be stuck in place. What do I do?






