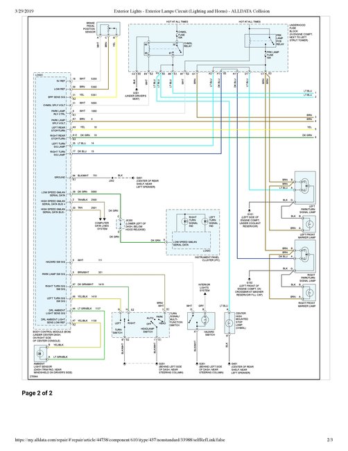
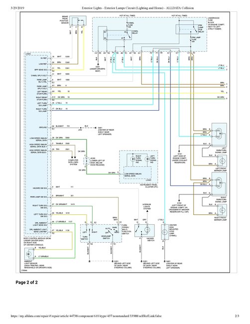
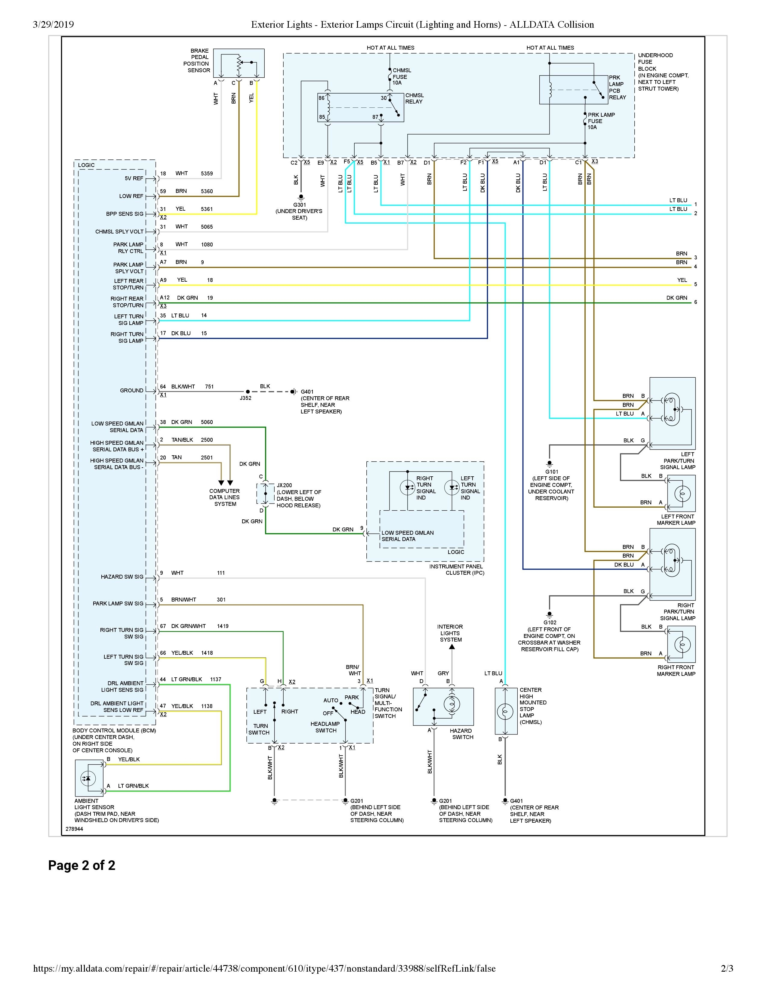
Rear turn signals not working

Tiny
JOSEPH RECKERT
  • MEMBER
  • 2008 CHEVROLET COBALT
  • 2.2L
  • 4 CYL
  • 2WD
  • MANUAL
  • 130,000 MILES
During driving after the vehicle gets to normal operating temperatures I smell what smells kind of like a burning wire type smell. I didn't realize that both my rear turn signals no longer work but my backup lights and brake lights do work. I started testing with a continuity tester and while I was testing the bulb became real bright and then no longer worked. I had the key to the on position but I'm not sure how far I should have had it turned over if I had it too far.

Oh and when I say the bulb became real bright I mean in the continuity tester it blew the bulb in it.
Wednesday, March 27th, 2019 AT 7:11 AM

10 Replies

Tiny
JOSEPH RECKERT
  • MEMBER
  • 6 POSTS
So I just found out my brake lights are not working as well.
Was this
answer
helpful?
Yes
No
Friday, March 29th, 2019 AT 3:46 AM
Tiny
JOETECHPRO
  • MECHANIC
  • 705 POSTS
Hey JOSEPH RECKERT,

When you say continuity tester do you mean a test light?

Can you post a picture of the tester you are using?

The brake/turn signal is powered by the same wire from the BCM (body control module)

You should have the ignition on, dash lights on to do the testing.

With the brake pedal depressed you should have 12V when probing between the yellow wire and the black wire if you are using a test light/voltage tester. Testing at the plug on either rear lamp unit.

If you have 0V then try taking the probe from the black wire and testing between the yellow wire and a known good ground - chassis ground point.

Let me know the results.

Hope that makes sense, if you need any clarification let me know and i'll try explain a different way.

Hope that helps.

Regards, Joe
Was this
answer
helpful?
Yes
No
Friday, March 29th, 2019 AT 10:18 AM
Tiny
JOSEPH RECKERT
  • MEMBER
  • 6 POSTS
Yes it's a light continuity tester. There's a small little light bulb in it I had the one in clipped to the negative and I was testing and I hit one of the fuses and it just lit up real bright and no longer works now. I do have a voltage meter as well but I didn't know how to test using that I read online has to be ohms but I bought this thing a while ago and it's pretty nice and I don't know how to use it yet. I will try your directions and let you know.
Was this
answer
helpful?
Yes
No
Friday, March 29th, 2019 AT 3:40 PM
Tiny
JOETECHPRO
  • MECHANIC
  • 705 POSTS
Hey JOSEPH RECKERT,

Can you please post a picture of the continuity tester you are talking about?

I should be able to direct you to some instructions that will work.

A couple of useful guides below:

https://www.2carpros.com/articles/how-to-use-a-test-light-circuit-tester

https://www.2carpros.com/articles/how-to-use-a-voltmeter

https://www.2carpros.com/articles/how-to-check-wiring

Hope that helps. Please don't hesitate if you have any further questions.

Regards, Joe
Was this
answer
helpful?
Yes
No
Friday, March 29th, 2019 AT 4:54 PM
Tiny
JOSEPH RECKERT
  • MEMBER
  • 6 POSTS
So I've been trying to take a picture and post it but after I take the picture I don't see it load anywhere I tried to take a picture I hit okay and there's nothing there. So I tried to take a picture hit okay and then I just press reply but there's still nothing. I can't tell you it's a Woods continuity tester the model number is CONTW1
Was this
answer
helpful?
Yes
No
Saturday, March 30th, 2019 AT 11:03 AM
Tiny
JOETECHPRO
  • MECHANIC
  • 705 POSTS
Hey JOSEPH RECKERT,

It looks like what you have there is a circuit continuity tester and not a voltage tester.

The continuity tester is used on circuits that are not live to test if the wiring/fuses are intact. By checking the live fuse with this you will have probably blown the bulb in the tester.

What you will need for this testing is a 12 volts automotive test light or a multi-meter.
They are inexpensive to buy.

Examples are in the guides i posted before.

You can check all the fuses in the under-hood fuse box by simply removing the fuse and visually checking whether it is intact. Guide below:

https://www.2carpros.com/articles/how-to-check-a-car-fuse

Let me know if you find a blown fuse which one it was/if replacing cures your fault.

Hope that helps.

Regards, Joe
Was this
answer
helpful?
Yes
No
Sunday, March 31st, 2019 AT 2:50 PM
Tiny
JOSEPH RECKERT
  • MEMBER
  • 6 POSTS
Is there an app that I can use and still speak with you on here. Do you guys have an app? Because I want to upload pictures and it's never letting me do it.
Was this
answer
helpful?
Yes
No
Monday, April 1st, 2019 AT 9:46 AM
Tiny
JOETECHPRO
  • MECHANIC
  • 705 POSTS
Hey JOSEPH RECKERT,

Sorry but we do not currently have an app.

Have you tried uploading the photos from you computer or phone?

What are you trying to send? If you can describe it I will do my best to work out what you need.

Regards, Joe
Was this
answer
helpful?
Yes
No
Monday, April 1st, 2019 AT 3:42 PM
Tiny
JOSEPH RECKERT
  • MEMBER
  • 6 POSTS
Well when I open my trunk I notice a wire hanging down that I never noticed before. It looks like it should be plugged in somewhere. I'd like to send it to you. But my wife was behind me yesterday and she told me my brake lights are working and my back up lights are working. Just my turn signals are not working. My fuses are good. I just didn't think both my bulbs would go out at the same time. Maybe I'll just buy bulbs and see if that is the issue.
Was this
answer
helpful?
Yes
No
Tuesday, April 2nd, 2019 AT 7:42 AM
Tiny
JOETECHPRO
  • MECHANIC
  • 705 POSTS
Hey JOSEPH RECKERT,

You will need to ensure the bulbs are good. Replacing them will rule this out.

Also try turning the hazard warning lights on, do you then get output from the flashers?

Is it just the rear flashers not working?

Put the hazards on and walk around to check all of your flashers, then put each turn signal on individually and check if you are getting anything.

The ignition will need to be on for the turn signals, the hazards will work with the ignition off.

Regards, Joe
Was this
answer
helpful?
Yes
No
Tuesday, April 2nd, 2019 AT 10:06 AM

Please login or register to post a reply.