Rear top line brake light bar not working

Tiny
DBETTYBOOP1
  • MEMBER
  • 2004 CADILLAC CTS
  • 12,000 MILES
Not sure how to fix it.
Tuesday, April 30th, 2019 AT 9:11 AM

1 Reply

Tiny
STEVE W.
  • MECHANIC
  • 15,697 POSTS
Hello and welcome to 2CarPros.
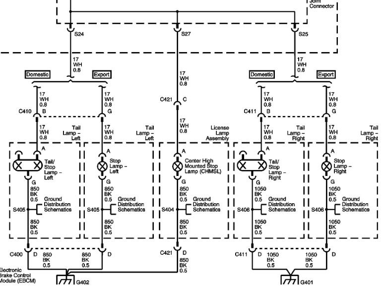
There are a couple reasons for them to fail. The most common is that the wires that go from the body to the trunk lid bend every time you open or close the trunk. That motion will break the wires over time. The good thing is that there are only two wires in the harness to it. One is white and carries the 12 volt feed from the switch, the other is black and goes to a ground connection. The light uses the same fuse as the other brake lights so if they work the fuse is good. They also use the same relay and controls so the same applies there.

To test it the easy way is to use a test light at the socket behind the CHMSL itself. Open the trunk and you will find the fasteners used to secure the rear panel to the trunk lid. Remove those and the entire panel will come off with the license plate and lamps. The wiring connector will be right behind it. Use a test light or meter connected to the white and black wires. Have someone step on the brakes. If the light comes on or you see 12 volts on the meter and if you connect it to the lamp bar it doesn't light the bar itself is the problem.

More likely is that the power wire by the hinge has broken. To find the break you remove the harness covering and trace the wires along the area that flexes near the trunk hinge arms. There will be 3-4 wires in this harness, the black, white and a yellow. The yellow is the power for the license plate lamps. If you grasp the wires at the ends one at a time you can pull on them and look at the insulation, the area where the break is will stretch and look like an hourglass. Then you simply cut the broken area and splice it together by soldering it and covering it with shrink tube. Or a better way is to cut out those areas and replace them from end to end so that the new wire goes from the fixed areas at each end.

https://www.2carpros.com/articles/how-to-use-a-test-light-circuit-tester
https://www.2carpros.com/articles/how-to-check-wiring
https://www.2carpros.com/articles/how-to-use-a-voltmeter

My thought is that it will be either the white wire is broken or the lamp itself is bad. I would hope it's the wire as the last time I looked that light is very expensive to replace.
Was this
answer
helpful?
Yes
No
-1
Tuesday, April 30th, 2019 AT 11:28 PM

Please login or register to post a reply.