Rear noise when I stop

Tiny
DANNY L
  • MECHANIC
  • 5,648 POSTS
Hello, I'm Danny.

I found the driveshaft bearing and support for you at NAPA. It's only $17.00. Picture is below. Hope this helps and thanks for using 2CarPros.
Was this
answer
helpful?
Yes
No
Friday, March 27th, 2020 AT 5:00 PM
Tiny
CANNON1349
  • MECHANIC
  • 908 POSTS
Hi Danny,

Thanks for your efforts. But how can you be sure? I thought these shafts were non serviceable? And how would I get it off?
Was this
answer
helpful?
Yes
No
Friday, March 27th, 2020 AT 5:58 PM
Tiny
CANNON1349
  • MECHANIC
  • 908 POSTS
I looked through Napa's bearings and they all say they don't fit the 2011 Ford pickup. It say it should fit earlier models of Ford pickups
Was this
answer
helpful?
Yes
No
Friday, March 27th, 2020 AT 6:10 PM
Tiny
DANNY L
  • MECHANIC
  • 5,648 POSTS
Hello again.

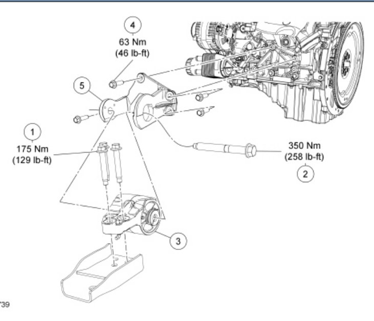
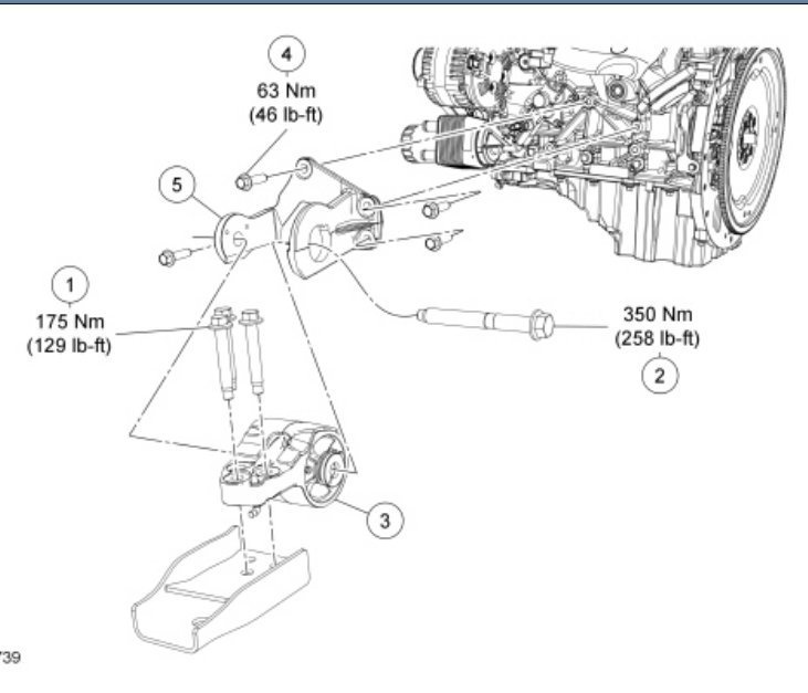
Yes, Your driveshaft is serviceable. It is a 2-piece design. You will have to have the bearing pressed onto the front shaft.Most auto repair places will have a press.Here is a tutorial showing how to remove a driveshaft:

https://www.2carpros.com/articles/how-to-remove-a-drive-shaft

I've attached a picture below of the 2-piece driveshaft for your Ford truck.I circled the bearing in red.Also attached picture steps for removal.Hope this helps and thanks again for using 2CarPros.
Was this
answer
helpful?
Yes
No
Friday, March 27th, 2020 AT 6:13 PM
Tiny
CANNON1349
  • MECHANIC
  • 908 POSTS
If this is serviceable, then why are those bearings from Napa, and other center support parts showing up when they don't fit?
Was this
answer
helpful?
Yes
No
Friday, March 27th, 2020 AT 6:28 PM
Tiny
JACOBANDNICKOLAS
  • MECHANIC
  • 110,192 POSTS
If I can jump back in, the part does look correct, but I checked it and it doesn't fit this truck. See attached. I can totally understand why Danny suggested it. It looks like it should work and when you type in what is needed, it shows that bearing. Ugh! Nothing is ever easy.

Joe
Was this
answer
helpful?
Yes
No
Friday, March 27th, 2020 AT 9:02 PM
Tiny
CANNON1349
  • MECHANIC
  • 908 POSTS
Yeah. But now I realize that it is a two piece deal. I read that there was a TSB on Fords where the splines lose their nickel plate coating and they slip or something, perhaps that is what the noise could be, which prompts for a new shaft I believe.
Was this
answer
helpful?
Yes
No
Saturday, March 28th, 2020 AT 3:34 AM
Tiny
CANNON1349
  • MECHANIC
  • 908 POSTS
Well guess what. I was lowering the truck off the lift from an oil change and was watching the motor and it was "skipping" backwards as it was lowered back onto the ground. Could see the shaft part of the motor mounts move in and out. And, was making a much similar sound.
Was this
answer
helpful?
Yes
No
Saturday, March 28th, 2020 AT 11:14 AM
Tiny
CANNON1349
  • MECHANIC
  • 908 POSTS
Also had the wife help me. I held on to the side of the truck while she put it in drive and slammed on the brakes, and sure enough I watched the engine slide forward and knock on the driver side engine mount as soon as the truck met a stop. And if it didn't, when put in reverse the passenger side mount would knock.
Was this
answer
helpful?
Yes
No
Saturday, March 28th, 2020 AT 3:15 PM
Tiny
DANNY L
  • MECHANIC
  • 5,648 POSTS
Hello again.

Looks like you found the problem! Motor mounts. Those are readily available at any auto parts stores. Keep us updated after you replace. Thanks again for using 2CarPros.

Danny-
Was this
answer
helpful?
Yes
No
Saturday, March 28th, 2020 AT 3:17 PM
Tiny
CANNON1349
  • MECHANIC
  • 908 POSTS
Do you have any tips on doing this with jacks? The manual calls for an engine hoist and removing the intake, etc. And I don't have those big tools.
Was this
answer
helpful?
Yes
No
Saturday, March 28th, 2020 AT 3:29 PM
Tiny
DANNY L
  • MECHANIC
  • 5,648 POSTS
Hello again.

I would suggest loosening both main mount bolts and just doing 1 side at a time. Try using a floor jack with a piece of wood under the oil pan to lift 1 side high enough to get mount out. After replacing just install bolt but don't tighten. Move to other side and do that one. After both are replaced tighten the 2 main bolts.I've attached a picture below of what it looks like. Hopefully you have enough room to get tools and your hand in there. Hope this helps and thanks again for using 2CarPros.
Was this
answer
helpful?
Yes
No
Saturday, March 28th, 2020 AT 3:48 PM
Tiny
CANNON1349
  • MECHANIC
  • 908 POSTS
There's a crossmember above the oil pan. What about lifting it where the engine meets the trans? And you would loosen the main bolts Before lifting? And tighten before lowering?
Was this
answer
helpful?
Yes
No
Saturday, March 28th, 2020 AT 3:51 PM
Tiny
DANNY L
  • MECHANIC
  • 5,648 POSTS
Hello again.

Yes, loosen one bolt and remove the other main bolt through the mount and raise to clear mount. Swap out the mount and tighten to frame. Lower the engine and put in mount bolt don't tighten and move to other side. After lowering down and installing bolt second side, tighten both mount bolts when done. Hope this helps.

Danny-
Was this
answer
helpful?
Yes
No
Saturday, March 28th, 2020 AT 4:08 PM
Tiny
CANNON1349
  • MECHANIC
  • 908 POSTS
I don't know about this. It looks like the right hand side mount can only come out as one piece with the bracket, and that the A/C compressor has to come off. Is that so? That's a bit much for motor mounts I think. Any tips would be appreciated.
Was this
answer
helpful?
Yes
No
Thursday, April 2nd, 2020 AT 9:42 AM
Tiny
JACOBANDNICKOLAS
  • MECHANIC
  • 110,192 POSTS
Hi,

Honestly I think you have to take the upper intake manifold or it will hit as well. And yes, the compressor needs removed; The engine doesn't need to come up too high but there are things that will stop it. That's why I believe the manifold is an issue.

Danny, are you suggesting that he simply lift the engine enough to get things out? I would think that could be done as long as it's supported while he works. I know the manual calls for an engine support. Other things can be used in place.

Cannon, which cross member are you referring to? Is it the one the transmission is mounted to?

Joe
Was this
answer
helpful?
Yes
No
Thursday, April 2nd, 2020 AT 6:45 PM
Tiny
CANNON1349
  • MECHANIC
  • 908 POSTS
I'm referring to the cross-member below it. Not above. I think it's for the rack. Also, I believe the intake manifold was supposed to come off just for the sake of installing lifting eyes. My main enemy is this air compressor. The left hand side however looks to be a piece of cake.
Was this
answer
helpful?
Yes
No
Thursday, April 2nd, 2020 AT 6:49 PM
Tiny
JACOBANDNICKOLAS
  • MECHANIC
  • 110,192 POSTS
That is very possible. I just remember having to remove one to lift. I think I used a cherry picker (engine hoist) to raise it. Also, you can use a floor jack on the crank pulley but put a 2x4 between the two to lift and be careful. It only had to go up a small amount, maybe 2 inches.

Let us know how it goes or if you have other questions.

Take care,
Joe
Was this
answer
helpful?
Yes
No
Thursday, April 2nd, 2020 AT 7:40 PM
Tiny
CANNON1349
  • MECHANIC
  • 908 POSTS
I've been thinking about it, perhaps the intake needed to come off because the 2 heater hoses going to the core are basically touching it, and it needs to come off to avoid breaking it.

Counter question: If the jack just hold the engine in place instead of lifting it, wouldn't that defeat removing the intake?
Was this
answer
helpful?
Yes
No
Friday, April 3rd, 2020 AT 8:15 PM
Tiny
JACOBANDNICKOLAS
  • MECHANIC
  • 110,192 POSTS
Hi,

It still will needs to be raised to fully remove the mounts. If you only use a jack, be careful. They can slip easily.

Joe
Was this
answer
helpful?
Yes
No
Friday, April 3rd, 2020 AT 9:03 PM

Please login or register to post a reply.