Rear noise when I stop

Tiny
CANNON1349
  • MECHANIC
  • 908 POSTS
Hey guys. Took the truck to a shop and the ASE master tech said it really feels like the driveshaft splines need to be lubricated with Ford lubricant. He checked the mounts and they didn't move, but he said the engine will jolt forward when the splines get stuck. Apparently there's a TSB out on these.

Also there is a little whine coming from the rear, he believes it to be the bearing on the pinion gear, and to just watch for it to get noticeably louder over time. Is that something you can just take out or does the entire diff have to be rebuilt?
Was this
answer
helpful?
Yes
No
Thursday, April 9th, 2020 AT 5:47 PM
Tiny
JACOBANDNICKOLAS
  • MECHANIC
  • 110,192 POSTS
Hi,

You can replace the pinion bearings without rebuilding the differential. IF you have the the exact differential in the vehicle, I will provide the directions.

Let me know.

Joe
Was this
answer
helpful?
Yes
No
Thursday, April 9th, 2020 AT 6:24 PM
Tiny
CANNON1349
  • MECHANIC
  • 908 POSTS
Its the 8.8 rig, no idea about gear ratio.
Was this
answer
helpful?
Yes
No
Thursday, April 9th, 2020 AT 6:25 PM
Tiny
JACOBANDNICKOLAS
  • MECHANIC
  • 110,192 POSTS
Hi,

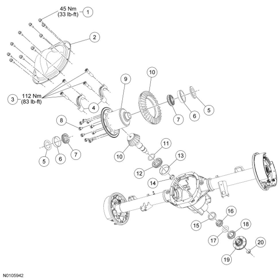
In the last pic, I circled the two bearings that need replaced. You will need to replace the race for each bearing. You will need special tools for this and a press. Note most parts stores will lend you the tools.

_________________________________________

2011 Ford Truck F 150 2WD V6-3.7L
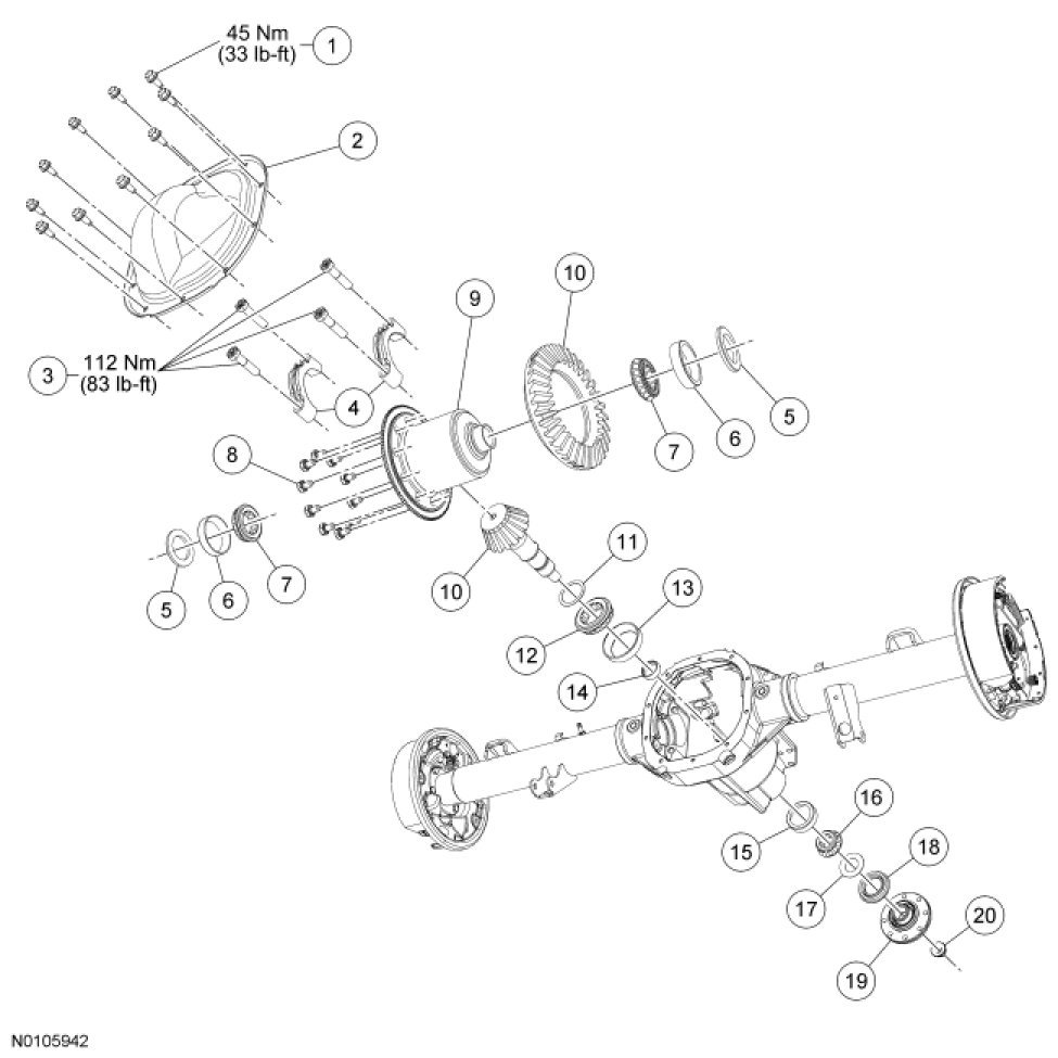
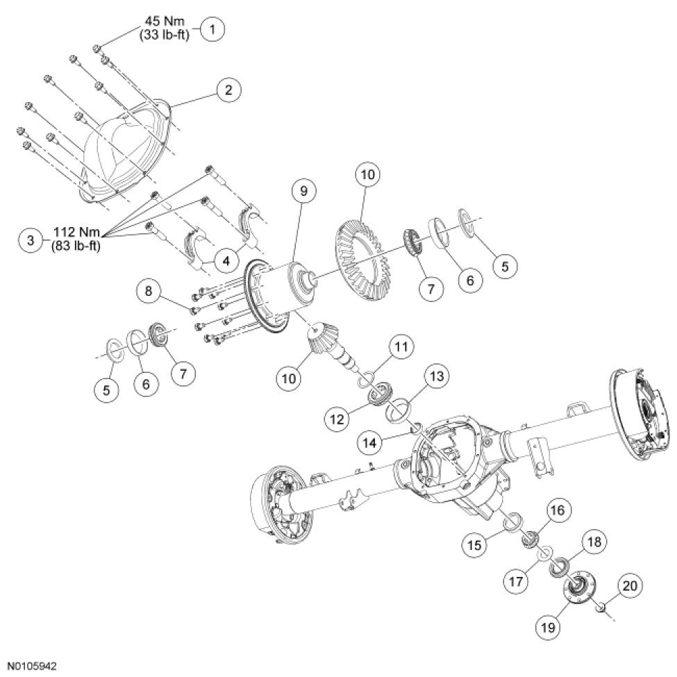
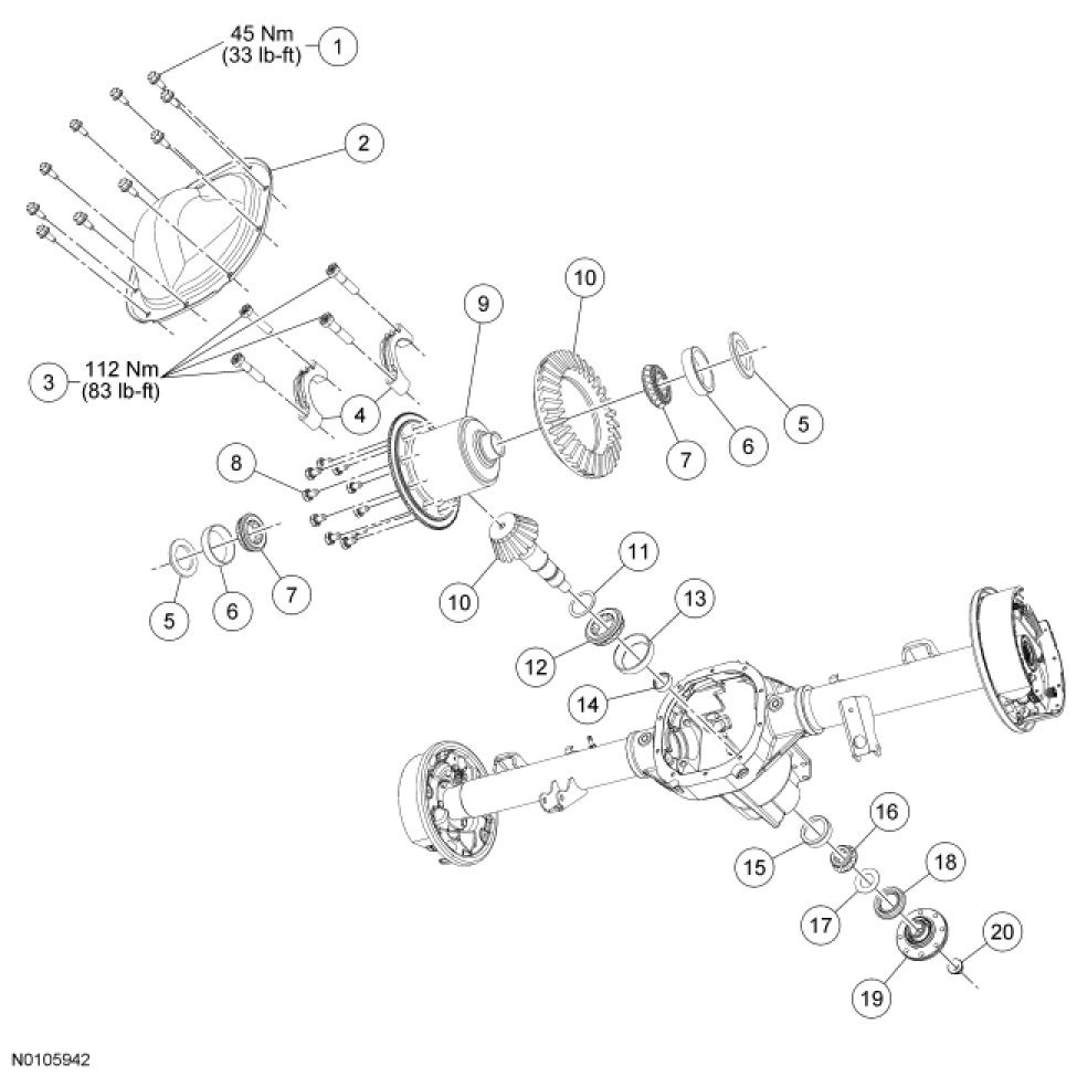
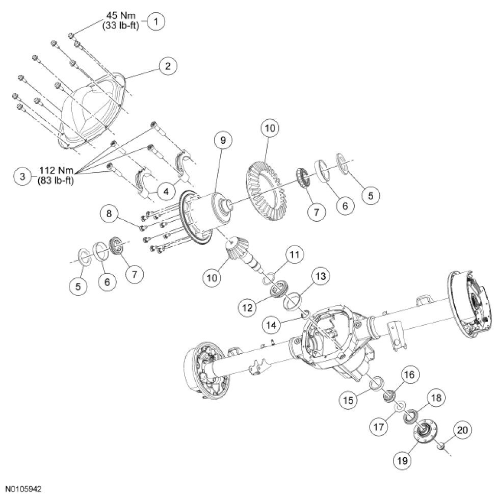
Differential Bearings
Vehicle Transmission and Drivetrain Differential Assembly Service and Repair Removal and Replacement Rear Drive Axle/Differential - Ford 8.8-Inch Ring Gear Differential Bearings
DIFFERENTIAL BEARINGS
Differential Bearings

pic 1

pic 2

pic 3

pic 4

Removal

1. Remove the drive pinion seal. For additional information, refer to Drive Pinion Flange and Drive Pinion Seal See: Pinion Flange, Differential > Removal and Replacement > Drive Pinion Flange and Drive Pinion Seal.

2. Remove the differential carrier. For additional information, refer to Differential Carrier See: Differential Assembly > Removal and Replacement > Differential Carrier.

3. Remove the axle drive pinion shaft oil slinger.

4. Using the Drive Pinion Thread Protector and a soft-faced hammer, drive the pinion assembly out of the outer pinion bearing and remove it through the rear of the differential housing.

Pic 5

5. Remove the outer pinion bearing.

6. Remove the drive pinion collapsible spacer and discard it.

Pic 6

7. Using the Bearing Puller and a suitable press, remove the inner pinion bearing.

Pic 7

8. Using a brass drift, remove the pinion bearing cups by tapping alternately on opposite sides of the bearing cups.

Pic 8

9. Using the 2 Jaw Puller and Step Plate, remove the 2 differential bearings.

Pic 9

Installation

1. Position the Drive Pinion Bearing Cup Installer and the inner and outer bearing cups in their respective bores.

1. After placing the inner and outer bearing cups in their respective bores, place the Drive Pinion Bearing Cup Installer on the inner bearing cup.

2. Place the Drive Pinion Bearing Cup Installer on the outer bearing cup.

3. Install the Drive Pinion Bearing Cup Installer.

Pic 10

2. Tighten the Drive Pinion Bearing Cup Installer to seat the pinion bearing cups in their bores.

Pic 11

3. NOTE: If a feeler gauge of the specification shown can be inserted between a cup and the bottom of its bore at any point around the cup, the cup is not correctly seated.

Make sure the differential pinion bearing cups are correctly seated.

Pic 12

4. NOTE: Install new drive pinion bearings without any additional lubricant since the anti-rust oil provides adequate lubricant without upsetting the drive pinion bearing preload settings.

Assemble and position the Adapters.

Pic 13

pic 14

5. NOTE: This step duplicates final drive pinion bearing preload.

Tighten the Adapter.

- Tighten to 2.2 Nm (20 lb-in) rotational torque.

Pic 15

6. NOTE: The Adapter must be offset to obtain an accurate reading.

Rotate the Adapter several half turns to make sure of correct seating of the drive pinion bearings and position the Adapter.

Pic 16

7. Install the Adapter.

1. Position the gauge tube.

2. Install the 2 differential bearing caps.

3. Install the 4 differential bearing cap bolts.
- Tighten to 112 Nm (83 lb-ft).

Pic 17

8. NOTE: Drive pinion bearing adjustment shims must be flat and clean.

NOTE: A slight drag should be felt for correct drive pinion bearing adjustment shim selection. Do not attempt to force the drive pinion bearing adjustment shim between Adapter and gauge tube. This will minimize selection of a drive pinion bearing adjustment shim thicker than required, which results in a deep tooth contact in final assembly of integral axle assemblies.

Use a drive pinion bearing adjustment shim as a gauge for drive pinion bearing adjustment shim selection.

- After the correct drive pinion bearing adjustment shim thickness has been determined, remove all of the Adapters.

Pic 18

9. Using the Shaft Bearing Cone Installer and Bearing Oil Seal Plate and a shop press, drive the inner drive pinion bearing and drive pinion bearing adjustment shim until they are firmly seated on the pinion shaft.

Pic 19

10. Install a new drive pinion collapsible spacer on the pinion shaft against the pinion shaft shoulder.

Pic 20

11. Install the drive pinion assembly into the axle housing.

Pic 21

12. Install the outer drive pinion bearing and the drive pinion shaft oil slinger.

13. Install the drive pinion seal and flange. For additional information, refer to Drive Pinion Flange and Drive Pinion Seal See: Pinion Flange, Differential > Removal and Replacement > Drive Pinion Flange and Drive Pinion Seal.

14. Using the Differential Side Bearing Installer, install the 2 new differential bearings.

Pic 22

15. Install the differential carrier. For additional information, refer to Differential Carrier See: Differential Assembly > Removal and Replacement > Differential Carrier.

_____________________________

Let me know if you have questions.

Joe
Was this
answer
helpful?
Yes
No
Thursday, April 9th, 2020 AT 6:51 PM
Tiny
CANNON1349
  • MECHANIC
  • 908 POSTS
So here's an update on all of this:

The "thump" noise was the driveshaft. All you need to do is take out the driveshaft and grease it with the Ford Moly grease. In my case, the U-Joints were extremely tight and the center support bearing was loose, so it needed a new driveshaft. The driveshaft is only available from Ford, for this model truck (3.7 L, RWD, 145" wheelbase, crew cab). The good news is that Ford updated the driveshaft design with this "thump" problem in mind - they now have included a grease fitting for you to grease the splines without removing the shaft.

Also, for the rear differential, the gears have begun to wear unevenly. They are pitting. So I'll need a new differential. I found one with 97,000 on it, and that should fix that issue and I'll be set.
Was this
answer
helpful?
Yes
No
Tuesday, April 14th, 2020 AT 3:34 PM
Tiny
DANNY L
  • MECHANIC
  • 5,648 POSTS
Hello again.

That's a bad design then. How can the center bearing not be replaceable?

Danny-
Was this
answer
helpful?
Yes
No
Tuesday, April 14th, 2020 AT 3:39 PM
Tiny
CANNON1349
  • MECHANIC
  • 908 POSTS
I took the shaft to a driveshaft shop, the man said that the gears where the driveshaft is divided are beveled, so if he took it apart he would have to break it. There's a sticker on the shaft saying "scrap if dropped, " meaning it's a one-time use shaft.
Was this
answer
helpful?
Yes
No
Tuesday, April 14th, 2020 AT 3:41 PM
Tiny
DANNY L
  • MECHANIC
  • 5,648 POSTS
Hello again.

Wow! That's bizarre. Well, glad you found the problem! Thanks again for using 2CarPros. Hope you will use us again.

Danny-
Was this
answer
helpful?
Yes
No
Tuesday, April 14th, 2020 AT 3:44 PM

Please login or register to post a reply.