Friday, March 12th, 2021 AT 5:51 PM
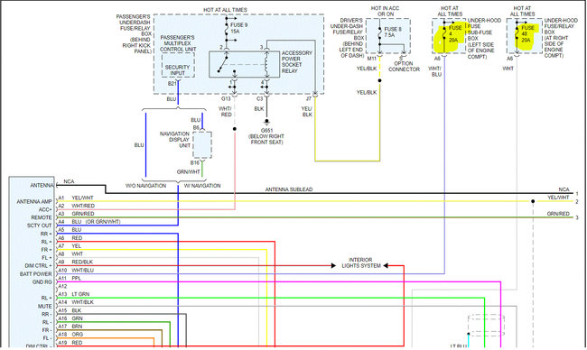
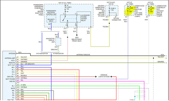
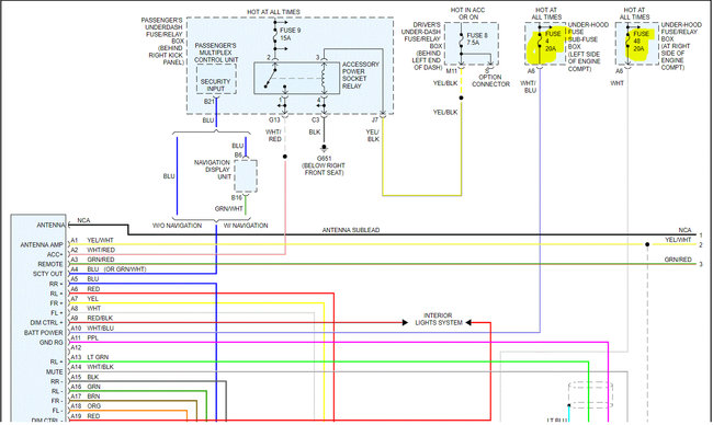
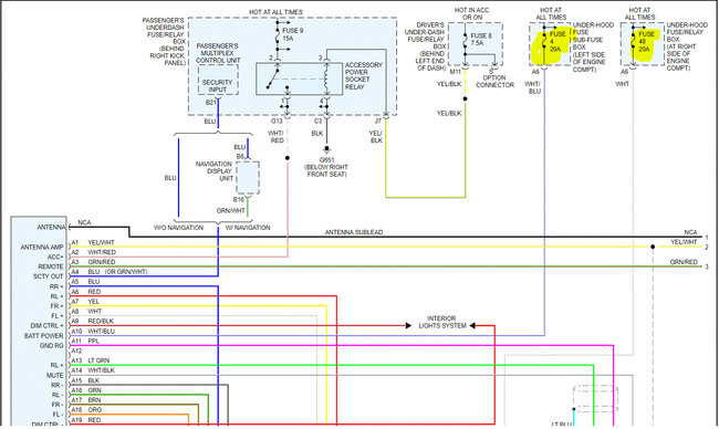
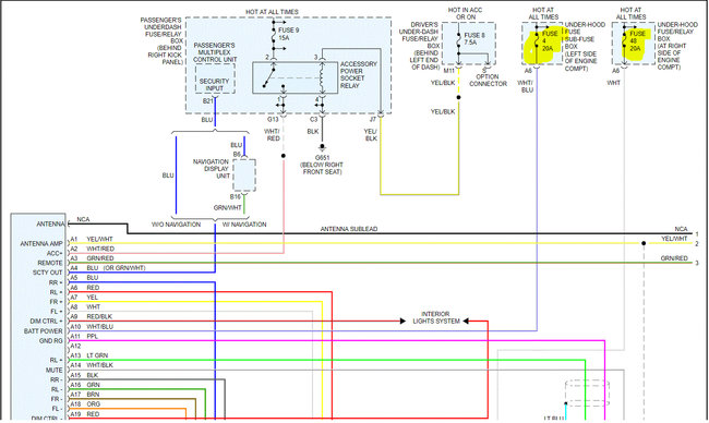
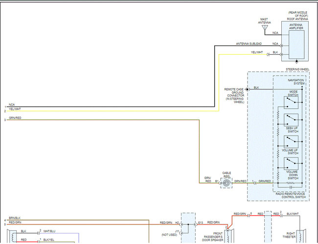
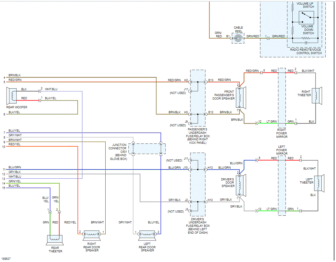
I have the vehicle listed above with a DVD player in it, it's well condition. I have check all fuses and wires that run into the radio. I've also purchase a new manufacturer radio just in case. Everything seems to have power. The jack for the auction and USB in the third row all have l power as well. My display where my mileage and time are displays is work. Along with the hazard and venting system. Some body please help!






