Radio, CD and DVD will not turn on

Tiny
KJUSTICE86
  • MEMBER
  • 2007 CHRYSLER TOWN AND COUNTRY
  • 2WD
  • AUTOMATIC
  • 189,000 MILES
I bought the van listed above and I have zero power to the radio/cassette/CD or DVD system. Dash lights are slow to go out after taking key out. Slow to start often.
Thursday, November 26th, 2020 AT 12:28 AM

11 Replies

Tiny
JACOBANDNICKOLAS
  • MECHANIC
  • 110,194 POSTS
Hi,

I'm not sure which radio you have. If you look at pic 1 below, I listed the possible ones it could be. Note that I highlighted one. I have a feeling that is the one in question. If I'm wrong, let me know.

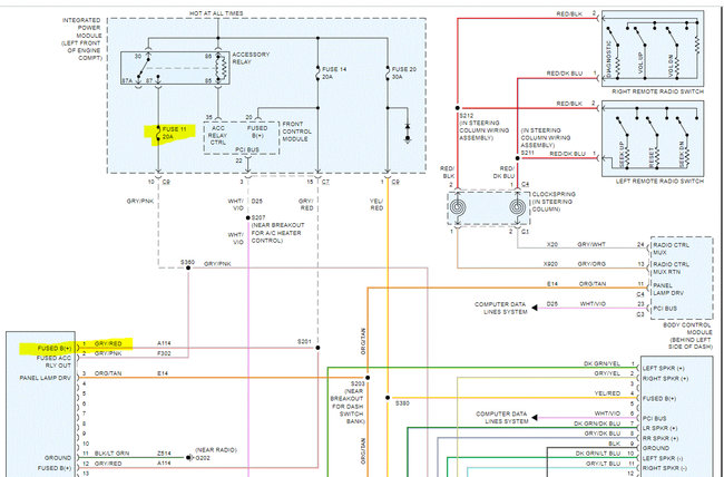
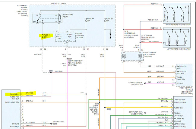
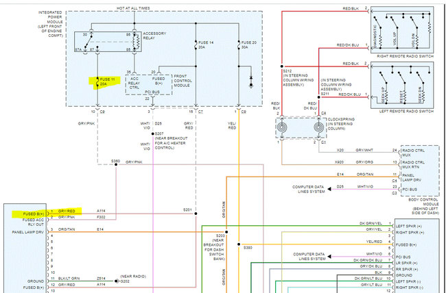
If you look at pic 2, I highlighted two fuses I need you to check. In addition to checking the fuse, I need you to confirm there is power to the fuse and out from it. Here is a link you may find helpful:

https://www.2carpros.com/articles/how-to-check-a-car-fuse

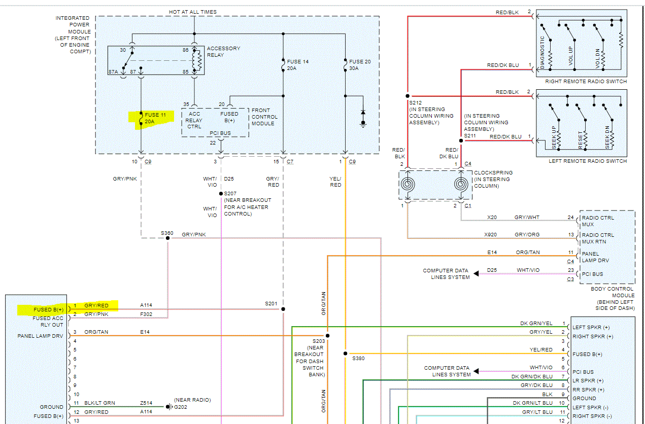
Pic 3 shows the locations in the power distribution box.

Let me know what you find and if I have the correct radio.

Take care,
Joe

Was this
answer
helpful?
Yes
No
Thursday, November 26th, 2020 AT 4:05 PM
Tiny
KJUSTICE86
  • MEMBER
  • 7 POSTS
The radio in the van is the AM/FM, CD player, cassette player then heat in the middle but heat work). I've checked fuses and relays and still have no power to any of the above! Also my key fob (I only have 1 key) does not work to do any functions other then start the van. I replaced the battery to the fob today.
Was this
answer
helpful?
Yes
No
Friday, November 27th, 2020 AT 2:27 PM
Tiny
JACOBANDNICKOLAS
  • MECHANIC
  • 110,194 POSTS
Hi,

The schematics I added above should work. When you checked the fuses, is there power at that point?

Let me know. I have to be honest, they used what is called a totally integrated power module on these vehicles (TIPM). They have a ton of tiny pin connectors which are known to break, corrode, and not make a connection. So, we are going to have to work backwards on this.

If you haven't already (and I think you have), confirm there is no power to the radio. Next, at the fuse, confirm if there is power or not, and let me know what you find.

Joe
Was this
answer
helpful?
Yes
No
Friday, November 27th, 2020 AT 9:10 PM
Tiny
KJUSTICE86
  • MEMBER
  • 7 POSTS
And now this happens when I only turn the key on and back off not starting the van.
Was this
answer
helpful?
Yes
No
Saturday, November 28th, 2020 AT 1:51 PM
Tiny
JACOBANDNICKOLAS
  • MECHANIC
  • 110,194 POSTS
Hi,

What is happening when you turn the key on and off? You mentioned it, but I'm not sure what you are referring to.

Let me know.
Joe
Was this
answer
helpful?
Yes
No
Saturday, November 28th, 2020 AT 8:02 PM
Tiny
KJUSTICE86
  • MEMBER
  • 7 POSTS
Sorry. It the video didn't upload the first time. Also, if the radio was shorted out would that effect the DVD player? I found 3 house keys and 2 quarters inside the radio.
Was this
answer
helpful?
Yes
No
Sunday, November 29th, 2020 AT 1:48 PM
Tiny
JACOBANDNICKOLAS
  • MECHANIC
  • 110,194 POSTS
Hi,

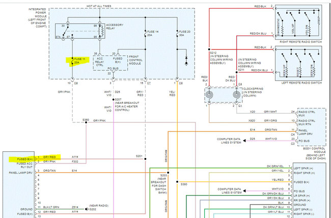
That looks like an issue with the cluster itself. As far as the radio, I need you to check the gray/red wire at the radio itself for power. I attached a pic below from the schematic. Check that and let me know if there is power.

Here is a link you may find helpful:

https://www.2carpros.com/articles/how-to-check-wiring

Interesting what you found in the radio. LOL Wow is all I can say.

Let me know what you find.

Joe
Was this
answer
helpful?
Yes
No
Sunday, November 29th, 2020 AT 9:26 PM
Tiny
KJUSTICE86
  • MEMBER
  • 7 POSTS
Yes, there is power on the wires, 2nd or 3rd pin on the wires lights up the tester.
Was this
answer
helpful?
Yes
No
Monday, November 30th, 2020 AT 9:51 AM
Tiny
JACOBANDNICKOLAS
  • MECHANIC
  • 110,194 POSTS
Hi,

Okay, we do have power, so the next thing to check is for continuity to ground. The radio ground wire is black and will be secured near the radio to steel framing.

Disconnect the plug from the radio and locate the black wire in the connector. Check continuity between the plug/black wire and a known good ground on the vehicle.

If you have a good ground and power, it sounds like the radio itself is bad.

Let me know.

Joe
Was this
answer
helpful?
Yes
No
Monday, November 30th, 2020 AT 7:35 PM
Tiny
KJUSTICE86
  • MEMBER
  • 7 POSTS
Update :
The van ended up not starting at all.
I had to have it towed to the dealership where they say the VIN number was wiped out of the computer. The reprogrammed van and added VIN. What would cause that? Also if I change the radio will it set off anti theft again?
Was this
answer
helpful?
Yes
No
Wednesday, December 9th, 2020 AT 6:55 AM
Tiny
JACOBANDNICKOLAS
  • MECHANIC
  • 110,194 POSTS
Hi,

The only thing I can think of would be an extended power loss. Even that shouldn't have done it, but there would be a chance.

Also, is the radio working properly now? As far as the radio, anything is possible with these vehicles today. I would personally keep what it has if working.

Let me know.
Joe
Was this
answer
helpful?
Yes
No
Wednesday, December 9th, 2020 AT 8:40 PM

Please login or register to post a reply.