Cruise control

Tiny
DAVE COBLITZ
  • MEMBER
  • 2000 CHRYSLER TOWN AND COUNTRY
  • 6 CYL
  • FWD
  • AUTOMATIC
  • 214,000 MILES
The cruise control does not come on where is the fuse or relay located for this?
Monday, June 21st, 2010 AT 2:42 PM

3 Replies

Tiny
BMRFIXIT
  • MECHANIC
  • 19,053 POSTS
Fuses under hood by the battery
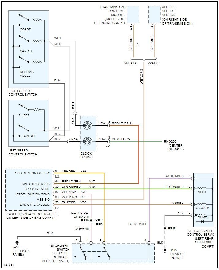
very common failure is the clock spring in the steering column under air bag module
if horn doesn't work and also if air bag light on
for sure suspect the clock spring

Read the guide on testing wiring, it will help

https://www.2carpros.com/articles/how-to-check-wiring

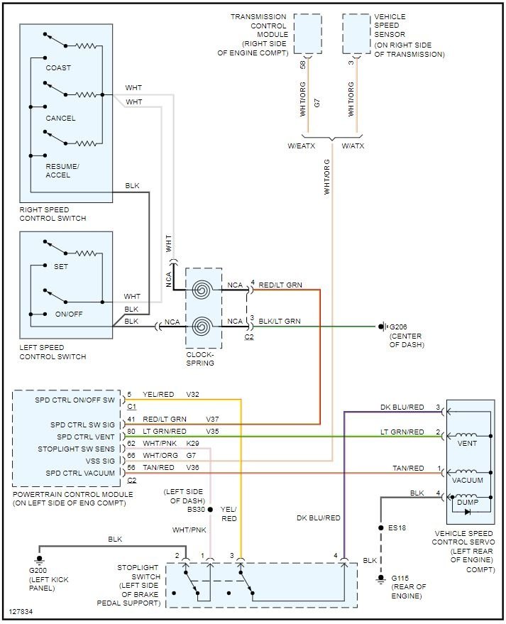
The wring diagram for your cruise control is attached below
Was this
answer
helpful?
Yes
No
+2
Tuesday, June 22nd, 2010 AT 8:50 PM
Tiny
WHITESTAR70
  • MEMBER
  • 1 POST
  • 1996 CHRYSLER TOWN AND COUNTRY
  • 6 CYL
  • FWD
  • AUTOMATIC
  • 204,500 MILES
Have not been able to get the horn or the cruise control to work there are no lights that are lit up I ran across another post that mentioned something called a clock spring what is it and how do I check it
Was this
answer
helpful?
Yes
No
Monday, December 31st, 2018 AT 12:36 PM (Merged)
Tiny
CARADIODOC
  • MECHANIC
  • 34,490 POSTS
The clock spring is a wound-up ribbon cable in a housing under the steering wheel. It is a common failure item. Eventually the air bag light will turn on too when the cable finishes breaking.

It is extremely important to have the wheels straight ahead when replacing the clock spring. The new part will have a sticker on it and mechanical locks that prevent you from turning it until it is installed. Installing the steering wheel releases the locks. That's done because the ribbon cable is just long enough to allow for turning from full left to full right. If you install the clock spring off-center by half a revolution, it will either get tight in one direction and pull apart or it will fold over on itself in the other direction and eventually break.

Caradiodoc
Was this
answer
helpful?
Yes
No
+1
Monday, December 31st, 2018 AT 12:36 PM (Merged)

Please login or register to post a reply.