My husband did an oil change on her, and she drove perfectly fine that day, and the next. Got him to work just fine, and home just fine. No issues whatsoever. A few hours later we went to leave somewhere, and the car wouldn't start. Just cranks and cranks. I was previously in a long-term relationship with a heavy-duty mechanic, so for a female my understanding of vehicles is greater than most, but is not by any means great or something to brag about. But, to me, it sounded as if the car wasn't getting gas (and I wasn't incorrect). Upon checking the gas gauge, the car was almost on E, so we walked down the road and got some gas, and put it in. Nothing changed. Still sounded as if it wasn't getting gas, so the immediate thought was fuel pump.
We have the Helms Service Manual for our vintage and have referenced it numerous times over our mechanical and electrical adventures with this baby. I stayed up and researched, (kinda my thing), and researched and printed out for my husband what he needed to do. He doesn't like to follow the processes very well, when he feels he knows what's wrong. But I got him to where we are now in the end, and I guess I'm looking for some confirmation or guidance, because I'm ready to pull my hair out and he's feeling exceptionally defeated right now.
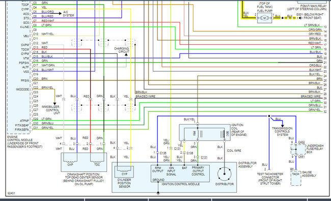
• Checked for spark - She has spark. Good spark.
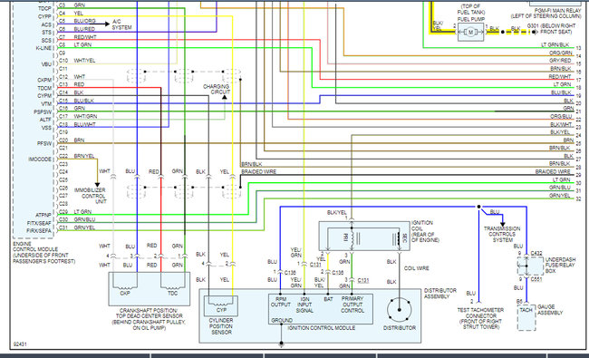
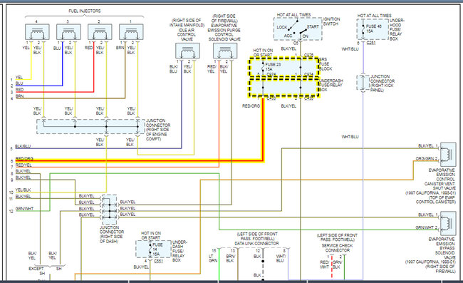
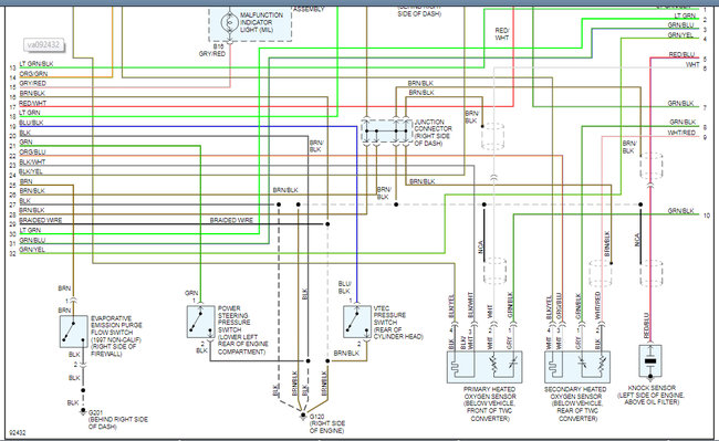
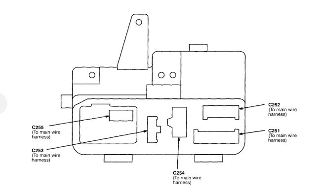
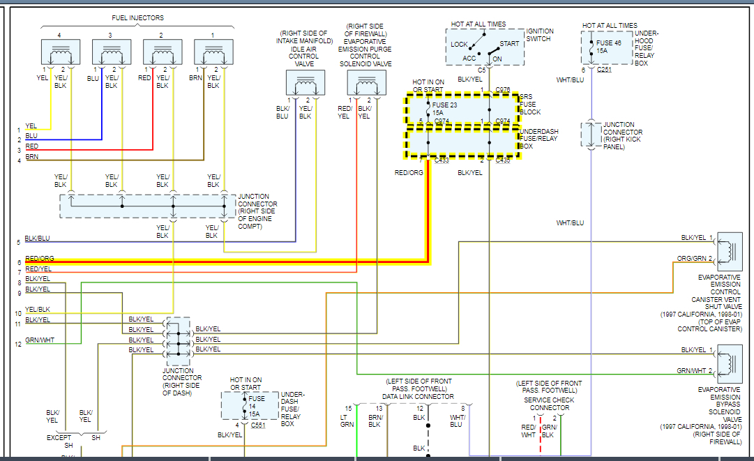
• Checked the Main Relay - it tested good, but upon reading a tonne of situations like ours, I am not convinced this isn't the issue
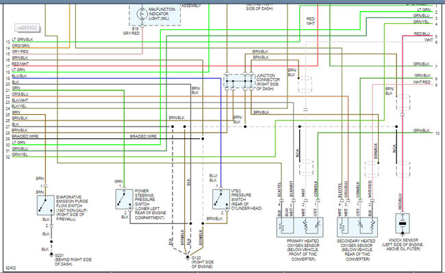
• Checked the grounds - G101 was actually soaked in oil, I'm assuming from rushed oil top ups as she burns oil like pretty much any Honda does, and spills down onto the thermostat housing where this ground sits. Hubs cleaned the ground, however did not sand the housing where the ground would be bolted back on, which I think is a rather silly thing to ignore but, whatever.
• Checked fuel pump and it literally has no power going to it, which tells me that it's the main relay or wiring. Considering there was no event that occurred to cause this no-start situation, nor was there any change in the wiring etc recently, only an oil change and our fuel pump was fine prior to now, I'm not convinced it's faulty. (I feel I should note as well, that when I have him turn the car to the "ON" position, I can hear mild hissing from the fuel pump, which goes away once the key is turned to "OFF" again. He cannot hear this, but I can hear it clearly.
• Another main relay (but not the same one, however this is one that I was told and read is compatible and interchangeable) was plugged in and nothing changed aside from the D4 light blinking when that relay is plugged in only. (I'm certain this relay isn't interchangeable at this point, thus, irrelevant and the D4 blinking isn't actually an issue)
• No CEL is on, or comes on whatsoever, and with either of the Main Relays plugged in (the original and the one we thought was interchangeable)
• When the incorrect PGM-FI Main Relay is plugged in the OBDII reader states that there is a link error and that it cannot connect
• Both relays click three times when the key is in the “ON” position as they should, however, the incorrect relay seems to click louder and harder on all 3 clicks than the original (to me at least)
• The original PGM-FI Main Relay seemed to have no solder issues or cracks in the solder on it, however the re-soldering trick was attempted, which didn’t go as planned and this original relay is trash now
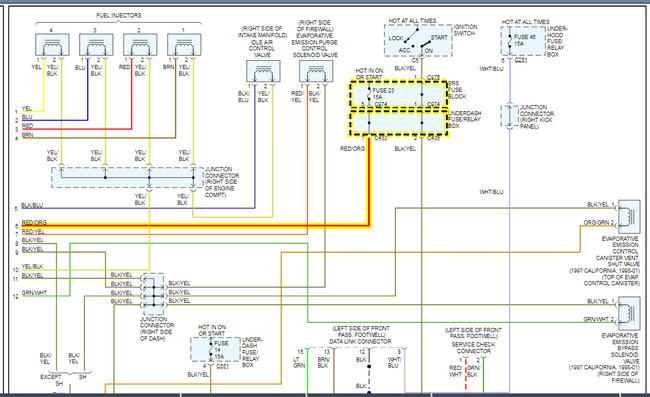
• All fuses have been fine the entire time, and have been checked multiple times. A couple important ones have been changed just for the sake of trying, but nothing changed. This includes under the dash AND under the hood fuses.
• At one point yesterday, my husband had the spark plug wire out (just one) and was checking for spark with a spark plug that isn't installed in the car, and the car when being turned over, ALMOST started, but didn't. It caught though, which to that point, and since, had/has not happened at all.
Where do we go now? My thoughts are to check the ECM to see if there is power going to it, however we need a new PGM-FI Main Relay now, so. I don’t think I’m going out on a limb in thinking that we should start there and replace the relay and see what happens, no?
If nothing changes with the relay replaced with a new and proper one, I’m thinking the next step would be to test the wiring to the ECM for power going to the ECM. If there is nothing, what does this mean? The relay is bad? We have a short somewhere in the main wiring harness between the PGM-FI and the ECM? Or is there something I’m missing?
Help please!
Saturday, November 2nd, 2019 AT 10:53 AM




























