Power windows not working

Tiny
JEFFERYKS.
  • MEMBER
  • 2000 FORD EXPLORER
  • 4.0L
  • 6 CYL
  • 240,000 MILES
Power windows quit working.
Sunday, April 22nd, 2018 AT 10:28 PM

10 Replies

Tiny
ASEMASTER6371
  • MECHANIC
  • 52,796 POSTS
Good morning.

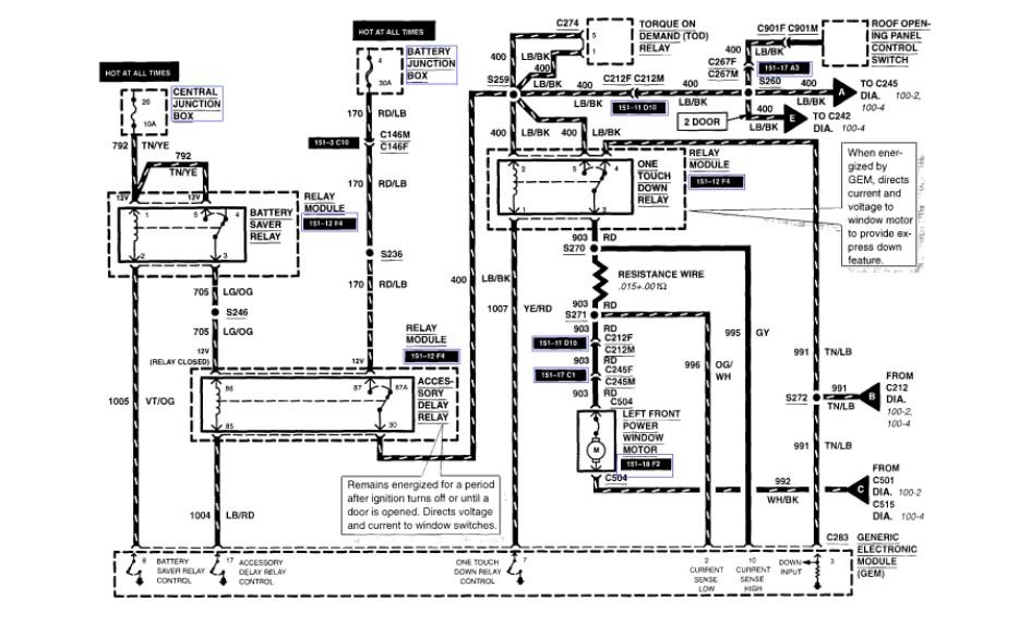
In most cases, it is a fuse that has failed. I enclosed a diagram for you to view. Check the fuses for power with a test light for power on both sides. If they are okay, let me know as we will need to check and see if there is power to the master switch.

Do the other windows work with there separate door switches?

Roy
Was this
answer
helpful?
Yes
No
Monday, April 23rd, 2018 AT 5:18 AM
Tiny
JEFFERYKS.
  • MEMBER
  • 6 POSTS
Roy. Thank you very much. I cannot find a fuse that is popped. None of the windows work and neither does the dome light. It is weird how I cannot find anything wrong.
Was this
answer
helpful?
Yes
No
Monday, April 23rd, 2018 AT 6:10 AM
Tiny
ASEMASTER6371
  • MECHANIC
  • 52,796 POSTS
Did you check for power on both sides of the fuse?

Another common issue is the wiring in the front door. There is a rubber boot when you open the door that contains all the wiring for the windows and the dome light. From all the years of opening and closing, the wires can break from constant bending.

Try cutting open the boot and inspect the wiring for any damage.

Roy
Was this
answer
helpful?
Yes
No
+1
Monday, April 23rd, 2018 AT 6:15 AM
Tiny
JEFFERYKS.
  • MEMBER
  • 6 POSTS
Okay, that is what I will do next.
Was this
answer
helpful?
Yes
No
Monday, April 23rd, 2018 AT 7:16 AM
Tiny
ASEMASTER6371
  • MECHANIC
  • 52,796 POSTS
Keep us updated.

Roy
Was this
answer
helpful?
Yes
No
+1
Monday, April 23rd, 2018 AT 7:20 AM
Tiny
JEFFERYKS.
  • MEMBER
  • 6 POSTS
Yes, I am working on it now.
Was this
answer
helpful?
Yes
No
Monday, April 23rd, 2018 AT 7:35 AM
Tiny
ASEMASTER6371
  • MECHANIC
  • 52,796 POSTS
Okay.
Was this
answer
helpful?
Yes
No
Monday, April 23rd, 2018 AT 7:36 AM
Tiny
JEFFERYKS.
  • MEMBER
  • 6 POSTS
I recently had the transmission flywheel clutch replaced. It is four-wheel drive when I got it back to four wheel high and four wheel drive indicator lights are flashing and my windows power windows quit working. I tested all the relays and all the fuses are good and check the wiring in the door like you said and were good. Any ideas?
Was this
answer
helpful?
Yes
No
Tuesday, April 24th, 2018 AT 4:10 AM
Tiny
JEFFERYKS.
  • MEMBER
  • 6 POSTS
Also, the door locks work on both doors and the power mirror buttons work.
Was this
answer
helpful?
Yes
No
Tuesday, April 24th, 2018 AT 4:12 AM
Tiny
ASEMASTER6371
  • MECHANIC
  • 52,796 POSTS
Okay, did you verify power to the master switch? If you do, then we have to look toward the GEM module as it controls the operation of both the windows and the four wheel drive system.

Roy
Was this
answer
helpful?
Yes
No
Tuesday, April 24th, 2018 AT 4:33 AM

Please login or register to post a reply.