Power steering problem

Tiny
ZURA SAGHINADZE
  • MEMBER
  • 2016 TOYOTA CAMRY
  • 2.5L
  • 4 CYL
  • 2WD
  • AUTOMATIC
  • 26,000 MILES
I bought a salvage the car listed above it is the XSE model. It was damaged in front right wheel. When I received it the steering will turn over right side by itself when car was started. When I was driving also steering wheel was turning right side. Then I calibrated it and now power steering is not working. There are written "check electric power steering system" and found out DTC codes C1515 and C1517. Can you help me how to fix it?
Wednesday, December 6th, 2017 AT 7:13 AM

1 Reply

Tiny
KEN L
  • MASTER CERTIFIED MECHANIC
  • 55,512 POSTS
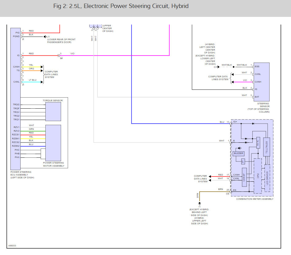
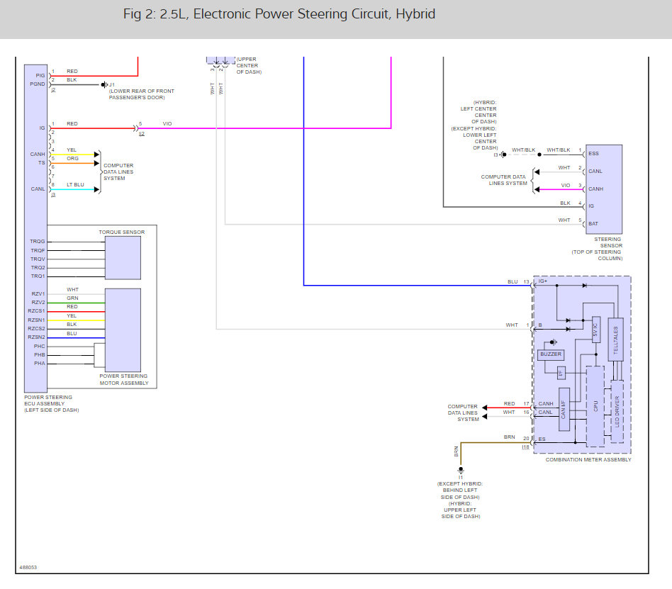
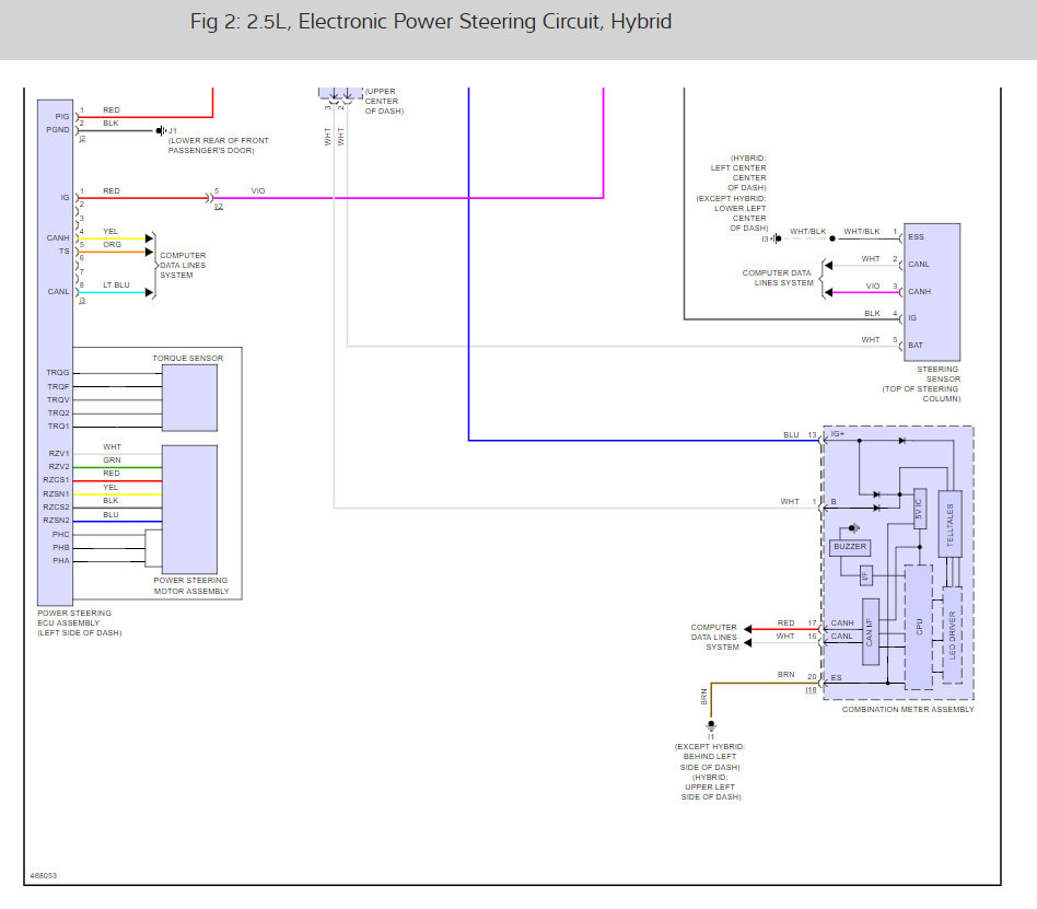
It sounds like one of two things has happened. Either you have a fuse that is out becasue there are 5 that run the system or the steering wheel sensor is not working right. Here are some wiring diagrams for the electric power steering system EPS and a couple guides to help us get started testing (easy).

https://www.2carpros.com/articles/how-to-check-a-car-fuse

and

https://www.2carpros.com/articles/how-to-check-wiring

You will need to remove the driver's side airbag this guide will give you a generic version of that with. We have specific diagrams of your car (below)

https://www.2carpros.com/articles/air-bag-removal-steering-wheel

Next would be the turning wheel position sensor. Here is a guide to ehlp you see what you are in for when taking off the steering wheel. (yours will need a puller)

https://www.2carpros.com/articles/steering-wheel-removal

These diagrams below show the entire system so others can see how it works. Also I have fuse panel diagrams at the end.

Check out the diagrams (Below)

Please let us know what you find. We are interested to see what it is.

Cheers, Ken
Was this
answer
helpful?
Yes
No
Thursday, December 7th, 2017 AT 5:17 PM

Please login or register to post a reply.