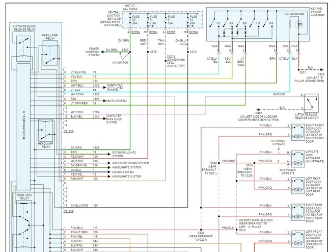
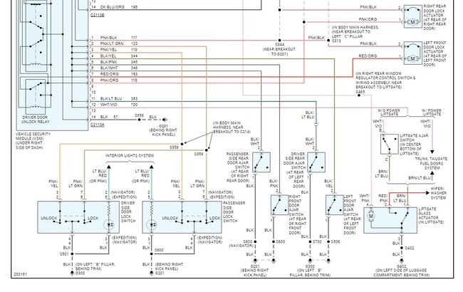
I hope you guys can help!
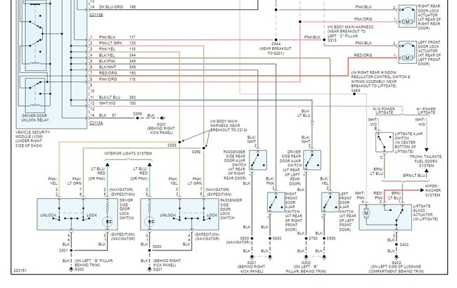
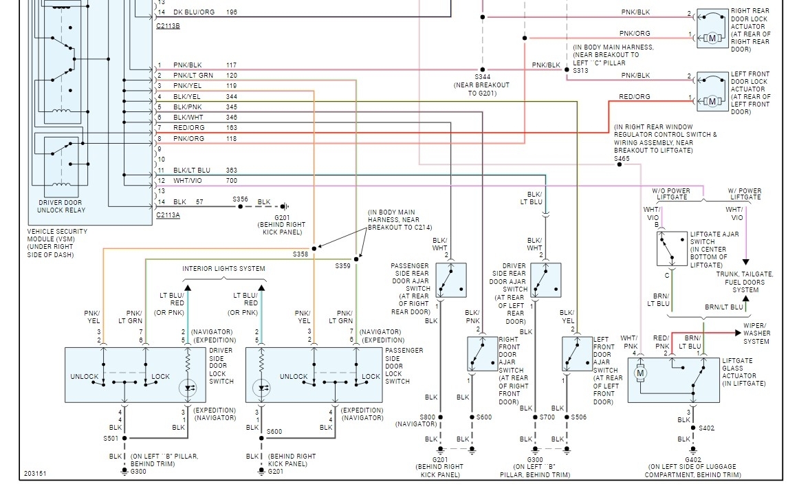
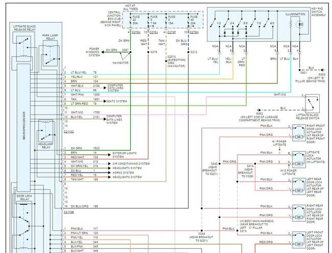
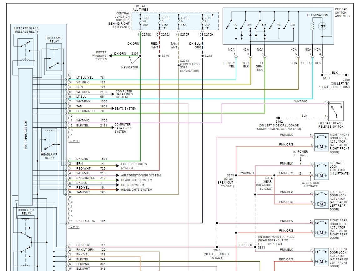
Suddenly all of my PD lock buttons stopped working.
And at the same time my PD lock and unlock buttons on my key fob also stopped working.
I replacing fuse # 20 in panel.
No help.
What do you think?
Thanks in advance if you can help!
Wednesday, May 29th, 2024 AT 6:02 PM







