Power door locks not working

Tiny
MLEITERMAN
  • MEMBER
  • 2003 FORD EXPEDITION
I have a problem with the door locks. 3 of the 4 doors do not lock with the keyless entry or if I lock them by using the lock buttons on the door. Any idea what the cause would be?

Thanks,

Mike
Monday, May 14th, 2007 AT 12:16 PM

18 Replies

Tiny
MLEITERMAN
  • MEMBER
  • 2 POSTS
The first door to have the problem was the rear passenger side. I also know the driver door is having the problem. I believe the 3rd door is rear driver side. To answer your other question the driver door is stiff when locking manually. Is it the actuator that is bad? It sounds like this is a common problem with Ford's. Any idea if it is the actuator where I can buy them at a discounted price?

Thanks.
Was this
answer
helpful?
Yes
No
+2
Monday, May 14th, 2007 AT 4:50 PM
Tiny
JONNYG414
  • MEMBER
  • 1 POST
I just replaced my drivers side and passenger rear actuators. The front actuators are easy to replace compared to the rear actuators. I got the actuators from Ford Parts Direct. They were like $49.00 each.
Was this
answer
helpful?
Yes
No
+1
Wednesday, June 13th, 2007 AT 8:26 PM
Tiny
RASMATAZ
  • MECHANIC
  • 75,992 POSTS
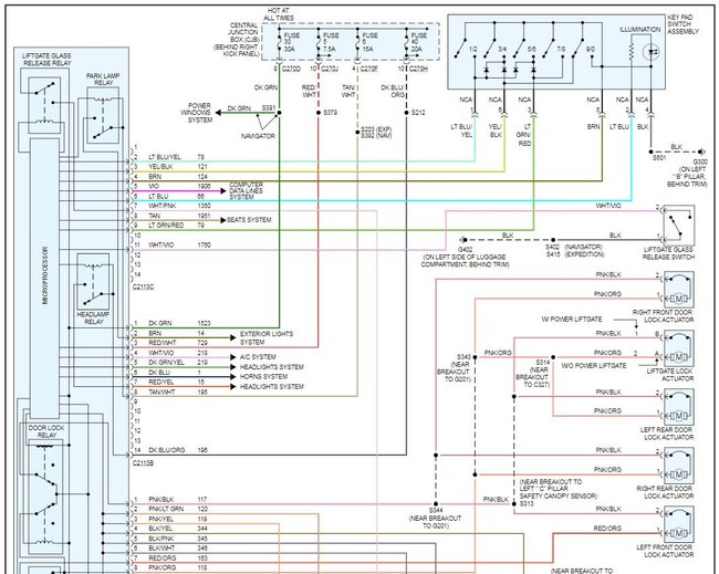
With an issue like this you should check for power/ground at the actuators when operating the switch

See the guide below on using a test light, it will help

https://www.2carpros.com/articles/how-to-use-a-test-light-circuit-tester

Attached below is the wiring diagram for your power locks
Was this
answer
helpful?
Yes
No
+4
Monday, January 21st, 2019 AT 3:59 PM
Tiny
DSGOT
  • MEMBER
  • 1 POST
  • 2003 FORD EXPEDITION
  • 5.6L
  • V8
  • 2WD
  • AUTOMATIC
  • 80,000 MILES
The left passenger door behind the driver lock does not lock or unlock with the remote or door switch. It has to be manually locked and unlocked.
Was this
answer
helpful?
Yes
No
-1
Monday, January 21st, 2019 AT 4:01 PM (Merged)
Tiny
HMAC300
  • MECHANIC
  • 48,601 POSTS
The actuator may be bad, check to see if it's getting power and check all your fuses.
Was this
answer
helpful?
Yes
No
+1
Monday, January 21st, 2019 AT 4:01 PM (Merged)
Tiny
JETSMETS
  • MEMBER
  • 1 POST
  • 2003 FORD EXPEDITION
  • V8
  • 2WD
  • AUTOMATIC
  • 85,000 MILES
Hi my electric door locks stopped working and someone told me that its probably a solenoid but I dont know how to remove and replace this
Was this
answer
helpful?
Yes
No
-2
Monday, January 21st, 2019 AT 4:01 PM (Merged)
Tiny
MIKE H R
  • MECHANIC
  • 3,094 POSTS
Check the #3 fuse in the power distribution box it is mounted on the fenderwell on the driver side in the engine compartment
Was this
answer
helpful?
Yes
No
-1
Monday, January 21st, 2019 AT 4:01 PM (Merged)
Tiny
CDNOVAK
  • MEMBER
  • 1 POST
  • 2003 FORD EXPEDITION
  • V8
  • 2WD
  • AUTOMATIC
  • 88,000 MILES
The problem started with the driver door lock not always locking or unlocking and then it grew to include the rear driver side door as well. I removed the plastic knobs from the locks and sprayed electric cleaner down in the hole with a spray tube. This seemed to fix the driver door but the rear door will not unlock or lock unless you press the button about 20 times. Any advice on what I need to replace/lubricate. Also, this expedition has a bad case of the door ajar issue as well. I have tried the WD-40 trick but it only works for a few days at best. Currently, the lights only stay on (and warning light) but no beeping.
Was this
answer
helpful?
Yes
No
Monday, January 21st, 2019 AT 4:01 PM (Merged)
Tiny
JACOBANDNICKOLAS
  • MECHANIC
  • 110,194 POSTS
Have you checked for power to the actuator?
Was this
answer
helpful?
Yes
No
-1
Monday, January 21st, 2019 AT 4:01 PM (Merged)
Tiny
LTSMAS
  • MEMBER
  • 2 POSTS
  • 2000 FORD EXPEDITION
  • 5.4L
  • V8
  • AWD
  • AUTOMATIC
  • 222,000 MILES
The power door locks click constantly like they are locking and unlocking the doors. The remote won't work to unlock the doors and the lock buttons don't lock or unlock doors. I've checked fuses and all are ok at inside fuse panel under steering wheel. I love this site
Was this
answer
helpful?
Yes
No
Monday, January 21st, 2019 AT 4:01 PM (Merged)
Tiny
HMAC300
  • MECHANIC
  • 48,601 POSTS
It sounds like what is happening is one of the door latches internal switch is going out so it thinks the one of the doors is still open and toggles back and forth when you drive. Roll the windows down and shut all door and turn the key to the on position. Wait until the dome light goes out then walk around the car and pull on each door until you see the dome light come on that will be the door the latch needs to be replaced in probably the driver's door if I were to guess.

Please run this test and get back to us.

Cheers
Was this
answer
helpful?
Yes
No
+3
Monday, January 21st, 2019 AT 4:01 PM (Merged)
Tiny
LTSMAS
  • MEMBER
  • 2 POSTS
Wow, you hit it right on the money, the drivers door latch has bad and I had it replaced have not had a problem since.

Nice work guys 2Carpros rocks
Was this
answer
helpful?
Yes
No
Monday, January 21st, 2019 AT 4:01 PM (Merged)
Tiny
CFREEMAN
  • MEMBER
  • 1 POST
  • 2000 FORD EXPEDITION
Electrical problem
2000 Ford Expedition V8 Four Wheel Drive Automatic 90K miles

I have a 2000 Expedition and the two back doors don't always lock automatically. Is this something I can fix myself or do I need to take it to the shop and pay a fortune.
Was this
answer
helpful?
Yes
No
+1
Monday, January 21st, 2019 AT 4:01 PM (Merged)
Tiny
JACOBANDNICKOLAS
  • MECHANIC
  • 110,194 POSTS
Chances are the solenoid is going bad. You would need to remove the door panel to access it.
Was this
answer
helpful?
Yes
No
-1
Monday, January 21st, 2019 AT 4:01 PM (Merged)
Tiny
GONZO1962
  • MEMBER
  • 1 POST
  • 2003 FORD EXPEDITION
  • V8
  • 2WD
  • AUTOMATIC
  • 165,000 MILES
2003 ford expedition door ajar light stays on
Was this
answer
helpful?
Yes
No
Monday, January 21st, 2019 AT 4:01 PM (Merged)
Tiny
JACOBANDNICKOLAS
  • MECHANIC
  • 110,194 POSTS
Check the switch on the door latch assembly.
Was this
answer
helpful?
Yes
No
Monday, January 21st, 2019 AT 4:01 PM (Merged)
Tiny
MEWSBW
  • MEMBER
  • 1 POST
  • 2006 FORD EXPEDITION
2006 Ford Expedition

Was woken up at 3 am this morning with my door locks going crazy. Locking and unlocking by themselves non-stop, causing the horn to sound. Dash lights were also flashing on and off. What is causing this and how can I fix it?
Was this
answer
helpful?
Yes
No
Monday, January 21st, 2019 AT 4:01 PM (Merged)
Tiny
KHLOW2008
  • MECHANIC
  • 41,814 POSTS
Hi mewsbw,

Thank you for the donation.

Possible causes for such problems are:

1. Faulty door switch. It intermittently contacts or shorts itself due to surrounding vibrations.

2. Out of adjustment doors. This would cause the switch to self contact.

If the door ajar indicator flashes at times, then above would be the likely cause.

Above are for alarm going off and could also be related to the following.

1. Faulty alarm control unit.
2. Faulty door lock switch. This would intermittent lock and unlock the door.

If the doors tends to lock and unlock themselves while driving, above would be the cause.
Was this
answer
helpful?
Yes
No
Monday, January 21st, 2019 AT 4:01 PM (Merged)

Please login or register to post a reply.