Friday, March 19th, 2021 AT 11:13 AM
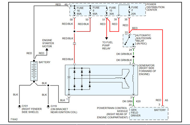
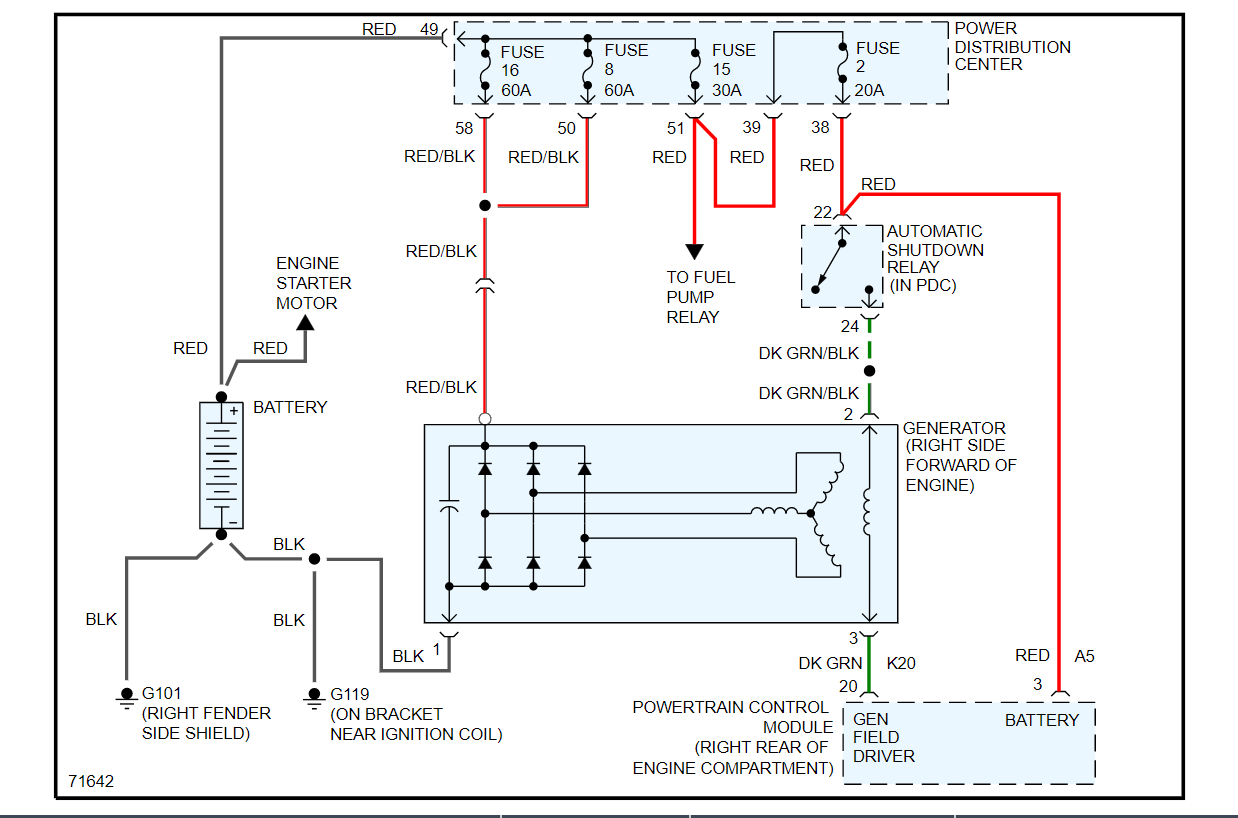
So I think I may I have a problem with my car’s alternator but wanted to get more opinions. First of all, my car after about 5-10 minutes of driving will sometimes make a whining noise that gets higher pitched with more RPM’s but will be more audible the closer I am to idling. Secondly, the sound on my after market radio is very faint and only comes out of the dashboard speakers. Lastly, the electric door unlock and windows seem to struggle at times. After doing some research it seems like all of these can be pointed towards a possible alternator that has been going bad or just has an issue. Let me know what you think.





