Overheating?

Tiny
VICKI3537
  • MEMBER
  • 2006 PONTIAC GRAND PRIX
My heater in my car just stopped blowing hot air this morning and is almost overheating. I haven't let it overheat completely but am very worried that it will soon?
Monday, October 19th, 2009 AT 8:49 AM

55 Replies

Tiny
MMPRINCE4000
  • MECHANIC
  • 8,548 POSTS
Hello,

It sounds like you are low on coolant or the cooling fan stopped working here is a guide to help walk us through what to look for and how to fix the problem.

https://www.2carpros.com/articles/engine-overheating-or-running-hot

Please run down this guide and report back.
Was this
answer
helpful?
Yes
No
+1
Sunday, October 25th, 2009 AT 10:35 AM
Tiny
NUCRBOMB68
  • MEMBER
  • 1 POST
Had to replace my radiator cost me $143.00
Was this
answer
helpful?
Yes
No
Tuesday, September 3rd, 2019 AT 2:26 PM
Tiny
NBUC7
  • MEMBER
  • 2 POSTS
  • 2006 PONTIAC GRAND PRIX
  • V8
  • FWD
  • AUTOMATIC
  • 49,876 MILES
Hello -

My water pump failed in February and I had it replaced. I also had my transmission rebuilt in May (torque converter). Prior to having the transmission revuilt, the transmission fluid temp was consistently running high (200+ degrees). Almost immediately after having the transmission rebuilt, I was out of the country and my wife drove the car while I was gone.

After returning, I noticed that my engine temperature would run hot fairly quickly (consistently into the last hash mark prior to getting into the red). It only cools when travelling at high speed when ambient temperature is cool. Subsequently, the transmission fluid is also hot (again, 200+ degrees).

I'm not sure whether there is an issue with the water pump that was replaced, or could a thermostat with the wrong setpoint have been installed? The car is still under warranty (barely) and would like to have a better guess as to what the problem may be. If there are any procedure checks I can do to narrow it down as well, I'd be more than happy to try.

Thanks for your help!
Was this
answer
helpful?
Yes
No
Tuesday, September 3rd, 2019 AT 2:27 PM (Merged)
Tiny
DOCFIXIT
  • MECHANIC
  • 18,828 POSTS
Hi
First check to see if cooling fans operate. Should come on at @190 and when AC is on.
Let me know
Thanks for donate
Was this
answer
helpful?
Yes
No
Tuesday, September 3rd, 2019 AT 2:27 PM (Merged)
Tiny
NBUC7
  • MEMBER
  • 2 POSTS
Thanks for the response - cooling fans are not kicking on, engine temp just ramps up.
Was this
answer
helpful?
Yes
No
+2
Tuesday, September 3rd, 2019 AT 2:27 PM (Merged)
Tiny
BUDDYWEISER86
  • MEMBER
  • 1 POST
  • 2006 PONTIAC GRAND PRIX
  • V6
  • FWD
  • AUTOMATIC
  • 100,000 MILES
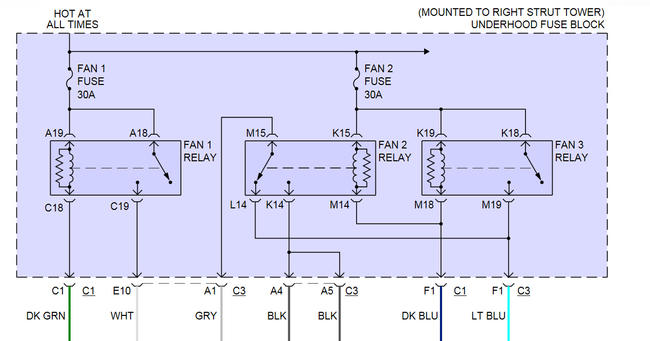
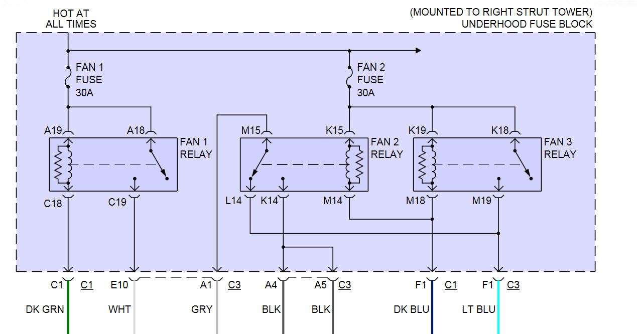
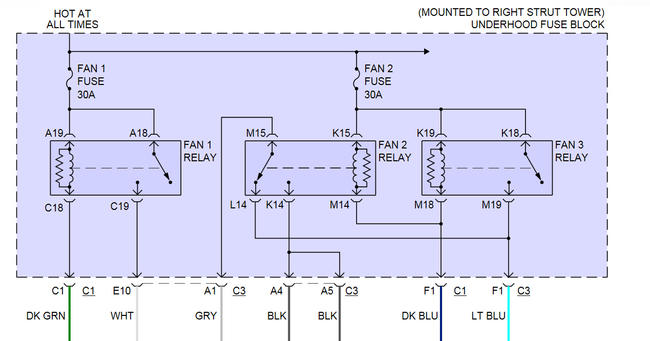
Two days ago a squirrel tore into the wiring loom directly off of the fuse box near the firewall(passenger side). I spliced all wires back together, however am still seeing an overheating issue. Both 30amp fuses marked "Fan" in the under-hood fuse panel are good. Not 100% sure on the two fan relays in same fuse panel, HOWEVER, the radiator fan's DO work when the interior AC or heat are turned on. Also, the temp gauge in dash works, and shows a steady rise in temp, so I'm assuming from that that the temp sending unit is reporting actual temp to the ECU. Is there possibly a secondary temp sending unit elsewhere that triggers the radiator fans to turn on?
Was this
answer
helpful?
Yes
No
Tuesday, September 3rd, 2019 AT 2:27 PM (Merged)
Tiny
HMAC300
  • MECHANIC
  • 48,601 POSTS
There may be two and you may have replaced the wrong one. See picsa nd make sure all wires have been properly repaired. It may be another issue as well. So have coolant system pressure checked.
Was this
answer
helpful?
Yes
No
Tuesday, September 3rd, 2019 AT 2:27 PM (Merged)
Tiny
06GRNGP
  • MEMBER
  • 2 POSTS
  • 2006 PONTIAC GRAND PRIX
  • 6 CYL
  • FWD
  • AUTOMATIC
  • 89,000 MILES
I've replaced the water pump, coolant temp. Sensor, thermostat, flushed the radiator, will radiator with 50/50 coolant to water. Still over heats. No noises or leaks. Gauge goes to hot within 2 miles or approx 10 minutes of running. A/C shuts off and car has turned off due to over heating. What could be the solution? I'm trying to prevent the costly trip to the dealership.
Was this
answer
helpful?
Yes
No
Tuesday, September 3rd, 2019 AT 2:28 PM (Merged)
Tiny
FACTORYJACK
  • MECHANIC
  • 4,159 POSTS
It may not require a trip to the dealership, but if the vehicle has been severly overheated due to a concern that may have been addressed, it might have developed an internal leak(crack/headgasket). Has the cooling fans been noticed as being on, are they trying to bring the temperature in range. The next step would be to have the cooling system tested for the presence of combustion gases. This can be done with a gas analyzer, or a chemical that is offered as a block system test. The gas analyzer is more accurate, as it is the most sensitive. A shop would be suggested to get you an answer on this.
Was this
answer
helpful?
Yes
No
Tuesday, September 3rd, 2019 AT 2:28 PM (Merged)
Tiny
06GRNGP
  • MEMBER
  • 2 POSTS
Thanks for the options. I've actually fixed the problem. The thermostat that I replaced about a month ago, was defective. The thermostat would not open when 195 degrees was reached. Auto Zone is going to issue me a refund for this. I purchased a ACDelco from the local dealership and it works great.
It was suggested by a salesman at an auto parts to run the motor without the thermostat to verify that the thermostat was working or not. After I removed the thermostat, the engine ran lower than normal temps. Thank God that this problem is now resolved.
Was this
answer
helpful?
Yes
No
+3
Tuesday, September 3rd, 2019 AT 2:28 PM (Merged)
Tiny
THIS IS MIKE
  • MECHANIC
  • 686 POSTS
We are glad to hear you were able to fix the problem. We appreciate your donation and hope we can help you the next time you need us.
Was this
answer
helpful?
Yes
No
+1
Tuesday, September 3rd, 2019 AT 2:28 PM (Merged)
Tiny
SORACE33
  • MEMBER
  • 6 POSTS
  • 2006 PONTIAC GRAND PRIX
  • 92,000 MILES
Hello, I have a 2006 grand prix gxp. I heard alot about them having the transmissions overheating. Alot of people said the problem can be fixed by a transmission cooler fan. By any chance does the car come stock with this?
Was this
answer
helpful?
Yes
No
Tuesday, September 3rd, 2019 AT 2:28 PM (Merged)
Tiny
RIVERMIKERAT
  • MECHANIC
  • 6,110 POSTS
The car comes with a transmission cooler, either as tubes in one of the chambers of the radiator, or an external(doubtful). An external is easy to install and can usually be bought for less than $30. You will need to add transmission fluid if you add a cooler.
Was this
answer
helpful?
Yes
No
Tuesday, September 3rd, 2019 AT 2:28 PM (Merged)
Tiny
RUDDUSA
  • MEMBER
  • 1 POST
  • 2006 PONTIAC GRAND PRIX
  • 98,000 MILES
I started it up and within 5 min the temp started to go up quickly. During this time the fans did not kick on and after shutting it off I noticed some coolant leaking at the top of the block
Was this
answer
helpful?
Yes
No
Tuesday, September 3rd, 2019 AT 2:28 PM (Merged)
Tiny
MHPAUTOS
  • MECHANIC
  • 31,937 POSTS
Pressure test cooling system, get a head check done, check cooling fan switches and check thermostat, start here.
Was this
answer
helpful?
Yes
No
Tuesday, September 3rd, 2019 AT 2:28 PM (Merged)
Tiny
AARON1212
  • MEMBER
  • 2 POSTS
  • 2005 PONTIAC GRAND PRIX
My 2006 Pontiac grand prix was starting to overheat so I went and filled it with 50/50 Coolant/Antifreeze. After doing so I got about 10 mins down the road before the temperature rose incredibly fast and was as hot as possible. I got a hot coolant alert and another saying the AC was disabled. I stopped and after waiting 30 mins put 2 Liters of cold water in the coolant tank while running the engine with the heat on. A steady stream of what looked like coolant and water started coming from under the car on the side with the coolant tank. I was able to get home but within 10 mins the engine temp was back up on the edge of the red. After 20 mins of being home there is a small puddle of green/clear liquid that seems to be leaking from under the coolant tank. What advise would you give in proceeding from here?
Was this
answer
helpful?
Yes
No
Tuesday, September 3rd, 2019 AT 2:28 PM (Merged)
Tiny
CARADIODOC
  • MECHANIC
  • 34,485 POSTS
First, list the engine size and mileage. I don't know which side the reservoir is on so you're going to have to tell me that. Next, you or someone else is going to have to look for the source of the leak. The good news is while the overheating could have resulted in a leaking cylinder head gasket, it sounds like you caught it soon enough and you only have to worry about a much less serious external leak.

Has the coolant ever been changed? Knowing the mileage will help with forming a generalization as to how much acid may have built up in it. That will lead to corroded heater cores and radiators. If the heater core is leaking, you'll find the coolant leaking from a 4" long rubber hose with a 90 degree bend hanging down from the passenger side of the firewall under the hood. The puddle will form just to the left of the right front tire.
Was this
answer
helpful?
Yes
No
+2
Tuesday, September 3rd, 2019 AT 2:28 PM (Merged)
Tiny
AARON1212
  • MEMBER
  • 2 POSTS
Hi, it's a 3.8L V6 engine and has just over 104000 miles. The coolant was last changed around 2 years ago. The puddle is forming right where you said it was, to the left of the right front tire.
Was this
answer
helpful?
Yes
No
Tuesday, September 3rd, 2019 AT 2:28 PM (Merged)
Tiny
CARADIODOC
  • MECHANIC
  • 34,485 POSTS
Dandy. I don't know if you can see that hose from the top. You might have to crawl underneath to see it.

The coolant needs to be replaced every two years because that's about how long the additives in it last. Those include water pump lubricant and corrosion inhibitors. Besides that drain hose, there's going to be two heater hoses in the same area but up higher. Check those for wetness. Also look around the top of the engine on the passenger side to see if there's a black plastic fitting that's leaking.
Was this
answer
helpful?
Yes
No
-1
Tuesday, September 3rd, 2019 AT 2:28 PM (Merged)
Tiny
DSEH08
  • MEMBER
  • 1 POST
  • 2003 PONTIAC GRAND PRIX
  • 6 CYL
  • FWD
  • AUTOMATIC
  • 98,000 MILES
My car over heats while driving slow and climbing hills, it also over heats going hwy speed with A/C on and climbing hills on a hot day. Going hwy speed on level ground it does not. Thermostat? Or radiator? Or something else. Cooling fans are working. Also I heard the orange anti-freeze (dex cool) causes problems, is that true? And should I switch? One more question. My key is stuck in my ignition, shifting to park will not disengage it. Any simple solutions to this problem?

Thanks

Dave
Was this
answer
helpful?
Yes
No
-1
Tuesday, September 3rd, 2019 AT 2:28 PM (Merged)

Please login or register to post a reply.