Parking lights do not work?

Tiny
BENGYOSHI
  • MEMBER
  • 2004 PONTIAC GRAND PRIX
  • 3.8L
  • V6
  • 2WD
  • AUTOMATIC
  • 221,769 MILES
Hello, I have the car listed above GTP, and the parking lights are the only thing not working. Brake lights and turn signal lights are working. I changed all bulbs and fuse I'm just now at a lost any help where to go now we'll be great.
Thursday, September 14th, 2023 AT 7:17 PM

1 Reply

Tiny
JACOBANDNICKOLAS
  • MECHANIC
  • 110,194 POSTS
Hi,

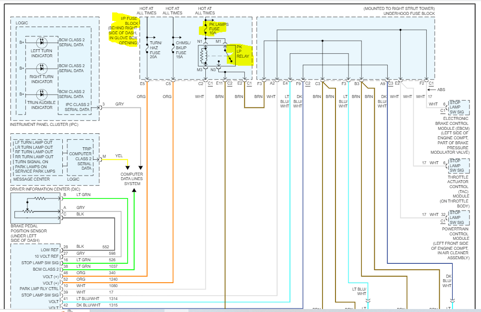
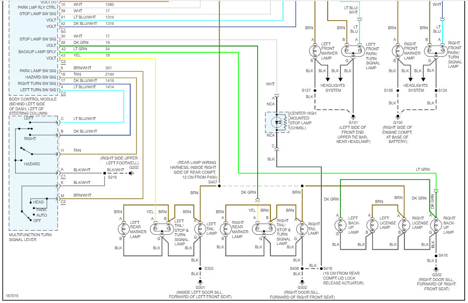
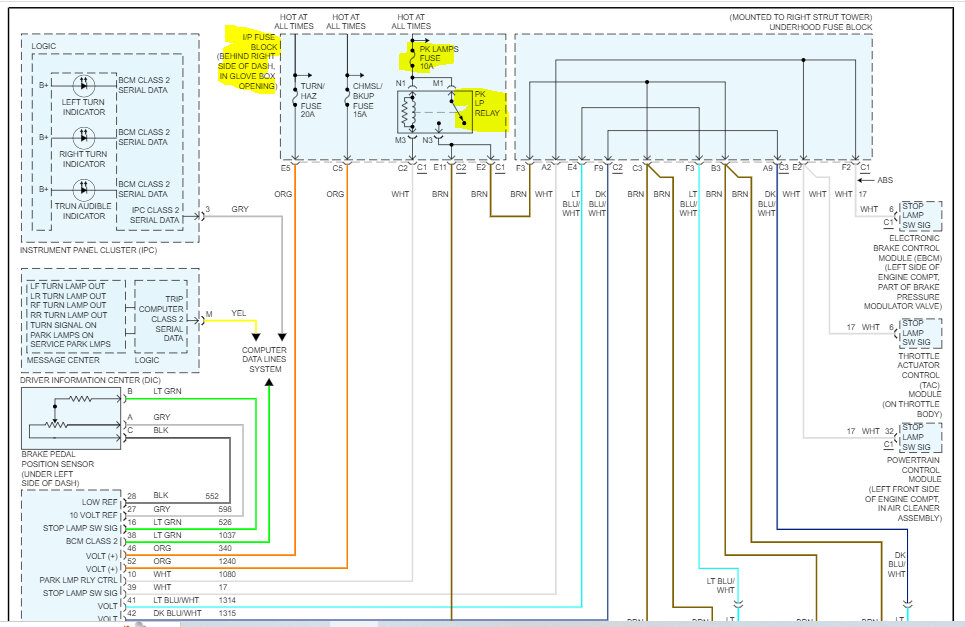
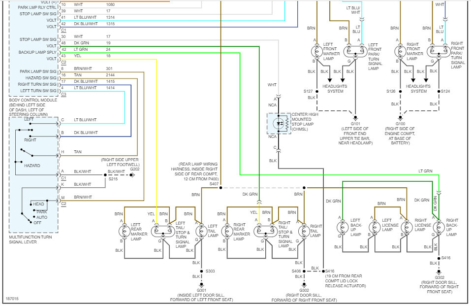
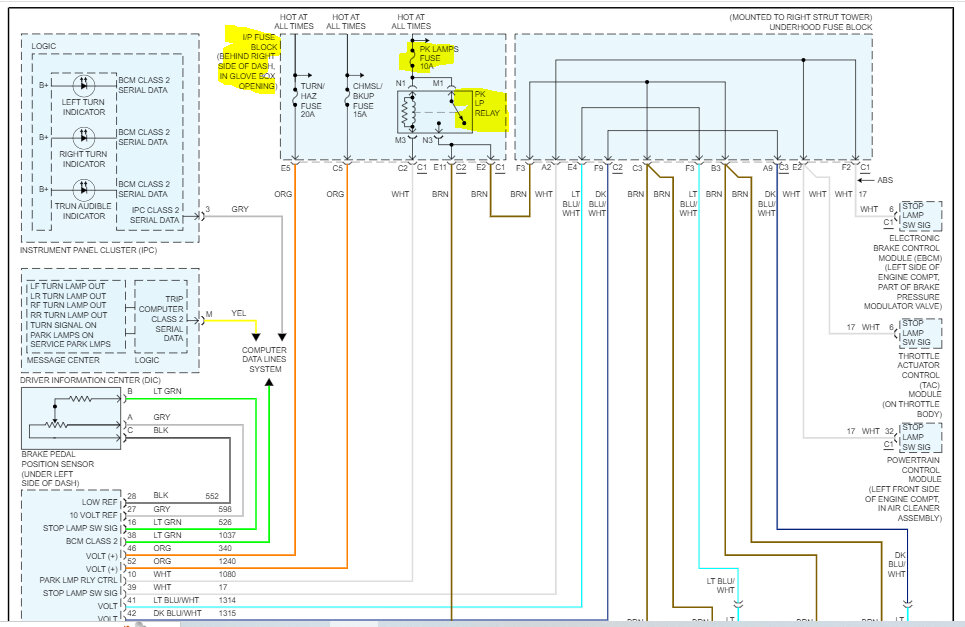
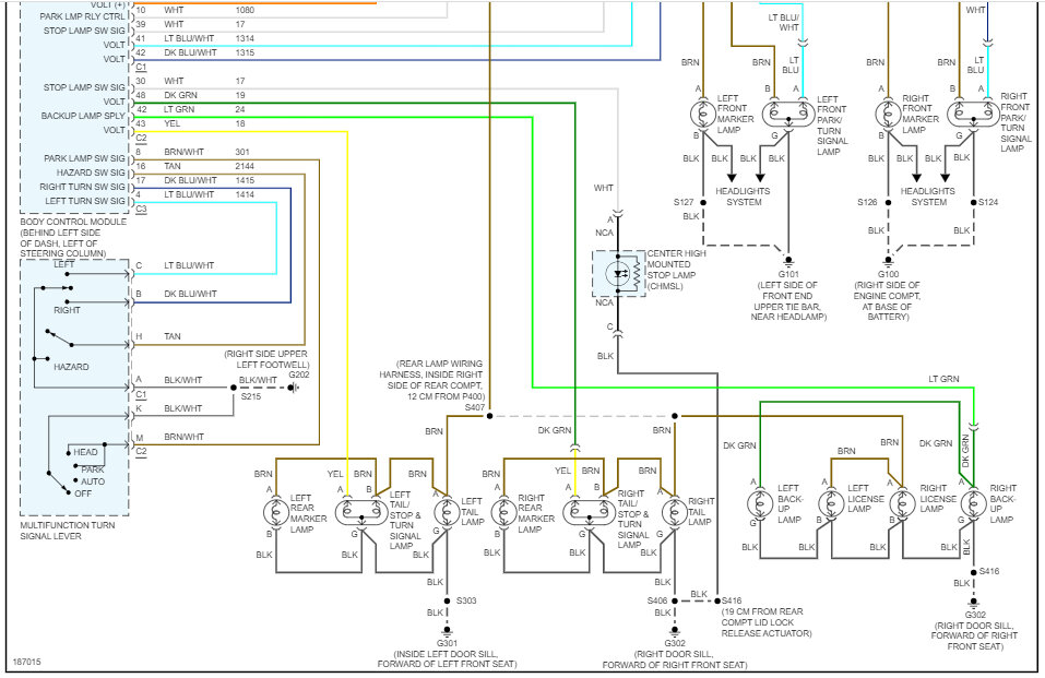
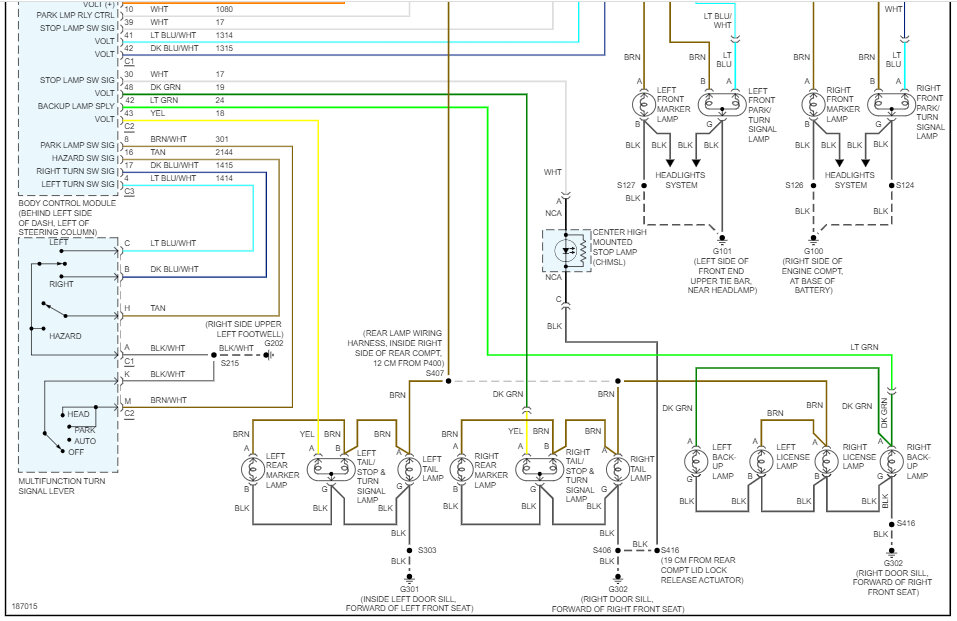
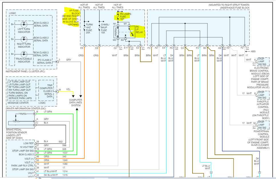
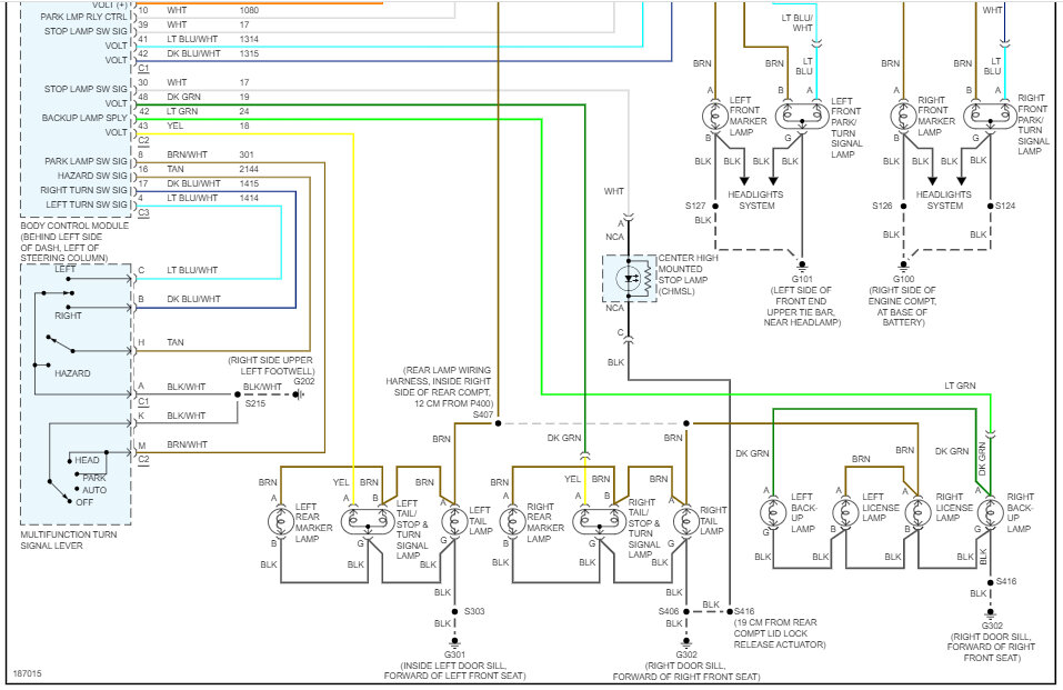
First, I attached the wiring schematic below for the exterior lighting circuits.

You mentioned the fuses are good. Did you confirm there is power to and from them? If not, check that. The fuse may be good but there is no power to transfer.

Here is a link you may find helpful:

https://www.2carpros.com/articles/how-to-check-a-car-fuse

Next, there is a parking light relay. Have you checked that as well? If not, switch it with a different relay having the same part number to see if that changes it. If there is no change, we need to check the circuit.

Here is a link that explains how to test a relay and the relay circuit:

https://www.2carpros.com/articles/how-to-check-an-electrical-relay-and-wiring-control-circuit

Let me know what you find.

Take care,

Joe

See pics below.
Was this
answer
helpful?
Yes
No
Thursday, September 14th, 2023 AT 8:30 PM

Please login or register to post a reply.